所屬科目:港務局◆營建管理與工程材料
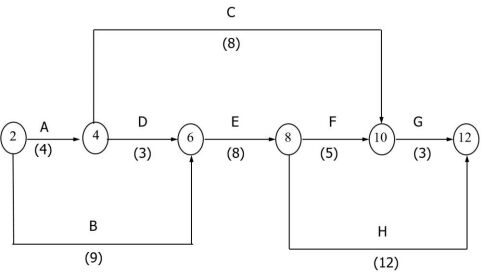
4.有一工程之 ADM 網圖如下圖所示,圖中箭線上方之英文字母為作業名稱, 箭線下方( )內之數字為作業需時,請計算圖上各節點之節點日程, 並說明工程之總工期為多少天?且列表計算各作業項目之最早開 始時間(ES)、最早結束時間(EF)、最晚開始時間(LS)、最晚結束時間(LF)、 總浮時(TF)、自由浮時(FF)及干擾浮時(IF),並說明那些作業項 目為要徑作業項目。