所屬科目:技檢◆升降機裝修-乙級
1. 依 CNS 12651 規定,升降階梯之轉動構肢,以靜載重計之,其安全係數不得小於?(A)8(B)10(C)5(D)4。
2. 於 LED 並聯一個二極體,其主要作用為(A)旁路(B)限流(C)保護(D)截波。
3. 根據性別工作平等法,有關雇主防治性騷擾之責任與罰則,下列何者錯誤?(A)雇主知悉性騷擾發生時,應採取立即有效之糾正及補救措施(B)雇主違反應訂定性騷擾防治措施之規定時,處以 罰鍰即可,不用公布其姓名(C)雇主違反應訂定性騷擾申訴管道者,應限期令其改善,屆期未改善者,應按次處罰(D)僱用受僱者 30 人以上者,應訂定性騷擾防治措施、申訴及懲戒辦法。
4. 依建築技術規則規定,升降機之設計速度超過 240 公尺/分鐘,其頂部安全距離不得小於多少公尺?(A)3.8(B)4(C)3(D)3.3。
5. 按菸害防制法規定,下列敘述何者錯誤?(A)餐廳、旅館設置室內吸菸室,需經專業技師簽證核 可(B)任何人都可以出面勸阻在禁菸場所抽菸的人(C)只有老闆、店員才可以出面勸阻在禁菸場所抽菸的人(D)加油站屬易燃易爆場所,任何人都要勸阻在禁菸場所抽菸的人。
6. 鏈輪的齒數愈多則鏈節(A)不變(B)不一定(C)愈長(D)愈短。
7. 液壓裝置內的壓力超出來一定值時,閥門能自動打開排壓的是(A)安全閥(B)止回閥(C)流量閥(D)雙向閥。
8. 依 CNS 10594 規定,升降機地震載重之計算,係取相當於該升降機結構部分垂直載重之________,於水平方向計入,視為該升降機之地震載重。(A)70%(B)20%(C)50%(D)100%
9. 公司的車子,假日又沒人使用,你是鑰匙保管者,請問假日可以開出去嗎?(A)不可以,因為是公司的,並非私人擁有(B)不可以,應該是讓公司想要使用的員工,輪流使用才可(C)可以,只要付費加油即可(D)可以,反正假日不影響公務。
10. 依 CNS 14328 規定,個人住宅升降機之液壓升降機應設置車廂門及乘場門未關閉,超過幾分鐘之警告裝置?(A)1 分鐘(B)30 秒(C)3 分鐘(D)90 秒。
11. 在迴轉運動中,若 T 表週期,ω 表角速度,則兩者之關係為(A)ω =2π/T(B) T =πω(C)ω =T/2π(D)ω=πT。
12. 某一直流電路電阻 0.5 歐姆,流過電流為 2 安培,其電壓降為多少伏特?(A)4(B)1(C)3(D)0.25。
13. 依 CNS 10594 規定,支持樑為鋼筋水泥構造者其安全係數要求至少應為多少?(A)6(B)7(C)7.5(D)4。
14. 透過淋浴習慣的改變就可以節約用水,以下的何種方式正確?(A)淋浴沖澡流下的水,可以儲蓄洗菜使用(B)等待熱水前流出的冷水可以用水桶接起來再利用(C)淋浴流下的水不可以刷洗浴室地板(D)淋浴時抹肥皂,無需將蓮蓬頭暫時關上。
15. 以 100:5 之比流器附安培計測定某線路電流,若該安培計讀數 4A,則實際線路電流為(A)80A(B)40A(C)100A(D)60A。
16. 高速公路旁常見有農田違法焚燒稻草,除易產生濃煙影響行車安全外,也會產生下列何種空氣污染物對人體健康造成不良的作用?(A)臭氧(O3 )(B)懸浮微粒(C)二氧化碳(CO2 )(D)沼氣。
17. 變壓器一、二次側之匝數比為 10,則將一次側為 0.2Ω 之阻抗換算至二次側,其等值阻抗為何?(A)0.02Ω(B)0.2Ω(C)20Ω(D)2Ω。
18. 依建築技術規則規定,下列何者非屬建築技術規則所稱之道路?(A)省道(B)都市計畫道路(C)市區道路(D)類似道路。
19. 當 89C51 單晶片完成基本設計電路時,如果不能作動時基本檢修動作是使用三用電表對下列腳位進行量測,下列敘述何者錯誤?(A)MAX-232 電位轉換電路晶片之 p in2 與 p in6 是否為+10V 與-10V 之間(B)RESET(pin9 )是否為+5V(C)EA /V PP (pin31 )是否為+5V(D)V CC(p in40 )對 GND(pin20)是否為+5V。
20. 下列何者不是溫室效應所產生的現象?(A)氣溫升高而使海平面上升(B)造成全球氣候變遷,導致不正常暴雨、乾旱現象(C)造成臭氧層產生破洞(D)北極熊棲地減少。
21. 某四極、60Hz 之三相感應電動機,其滿載轉速為 1,755rpm,轉差率約為何?(A)2.5%(B)3.5%(C)5%(D)4%。
22. 相嚙合之兩齒輪,轉速與齒數(A)成反比(B)成正比(C)平方比(D)不成比例。
23. 在高度超過多少公尺之作業場所時,應設置能使勞工上下之設備?(A)1.5(B)0.5(C)0.8(D)1。
24. 制動器的材料不需要下列何種條件?(A)耐高溫耐磨耗(B)耐腐蝕(C)自動給油裝置(D)摩擦係數高散熱佳。
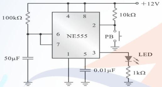
25. 如下圖所示,使用積體電路 IC 編號 555 組成的電路,若按鈕開關 PB 按下後即放開,則發光二極體 LED 亮約多少秒後就會熄滅?
(A)16.5(B)15(C)5.5(D)11。
26. BJT 電晶體的作用區域分為工作區、飽和區及截止區,在飽和區之集極與射集接面偏壓敘述中,下列何者正確?(A)集極為順向偏壓,射極為逆向偏壓(B)集極為逆向偏壓,射極為順向偏壓(C)皆 為逆向偏壓(D)皆為順向偏壓。
27. 依 CNS 12651 規定,升降階梯之欄杆寬度各邊踏階側與欄杆內緣之水平距離不得超過多少公分?(A)18(B)10(C)12(D)15。
28. 利用垃圾焚化廠處理垃圾的最主要優點為何?(A)去除垃圾中所有毒物(B)減少空氣污染(C)減少處理垃圾的程序(D)減少處理後的垃圾體積。
29. 依 CNS 2866 規定,檢查升降機用之電流計與電壓計,其精確度須為幾級以上者?(A)1.5(B)1.2(C)1.0(D)0.5。
30. 建築技術規則所稱「防火設備」不含下列何項?(A)防火樓板(B)自動撒水設備(C)甲種防火門窗(D)撒水幕。
31. 有關高風險或高負荷、夜間工作之安排或防護措施,下列何者不恰當?(A)參照醫師之適性配工 建議(B)獨自作業,宜考量潛在危害,如性暴力(C)考量人力或性別之適任性(D)若受威脅或加害時,在加害人離開前觸動警報系統,激怒加害人,使對方抓狂。
32. 下列何者屬安全的行為?(A)有缺陷的設備(B)不適當之警告裝置(C)使用防護具(D)不適當之支撐或防護。
33. 升降機之負荷試驗,其電流值的讀取是________獲得。(A)停止時(B)減速時(C)恆速時(D)啟動時
34. 依建築物無障礙設施設計規範規定,無障礙升降機之按鈕間之距離不得小於多少公分?(A)3(B)1(C)2(D)4。
35. 依 CNS 2866 規定,使用 3V 以上絕緣電阻計或電壓計測量絕緣電阻時,電源正極應接電壓計之(A)正極(B)負極(C)正負極均可(D)外殼。
36. 防塵口罩選用原則,下列敘述何者有誤?(A)重量愈輕愈好(B)捕集效率愈高愈好(C)視野愈小愈好(D)吸氣阻抗愈低愈好。
37. 依 CNS 2866 規定,升降機之頂部小屋或類似房間,其淨高不得小於多少公尺?(A)2(B)1.8(C)1.2(D)1.5。
38. 制動器的制動功率與摩擦面的面積(A)成反比(B)成正比(C)不成比例(D)成平方比。
39. 為建立良好之公司治理制度,公司內部宜納入何種檢舉人制度?(A)不告不理制度(B)告訴乃論制度(C)非告訴乃論制度(D)吹哨者(whistleblower)管道及保護制度。
40. 依建築物昇降設備設置及檢查管理辦法,檢查機構對其指派之檢查員不得(A)核發證照(B)登錄(C)管理(D)監督。
41. 兩同頻率相位差非 180 度之正弦波相加,其結果為(A)不同頻率之正弦波(B)含兩倍頻率之和的正弦波(C)含兩頻率之差的正弦波(D)同頻率之正弦波。
42. 依 CNS 10594 規定,升降機槽輪之直徑須大於鋼索直徑多少倍?(A)30(B)10(C)40(D)20。
43. 依 CNS 2866 規定,升降機在 100%負載時,其上昇速率應為設計書記載速率之 90%以上,多少%以下?(A)95(B)100(C)110(D)105。
44. 下列有關工作場所安全衛生之敘述何者有誤?(A)對於勞工從事其身體或衣著有被污染之虞之特殊作業時,應備置該勞工洗眼、洗澡、漱口、更衣、洗濯等設備(B)勞工應定期接受健康檢查(C) 事業單位應備置足夠急救藥品及器材(D)事業單位應備置足夠的零食自動販賣機。
45. 下列哪一項的能源效率標示級數較省電?(A)1(B)2(C)4(D)3。
46. 依建築物無障礙設施設計規範規定,無障礙升降機梯廳及門廳下組呼叫按鈕之中心線應距樓地板地面多少公分?(A)95~100(B)80~85(C)85~90(D)90~95。
47. 依 CNS 10594 規定,就一般而言 B-750-2S,每分鐘 45 公尺之升降機其升降路頂部距離之尺寸應較一般電梯高出多少公分為宜?(A)30(B)40(C)20(D)10。
48. 醫院、飯店或宿舍之熱水系統耗能大,要設置熱水系統時,應優先選用何種熱水系統較節能? (A)熱泵熱水系統(B)重油熱水系統(C)瓦斯熱水系統(D)電能熱水系統。
49. 陳先生到機車行換機油時,發現機車行老闆將廢機油直接倒入路旁的排水溝,請問這樣的行為是違反了(A)道路交通管理處罰條例(B)廢棄物清理法(C)職業安全衛生法(D)飲用水管理條例。
50. 有關直流機中換向磁極線圈之接線敘述,下列何者正確?(A)和電樞電路並聯(B)和電樞電路串聯(C)和主磁場電路串聯(D)和主磁場電路並聯。
51. 在以示波器測試及調整放大器的輸出波形時,通常輸入下列何者較適用?(A)方波(B)脈衝波(C)三角波(D)正弦波。
52. 依建築法規定,起造人自領得建造執照之日起,應於多少個月內開工?(A)12(B)6(C)3(D)9。
53. 依建築物無障礙設施設計規範規定,建築物內規定應設置之樓梯可以坡道代替,且坡道之坡度不得超過(A)1/12(B)1/10(C)1/8(D)1/6。
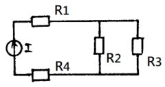
54. 依建築技術規則規定,建築物緊急進口一般設置在(A)二層以上,十層以下(B)二層以上,十二層以下(C)三層以上,十一層以下(D)三層以上,九層以下 之各樓層。
55. 如下圖所示,若 I、R1、R2、及 R4 保持不變,若減少 R3 電阻值時,流過 R2 之電流將(A)增加(B)減少(C)偶而增加(D)不變。
56. 動滑輪屬於_______槓桿原理。(A)第四種(B)第三種(C)第一種(D)第二種
57. 依 CNS 2866 規定,升降機之額定速率係指多少%負載時每分鐘上升之最高速率?(A)100(B)90(C)115(D)110。
58. 依建築法規定,建造執照逾期,承造人得申請展期以多少次為限?(A)1(B)3(C)2(D)4。
59. 為了避免漏電而危害生命安全,下列何者不是正確的做法?(A)做好用電設備金屬外殼的接地(B)有濕氣的用電場合,線路加裝漏電斷路器(C)使用保險絲來防止漏電的危險性(D)加強定期的漏電檢查及維護。
60. 依 CNS 10594 規定,升降機車廂之出入口淨高不得少於多少公尺?(A)2.1(B)1.8(C)2.0(D)2.2。
61. 依建築物使用類組及變更使用辦法規定,下列那些為建築物變更使用 A1 類組規定項目之檢討標準?(A)防空避難設施(B)公共建築物無障礙設施(C)停車空間(D)防火區劃。
62. 牽引式升降機實施斷電試驗前,首先應注意事項為何?(A)判斷車廂升降位置(B)判斷車廂內有無人員搭乘(C)荷重物擺設情形(D)煞車來令片磨耗量。
63. 依 CNS10594 規定,下列敘述那些正確?(A)牽引式升降機,額定速率在 45m /min 以下之升降機,得採用瞬間式停止裝置(B)捲胴式升降機每一車廂至少要有 3 條鋼索(C)升降階梯踏階與踏階間水平淨孔不得大於 4mm(D)強度計算中,其計算公式 W=qCA,其中之 W 代表風載重。
64. 一般游標卡尺可量測項目為(A)深度(B)內徑(C)厚度(D)外徑。
65. 依建築法規定,建築物在施工中,直轄市、縣(市)(局)主管建築機關認有必要時,得隨時加以勘驗發現下列各款情事之一者,應以書面通知起造人、承造人、監造人勒令停工或修改,且必要時得強制拆除?(A)妨礙工程進度者(B)妨礙區域計畫者(C)妨礙公共交通者(D)妨礙都市計畫者。
66. 依 CNS 12651 規定,有關升降階梯之規定,下列那些正確?(A)升降階梯,踏階尺寸依進行方向 量得之踏階,深度不得小於 350mm(B)升降階梯欄杆,兩條扶手帶中心線之水平距離應不超過踏階寬度加 500mm(C)升降階梯,每分鐘 30 公尺以下者,坡度得超過 30 度,但不得超過 40 度(D)踏 階尺寸依進行方向量得之踏階,高度不得大於 240mm。
67. 三相四線制中,三相不對稱負載供電特點有(A)各相負載所承受的電壓為對稱的電源相電壓,與負載是否對稱無關(B)各線電流等於相應的各負載的相電流(C)中性線的作用:使三相電路能夠成為互不影響的獨立電路,無論各相負載如何變動都不影響各相電壓(D)中線電流等於三個負載電流的相量和。
68. 下列那些原因會使變壓器發出異常音響?(A)過負荷(B)內部接觸不良,放電打火(C)大電動機起動 使負荷變化較大(D)系統中有接地或短路。
69. 當一個電晶體截止時,下列敘述那些正確?(A)IB=0(B)VC E≒0(C) IE =0(D)V BE≒0。
70. 依 CNS 10594 規定,下列那些升降機得不設置調速機?(A)揚程在 15 公尺公下者(B)設置有捲揚用鋼索斷裂時,能自動阻止車廂之升降之制動裝置者(C)車廂之底面積在 1.5 平方公尺以下者(D)額定 速度在每分鐘 15 公尺以下者。
71. 有關使用中的彈簧功用,下列敘述那些錯誤?(A)保持機械元件的接觸彈性,避免鬆脫(B)增加機械的力量速度(C)吸收車廂的震動能量(D)利用彈簧產生的作用力,保持機件的接觸。
72. 易觸電時通過人體的電流強度取決於(A)人體電阻(B)對地電阻(C)對地電壓(D)觸電電壓。
73. 有關場效應電晶體的交流小信號等效電路模型,下列敘述那些正確?(A)id 電流源可以表示成順向互導 gm 與閘–源極間的電壓 vgs 的乘積(B)場效應電晶體閘–源極間接順向偏壓,使得閘極電流很大(C)閘極與源極間相當於開路(D)汲極與源極間的交流等效電阻 rd 很大,一般來說,我們會將其視為開路。
74. 下列那些記憶體於停電時,可以保持可程式控制器之指令及資料?(A) EE PROM(B)ROM(C) RAM(D) EPROM。
75. 帶平衡電抗器三相雙反星形可控整流電路中,平衡電抗器的作用是使兩組三相半波可控整流電路?(A)相串聯(B)相並聯(C)以 180 度相位差相並聯(D)單獨輸出。
76. 依 CNS 10594 升降機之升降路結構,下列敘述那些正確?(A)不得使升降路外面之人、物均不能與車廂或配重接觸(B)載貨用及病床用升降機之同一樓層所設之升降路出入口,不得超過一處(C) 車廂在各樓層停止時,出入口之樓地板與車廂地板邊緣應互相齊平(D)出入口處應設置不燃性材料之門扉。
77. 依職業安全衛生標示設置準則規定,其標示之形狀種類有(A)圓形(B)尖端向上之正三角形(C)正方形或長方形(D)尖端向下之正三角形。
78. 依建築法規定,建築物昇降設備專業廠商,應(A)依規定投保,指定最低金額時投保意外責任保險(B)指派專業技術人員安裝及維護(C)可將專業廠商登記證,提供他人使用或使用他人之登記證 (D)依規定保養台數,聘僱一定人數之專業技術人員。
79. 互感電動勢的方向與下列那些有關?(A)磁場的強弱(B)線圈的繞向(C)互感磁通的變化趨勢(D)線圈的匝數。
80. 一般在攻牙時,三支組螺絲攻其最大直徑,下列敘述那些錯誤?(A)都不同(B)第一攻較小,第二、三攻較大(C)第一、二攻較小,第三攻較大(D)都相同。