所屬科目:國中技藝-工業電子組
1. 如圖1-1所示電路,MOSFET 之臨界電壓 ( threshold voltage ) Vt = 2V,參 數K = 0.5mA/V2, RD = 2.2 kΩ,若已知 VD = 10.6 V,則 RS為何 ?
(A) 0.5 kΩ (B) 1 kΩ (C) 1.5 kΩ (D) 2 kΩ。
2. 一理想三級串級放大器電路,第一級電壓增益為 –10,第二級放大器電壓增益為 20 dB, 第三級放大器電壓增益為 10dB。則此放大器之總電壓增益為何?(A) 70dB (B) 50dB (C) 10dB (D) -10dB。
3. 圖 1-2 所示, 為共陰極的七段顯示器,當輸出數字為 3 時,則顯示器接 腳 ABCDEFG 的輸入電位依序列出,下列何者正確?( 註: 1 代表高電 位,0 代表低電位 )
(A) 0110000 (B) 0000110 (C) 1111001 (D) 1001111
4. 將一個五環色碼電阻串接直流安培計,再串接於12.4V之直流電壓源,安培計讀值為2 mA,此色碼電阻的色環依序 ( 第一環至第五環 ) 可能為何?(A) 藍紅黑橙棕 (B) 藍紅黑 紅棕 (C) 藍紅黑黑棕 (D) 藍紅黑棕棕。
5. T T L 數位電路的輸入端高電位 (H) 與低電位 (L) 是由下列何種電位範圍來區分: (A) 0.8 V 以下為 L,2.4V 以上為 H (B) 0.4V 以下為 L, 2.0V 以上為 H (C) 0.8V 以下為 L,2.0 V 以上為 H (D) 0.4V 以下為 L,2.4V 以上為 H。
6. 一正回授電路欲使其產生正弦波振盪時,則環路增益(Loop Gain) 應大約等於 (A) 0 (B) 1 (C)√29 (D)√2 。
7. 1GB的記憶體至少需要幾條位址線來定址? (A) 8條 (B) 16條 (C) 24條 (D) 32條。
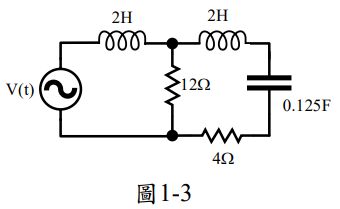
8. 如圖1-3 所示之交流穩態電路,若 v (t )= 10 √2 cos(2t)V ,則流經4Ω電阻之電流有效值為何?
(A) 0.5A (B) 1.5A (C) 2A (D) 4A 。
9. 如圖1-4 所示電路,若R1=20KΩ ,R2=20KΩ ,求Ri = ?
(A) 10KΩ (B) 20KΩ (C) 30KΩ (D) 40KΩ 。
10. 如圖1-5 所示電路,假設電容值皆為10μF ,A、B兩點間之總電容量 CAB=
(A) 10μF (B) 20μF (C) 15μF (D) 40μF。
1. 如圖 2-1 所示,有一 RL 串聯電路, R=6Ω,L=6 mH,電壓源 V(t) = 120 sin(1000t + 45° ) V, 則此電路之電流 i (t) 為何? =___________。
2. QA, QB, QC會呈現甚麼狀態? _________
3. 同上題,CLOCK 為 1KHz,則 QC 的輸出頻率為? = ____________。
4. 如圖2-3所示電路,BJT之β = 50,VBE = 0.7 V,且 VCC = 10.7 V、 RC = 1 kΩ,若VCE = 5.7 V,則 RB應為何? ___________
5. 如圖 2-4 所示電路,假設 R1=10KΩ,R2=40KΩ,Vref=0V,請問遲滯電壓 VH=_______。
6. 如圖2-5所示電路,請問工作週期為_____________。
7. 如圖2-6所示,請問VB的電壓為何? _____________
8. 如圖2-7所示,F = f (A,B,C),求輸出F最簡的積之和(Sum of Product)方程式___________ 。
9. 如圖2-8的程式中,程式的執行結果,sum = _________
10. 將十進制數值 – 128 ( 10 )表示成一個 8 位元的二進制數字____________(系統採用2 的補數 來表示負數)
三、計算與設計題1. 請使用邏輯閘畫出一個 2 對 1 的多工器電路。
2. 請用一個 OPA 和若干個電阻畫出一個加法器電路,使 Vo=V1+V2。
3. 請用畫出一個 4-bit 的 R-2R 電路,並標示輸入(D3~D0)和輸出(OUT) 。D3 為 MSB, D0 為 LSB。
4. 如下圖,請設計一 SR Latch 電路,當開關從 NC 撥到 NO 時,輸出 Q 由 0 變 1。