所屬科目:台水評價◆配管與儀器操作原理
1. 下列述敘銅管材料,何者為銅+鋅合金?(A)白銅 (B)黃銅(C)青銅 (D)紅銅
2. 安裝凸緣接頭時,其螺帽先使用適當工具鎖緊,最後再以何種扳手確定鎖緊標準?(A)活動扳手 (B)棘輪扳手(C)開口扳手 (D)扭力扳手
3. 螺栓固定法蘭之數目,依壓力情況而有所不同,試問其螺栓數目都應為多少之倍數?(A) 3 (B) 4(C) 5 (D) 6
4. 本日進行污水管裝配作業,請問進入材料室後,應走向管材外觀為何種顏色之區域,進行尺寸挑選? (A)黑色 (B)黃色 (C)橘紅色 (D)淺綠色
5. 工作圖上所標示管材之英文縮寫代號為「CuP」、「BIP」、「PVCP」,請問下列選項之管材未出現於工作圖上?(A)銅管 (B)黑鐵管(C)塑膠管 (D)鍍鋅鋼管
6. 下列為常用之管配件,試問何者會改變流體方向?(A)彎頭 (Elbow) (B)立布 (Nipple)(C)由令 (Union) (D)卜申 (Bushing)
7. 近年來HDPE管材廣泛應用於各種領域,試問HDPE代表以下何意?(A)纖維強化塑膠 (B)高密度聚乙烯(C)加勁混凝土 (D)鋼襯混凝土
8. 開口扳手如右圖所示,試問圖中17代表何意?(A)扳手總長度為17公分(B)扳手總長度為17吋(C)扳手最大厚度為17公厘(D)扳手開口寬度為17公厘
9. 一般廚房污水都會排至屋外,若排水管長為3.6公尺,斜度為1:50,試問下列敘述何者正確?(A)排水管最末端下降7.2公分(B)排水管最末端下降14.4公分(C)排水管最末端上升7.2公分(D)排水管最末端上升14.4公分
10. 有兩支塑膠管,一支為六分管(3/4″),另一支為四分管(1/2″),分別進行彎曲半徑80mm,彎曲角度90度之彎管作業,試問彎曲弧長各為多少? (A)兩者同為109.9mm (B)兩者同為125.6mm (C)六分管為109.9mm,四分管為125.6mm (D)六分管為125.6mm,四分管為109.9mm
11. 今日進行四分(1/2″)塑膠管裝配作業,施作前繪製雙線落樣圖,試問其平均外徑為多少?(A) 16mm (B) 18mm(C) 22mm (D) 26mm
12. 有關四分(1/2″)塑膠管擴管長度,下列選項何者最適當?(A) 22mm (B) 25mm(C) 28mm (D) 33mm
13. 下列為塑膠管零件,試問何者為「塑膠閥接頭」?(A) (B)(C)(D)
14. 請問下列零件與其用途敘述何者有誤?(A)彎頭:改變方向用 (B)管塞:吸收應變用(C)漸縮管:改變管徑用 (D)直接頭:延續管路用
15. 請問管鉗扳手鉗口內側成齒狀的目的?(A)增加美觀 (B)操作方便(C)增加夾緊力道 (D)降低生產成本
16. 連日下雨,採購人員欲購買之零件品名被沾濕,導致品名顯示模糊,只剩下規格可以判斷,其規格為「16A×90°(Ts×F),內襯銅」,試問依據規格判斷,公司欲採購之零件為以下哪一個選項? (A)塑膠彎頭 (B)塑膠異徑接頭 (C)塑膠龍頭接頭 (D)塑膠龍頭彎頭
17. 某公司至國外設廠,當地工作人員設置一支5呎5吋的管子接到加工機,試問該長度約等於以下哪一個選項? (A) 120公分 (B) 165公分 (C) 183公分 (D) 203公分
18. 某水池長為10公尺,寬為5公尺,當一支每分鐘可流出800公升水量的水管,50分鐘後加滿該水池,試問水池深度為何? (A) 40公分 (B) 60公分 (C) 80公分 (D) 100公分
19. 浴室內之洗手台及洗衣機接在同一支水管,洗衣機保持常開狀態,將洗手台之水龍頭瞬間關閉時,洗衣機後方軟管會產生震動,試問此種現象稱為什麼作用? (A)驅動作用 (B)虹吸作用 (C)毛細作用 (D)水錘作用
20. 三支管徑不同,分別為A:直徑20cm、B:直徑16cm、C:直徑12cm,流速不同,分別為A:2m/s、B:4m/s、C:6m/s,比較其三者之流量? (A) B > A > C (B) B > C > A (C) C > A > B (D) C > B > A
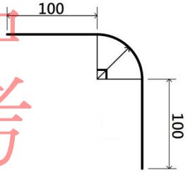
21. 右面示意圖為某已完成彎曲作業之塑膠管,其前後端各為100mm,總長為341.3mm,試問此塑膠管之彎曲半徑為多少mm? (A) R70 (B) R80 (C) R90 (D) R100
22. 銅管之接合一般都採用何種方式?(A)壓接 (B)螺紋(C)膠合 (D)銲接
23. 自來水管有縱向(與管平行)拉力之虞時,若考量會有斷裂之慮,應避免使用(A)機械接頭接合 (B)螺紋接合(C)銲接接合 (D)由令接合
24. 當管內流體之壓力超過某一設定值時,該閥可自動打開釋放壓力者為(A)閘閥 (B)浮球閥(C)安全閥 (D)止回閥
25. 延性鑄鐵管機械接頭會使用的配件包括哪些?(A)壓圈、T頭螺栓、橡膠圈、螺帽(B)壓圈、六角螺栓、橡膠圈、螺帽(C)滑入凸緣、T頭螺栓、墊片、螺帽(D)滑入凸緣、六角螺栓、墊片、螺帽
26. ϕ100公厘之鋼管給水管其支架間距宜為幾公尺?(A) 1.8 (B) 3.5(C) 4.5 (D) 6
27. 機械接頭之接合,首先應將下列何項附件套入插口端?(A)墊片 (B)橡膠套(C)壓圈 (D)螺栓
28. 存水彎水封深度為幾公厘?(A) 50~100 (B) 100~150(C) 150~200 (D) 200~250
29. 在管線圖中之異徑彎頭應採何種方式繪製?(A)單線 (B)雙線(C)粗黑線 (D)斜線
30. 使用下列何種機具切斷鋼管,其所產生的毛邊最少?(A)鉸牙機 (B)擴管器(C)攻牙機 (D)金屬圓鋸機
31. 自來水管與非自來水管路連接之狀況稱為:(A)錯接 (B)異接(C)順接 (D)逆接
32. 水管內壁實施水泥襯裡之主要目的為:(A)增加管體美觀 (B)止洩(C)防蝕 (D)增加管體重量
33. 下列何者是由鑄鐵管分歧用戶給水管時使用?(A)伸縮管 (B)接合管(C)止水栓 (D)給水栓
34. SP是何種管之代號?(A)塑膠管 (B)鋼管(C)銅管 (D)鉛管
35. 下列何種管件需明管裝置不得暗管配置?(A)由令 (B)直型接頭(C)彎頭 (D)彎管
36. 下列哪些設備裝設有浮球閥?(A)熱水器 (B)小便斗(C)馬桶 (D)水塔
37. 下列英文縮寫哪些屬於金屬類管材?(A) BIP (B) RCP(C) LP (D) CIP
38. 市售四分水龍頭,如右圖所示,請問可以使用哪些工具鎖緊?(A)盆底鉗(B)活動扳手(C)開口扳手(D)梅花扳手
39. 下列敘述何者正確?(A)鑄鐵管之接合方式,常採用鉸紋接合(B)塑膠管通常會使用於熱水供給系統(C)鍍鋅鋼管連接可採用螺紋接合(D)不銹鋼管之接合可採用壓縮接合方式
40. 各圖各有A、B兩支管,中間皆有擴口,而箭頭代表水流方向,試問下列哪些擴口方向與水流方向配對正確?(A)(B)(C) (D)
41. 泵以主體運動型式分類,下列哪些屬於旋轉泵?(A)螺旋泵 (B)再生泵(C)軸流泵 (D)柱塞泵
42. 下列選項哪些為密合墊主要的決定因素?(A)溫度 (B)壓力(C)重量 (D)費用
43. 下列哪些為連接不同管徑之零件?(A)立布(Nipple) (B)襯套(Bushing)(C)漸縮管(Reducer) (D)管套節(Union)
44. 請問下列哪些銲接方式其母材會被熔化?(A)電銲 (B)銀銲(C)氬銲 (D)錫銲
45. 鑄鐵管接合方式通常會使用下列何種接頭?(A)臼口接頭 (B)機械接頭(C)平口接頭 (D)銲接接頭
46. 凸緣接頭接合配件包括那些材料?(A)T頭螺栓 (B)六角螺栓(C)墊片 (D)螺帽
47. 下列敘述何者正確?(A)熱會影響支撐點移動(B)管路支撐系統應使管線固定不因任何因素而移動(C)管掛架會因熱而移動(D)熱位移會使管架負荷改變
48. 請問建築物樓房在下列樓層中,揚水管或下水管應設專用管道或明管,不得埋設於柱內?(A) 3樓 (B) 5樓(C) 8樓 (D) 10樓
49. 下列何者與水壓試驗工作有關?(A)管內充滿氮氣 (B)試驗壓力(C)持續時間 (D)消毒
50. 下列何者為管體鑽孔之目的?(A)分接管線 (B)裝置分水栓(C)裝置壓力表 (D)不同管材之接合