所屬科目:台電中油◆汽車學概論及機械常識
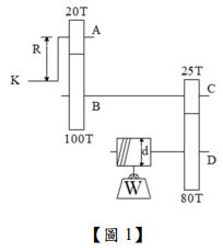
二、問答與計算題: 1.如【圖 1】所示起重機輪系,齒輪 A、B、C、D 齒數分別為 20 齒、100 齒、25 齒、80 齒,已 知曲柄 K 的半徑 R 為 20 cm,捲筒直徑 d 為 16 cm,若在曲柄上施力 F=50 N,不計摩擦損失 下,則能吊起的重量 W 為多少 N?(15 分)