所屬科目:教甄◆生活科技專業
2. 下圖為使用快速成型技術產出的金屬零件,請問下列何種技術可用來生產該零件? (A)FDM (B)LOM (C)SLA (D)SLS。
4. 參考下圖的應力應變圖,請 問哪種材料最具延展性? (A)A 材料 (B)B 材料 (C)C 材料 (D)D 材料。
15. 下圖為全剛接的框架結構物,共使用了 10 個桿件,請問它的靜不定次數為何? (A)4 (B)8 (C)12 (D)16。
20. 如下圖所示之桁架結構,「零桿」總共有多少根? (A)2 (B)3 (C)4 (D)5。
25. 欲用Arduino製作一個簡易零錢防盜器如下圖,使錢幣拿起,紅色LED燈會亮起,錢幣放下,紅色LED燈會熄滅,請問下列關於此裝置的敘述,何者不適當? (A)LED與電阻串連的原因為避免電流過大使LED燒掉 (B)零錢與電阻串連的原因為 避免腳位偵測不到零錢電壓 (C)本裝置程式原理為,當零錢拿起造成斷路使腳位12 未偵測到電壓,促使腳位3提供電壓使LED燈亮起 (D)本裝置兩個電阻值不相同,與零錢串連的電阻值比與LED串連的電阻值大。
27. 下圖為一個簡易光控 LED 燈,當環境變暗時,電路上的 LED 燈將亮起,環境變亮時,LED 燈就會 熄滅,請問下列敘述何者不正確? (A)本電路包含的電子零件有電池、電阻、LED、電 晶體、光敏電阻 (B)當光敏電阻值為 50K 歐姆, LED 不會亮起 (C)LED 是否亮起與電晶體 VBE有 關聯 (D)光敏電阻值會隨著環境光增強,電阻值下降。
28. 下圖是利用 Arduino 數位接腳 Pin9 接 LED 燈的程式,試問輸出結果如何? (A)LED 燈亮 30 毫秒,暗 30 毫秒,不斷重複 (B)LED 燈每隔 5 毫秒漸漸變亮,再每隔 5 毫秒漸漸變暗,不斷重複 (C) LED 燈每隔 30 毫秒漸漸變亮,再每隔 30 毫秒漸漸變暗,不斷重複 (D)LED 燈亮 5 毫秒,暗 5 毫秒,不斷重複。
29. 安安在透過 Arduino PWM 接腳控制馬達轉速 的實驗中,將馬達的接腳分別接到 Uno 主板的5 和 6 孔位,程式碼如下圖。若其使用之省電 直流馬達輸入電壓為 2V 至 8V,所需電流為 30mA,則下列敘述何者錯誤? (A)安安使用 analogWrite()函式輸出類比訊號 (B)在第 5 行至第 7 行程式中,馬達會接受約5V 電壓高速旋轉 (C)當執行至程式碼第 14 行 至第 16 行,馬達會接受約 3V 電壓,維持該轉速 2 秒 (D)執行此程式時,馬達的轉速將會由快到慢,然後停止,並以此方式不斷反覆執行。
2.請依下方三視圖畫出正確的立體等角圖。
2.桁架規格如下圖所示,D 點受力向下 140kg,請問 AD 桿件受力情形為何?(需標明壓力或是拉力)(4 分)
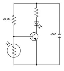
3.如下圖所示,T1 與 T2 為共點力,合力為 R,已知 T2 大小為 5kg,請問 T1 大小為何?(4 分)