所屬科目:國中技藝◆電機電子群
202. 在Microsoft Word中,下列何者與右圖按鈕的功用最相關?(A)清除(B)文繞圖(C)色彩填充(D)複製格式。
204. 在Word表格中,欲將儲存格內容作如附圖的設定,須至「表格/表格內容」設定儲存格對齊為? (A) (B) (C) (D)
211. 在Excel格式工具列中的,其主要功能為何(A)加大字元間距 (B)合併儲存格並置中對齊(C)將儲存格填滿(D)左右對齊。
214. 在簡報系統中,下列哪一個顯示「播放」模式(A) (B) (C) (D)
215. 在簡報系統中,下列哪一個顯示「瀏覽投影片」模式(A) (B) (C) (D)
217. 電流1安培是指(A)每秒鐘通過一個電子(B)每秒鐘通過個電子(C)每秒鐘通過1庫侖的電量(D)每秒鐘通過107個電子。
218. SUM()為加總函數,下列何者工具按鈕可快速設定加總之計算為自動加總?(A) (B) (C) (D)
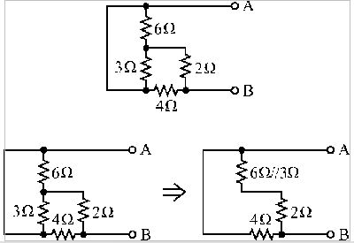
230. 圖中線路總電阻為(A)40(B)4(C)50(D)60
232. 如圖之電路中,A、B端點間的電位差等於多少V?(A)3(B)-3(C)5(D)-5V
236. 如圖所示,=12V,則線路總電流為(A)0.5(B)1(C)1.5(D)2A
240. 如圖電路中,試計算a、b兩點之間的電阻等於(A)3(B)6 (C)8(D)9Ω
243. 參考下圖所示,AB間總電阻為(A)1.33(B)2(C)4(D)0Ω
246. 有3個電阻並聯的電路,其電阻值分別為5Ω、10Ω、20Ω,如果流經20Ω電阻的電流為1A,則此電路總電流為多少?(A)3(B)5(C)7 (D)9 A。
247. 如圖所示電路,ab間之等效電阻為? (A)45Ω (B)30Ω (C)15Ω (D)7.5Ω。
250. 屋內配線設計圖之符號為(A)出口燈(B)日光燈(C)白熾燈(D)壁燈。