所屬科目:教甄◆電子科/資訊科/電機科/冷凍空調科/控制科/電機空調科
2. 如下圖所示為多範圍直流電壓表,電表之Rs=1kΩ,Ifs=50μA,使電壓表分別量測10V及50V,則R2值應為 多少? (A)199KΩ (B)800KΩ (C)999KΩ (D)900KΩ
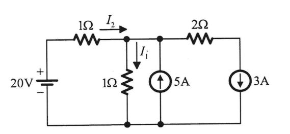
3.如下圖所示電路,試利用迴路電流法求I2為何? (A)2A (B)1A (C)3A (D)5A
4.如下圖所示電路,Q1=+36x10-9庫倫,Q2=-3 2 X10-9庫倫,兩電荷相距10m,試求A點的電場強度為多 少(牛頓/庫倫)? (A)9 (B)-9 (C)126 (D)27
5. 如下圖所示電路,其中L1=L2=5H,兩者之間合係數為0.8,則兩電感器所儲存的總能量為多少焦耳? (A)25 (B)225 (C)125 (D)75
6.如下圖所示電路,磁通密度B=2 韋伯/平方公尺,若導體向右移動的速度V=10公尺/秒,則導體的感應電動勢 大小為何(伏特)? (A) 50√3 (B)5√3 (C)10 (D)10√3
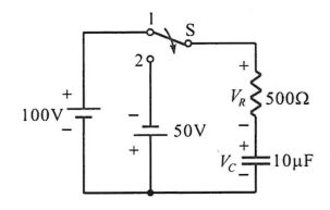
7.如圖所示,若電路已穗態,當t=0時,開關S由1到2則VR值為多少伏特? (A)-150e-200t (B) 50 - 150e-200t (C) 50e-200t (D) 50 + 150e-200t.
8.有一正弦波電屋,頻率為50Hz,當時·達到最小值-10V,則此電壓方程式為何?
9. 某一交流系统,電壓為100sin100t負載消耗的平均功率為3KW,功率因數為0.6(滯後),若要提高系統的 功率因數至1.0,則需並聯多少容量的電容器? (A)8000μF (B)4000μF (C)80μF (D)40μF.
10.如下图所示RLC串並联交流电路,若試求電流為何? (A)2∠53° (B) 2∠233* (C) 4∠53* (D)-2∠53* A
11.如圖所示電路,若輸出RL=5KΩ之負栽,且連波因數不得高於0.005,則濾波電容C最小值應為少 (A)48μF (B)96μF (C)192μF (D)240μF
12.如下圖所示電路,若稽納二體(Zener Diode)之崩潰電壓 Vz=6V,崩潰膝點電流Izk=1mA,最大崩潢電 流Izm=16mA,忽略稽納電阻,在正常穩壓狀態維持Vo=Vz=6V,則負載電阻 RL之最小值為何? (A)4.7kΩ (B)3.5kΩ (C)2.4kΩ (D)1. 2kΩ
13.如下圖所示LED的驅動電路,使LED 發亮的電壓為2V,電流為 15mA·假設飽和電晶體之VCE(sat)電壓降可忽略 不計,試求RB、Rc的適當電阻值? (A)15kΩ,200Ω (B)15kΩ,100Ω (C)25kΩ,100Ω(D)25kΩㆍ200Ω
14.如下圖所示所示之電路,已知 VEE=10V ,R1=10KΩ,R1=10KΩ , R2=40KΩ,RE=1.5KΩ , 試求VCE 值為(A)+8.7V (B)-8. 7V (C)+7.7V (D)-7.7V
15.如下圖所示CB放大電路,若電晶體為矽質,β=100,Rc=2KΩ,RE=4KΩ,Vcc=9V,VEE=4.7V,列 何者正確: (A)輸入阻抗Zin=2.5K (B)輸出阻抗Zout=4KQ(C)壓增益Av=80(D)电流增益Ai=0.8
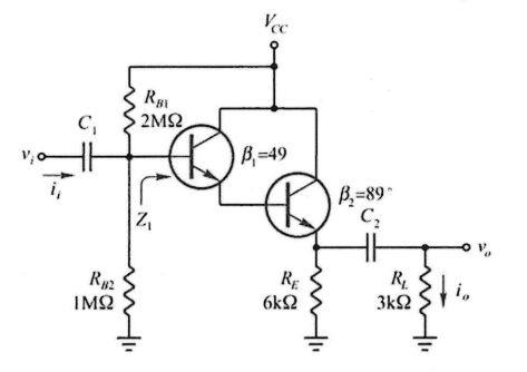
16.如下圖所示,假設經由小讯號分析及考虑效應後得知Z1=2MΩ,則其電流增益為 (A)4500 (B)3000 (C)1000 (D)750
17.如圖所示,在電路未飽和情形之下,輸出電壓Vo與輸入電壓V1、V2之關係為 (A)-9V1 + 5V2 (B)-6V1+3.5V2(C)-6V1+5V2(D)-9V1+3.5V2
18.如下圖所示電路,其中VDD =12V,RD1=3KΩ,RD2=3.5KΩ,Rs1=1KΩ, Rs2=2.5KΩ,R1=R2= 2MQ,若二个MOSFET的特性参数為VT1=2V, VT2=1V , K1=0.5mA/V2,K2=0.3mA/V2,又已知 MOSFET電晶體放大等效電路中的電導9m2=1.2ml,請問此電路之電壓增益約為多少? (A)12.6 (B)16 (C)25.2 (D)32
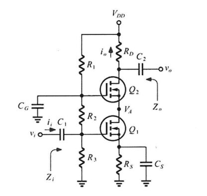
19.如下图所示电路,其中VDD=12V,RD=3KΩ · Rs=0.5kΩ , R1=R2=R3=2MΩ,若二個 MOSFET的特性 参数為VT1=VT2=1V , K1=K2=0.5mA/V2,请問此電路之電壓增益約為多少? (A)-3 (B)-4 (C)-5 (D)-6
20.如下圖所示之DMOSFET放大電路,已知DMS之夾止電壓Vp= - 2V , IDSS=6mA·若VDD=9V,RG= 1.2MΩ,Rs=2KQ則此電路之交流輸出阻抗Zo為何?(A)2kΩ (B)1. 2kΩ (C)0.6kΩ (D)0. 4k Ω .
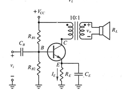
1.如下圖所示,操作於作用區之電路,若直流偏壓電流IE=1.25mA,熱電壓VT=25mV, B=150,負載喇叭阻 抗RL=30Ω,電壓增益約為多少?
2. 如下圖所示,主動式帶通濾波器,其高頻截止頻率為∫H,低頻椒頻率為∫L,若C2=5C1,R2=4R1,則∫H/∫L之值為何?
3.如圖所示電路,假設使用理想運算放大器,R1=R4=10kΩ,R2=20kΩ , C1=0.24F , C2=0.1F,求在 巴克豪生(Barkhausen)準則下使此電路產生振的R3值為何?
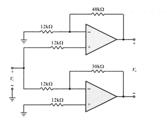
4.如下圖所示之理想運算放大器電路,该放大器電路為單端信號输入,差動輸出,求電壓增益Av=Vo/Vi為何?
5. 如下圖所示之運算放大器電路,若V為正負峰值5V之三角波·V2=+5V,則輸出電壓Vo為工作週期多少之脈 波?
6.加在一電路上之電壓v(t)=100sin(wt+30°)V,通過電流i(t)=5sin(wt+60°)A。試求電源所提供之最大瞬 間功率為多少?
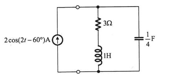
7. 如圖所示RLC並聯諧振電路,試求此電路的上限截止頻率∫H為何?
8.如下圖所示電路,試求此電路的I1+I2之值為多少?
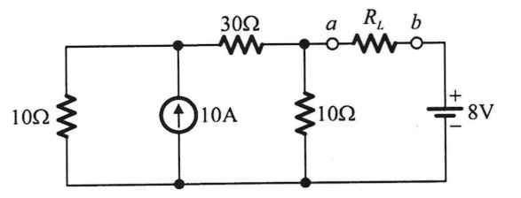
9.如下国所示电路,試將a·b雨點電路化為諾頓等放電路:若RL=12Ω時,電路之諾頓等效電流為IN及负載電 流為IL,試求IN+IK之值為多少?
10. 如下圖所示電路,從電流源端看出之電路等效阻抗為多少?
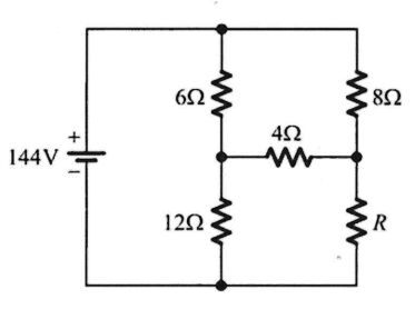
1. 如国所示電路,如果要使電阻R獲得最大功率輸出,試求電阻R值為若干?並求電阻R所得的最大功率為 若干?(4分)
3. 如下圖所示Y-△三相電路,若發電機相序為 ABC, ,試求負載測之 (1)線電壓 (2)相電壓 (3)線電流 (4)總平均功率PT(8分)
4. 如圖所示為密特觸發電路,若電源電壓為±10V,參考電壓Vref=2V,輸入電壓Vi=6sin πt V,電阻 R1=2KΩ及R2=8KΩ,試求電路的 (1)上臨限電壓Vu、(2)下限電壓VL,(3)遅滯電壓VH,(4)繪出輸出波形?(8分)
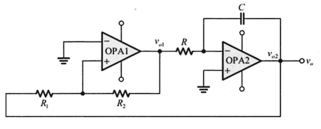
5.利用CMOS設計出符合的數位電路。 (6分) 如下圖所示電路,若R1=5KΩ、R2=10KΩ、R=10KΩ及C=0.1μF, OPA之出飽和電壓為12V,試求 (1)v02的峰對峰值、(2)振盪週期T,(3)繪出vo1·vo2之波形及相對相位關係 (8分)