所屬科目:船用電機與自動控制(概要)
8. 如圖所示的電路,求電壓E的值為多少? (A) 23V (B) 42V (C) 63V (D) 77V
14. 在回授控制系統方塊圖中,訊號線 e 代表下列何種訊號? (A) 輸出訊號 (B) 回授訊號 (C) 誤差訊號 (D) 設定訊號
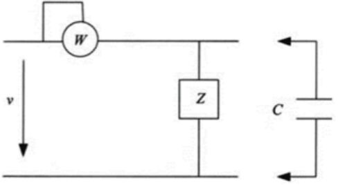
23. 某負載Z接於v=200 V,f=50 Hz的電源上;功率錶測得該電路的功率為2 kW。現將=20Ω電容並聯到電路上(如圖所示),則功率錶的讀數變為:(A) 2 kW (B) 4 kW (C) 6 kW (D) 8 kW
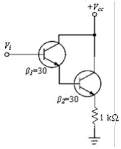
27. 如附圖所示,達靈頓電路之電流增益近似值為多少?(A) 1 (B) 30 (C) 60 (D) 900
31. 若磁場的磁通量為Φ,磁力線通過的面積為A,磁場強度為H,導磁係數為μ,則彼此的關係為: (A)H=μAϕ(B)H=(C)H=(D)H=
36. 電路如附圖所示,已知:R1=5R3,R2=4R3,I1=5A,則I2=?(A) 4 A (B) 1 A (C) 5 A (D) 0.67 A