所屬科目:船用電機與自動控制(概要)
1. 關於增大比例增益係數KP之控制效果,下列何者正確?(A) 增加穩態誤差(B) 減小上升時間(C) 延長調整時間(D) 減小超越量
2. 主機遙控系統中,在下列何種情形下,主機將自動停俥?(A) 主機超速(B) 掃氣進口高溫(C) 掃氣壓力過低(D) 主冷卻淡水溫度過低
3. 一般船舶監控系統的設立,其策略是按照為下列哪一種保養進行的?(A) 修正性保養(B) 預防性保養(C) 依情況保養(D) 不定時保養
4. 控制系統當中其功能猶如人之耳目、觸覺、味覺等的裝置為何?(A) 比較器(B) 調節器(C) 感測器(D) 回饋器
5. 白金製作之電阻式溫度計之電阻與溫度特性,主要呈現何種關係?(A) 沒有關係(B) 線性關係(C) 平方關係(D) 非線性關係
6. 三台匝數比為10:1的相同單相變壓器接成Δ–Y接線時(一般正常接線),一次側與二次側線電壓大小的比為何?(A) 1:1(B) 5.77:1(C) 10:1(D) 17 .32:1
7. 一般交流發電機依冷卻方式來分類不包括哪一種?(A) 空氣冷卻(B) 水冷卻(C) 氫氣冷卻(D) 冷媒冷卻
8. 十個電阻並聯其電阻阻值分別為1Ω至10Ω,其並聯後的總電阻為何?(A) 等於55Ω(B)等於Ω(C) 小於1Ω(D) 介於1Ω到10Ω之間
9. 一般交流發電機產生交流電後欲轉換成直流電,要使用何種裝置來完成?(A) 變頻器(B) 變壓器(C) 放大器(D) 整流器
10. 下列那一個不是空氣斷路器通常設置的安全裝置?(A) 短路跳脫器(B) 失壓保護器(C) 低負載保護器(D) 過電流保護器
11. 下列何者適合用於判斷控制系統的反應速度?(A) 上升時間(Rise time)(B) 超越量百分率(Percent of overshoot)(C) 穩態誤差(Steady state error)(D) 輸入形式
12. 下列何者適合用於判斷控制系統的準確度?(A) 上升時間(B) 超越量百分率(C) 穩態誤差(D) 峰值大小
13. 下列何者不是氣壓控制系統的優點?(A) 安全可靠(B) 輸出力大(C) 可遠距離傳輸(D) 可過載保護
14. 在液壓傳動系統中的液壓驅動缸或液壓馬達屬於下列哪一種裝置?(A) 能源裝置(B) 致動裝置(C) 控制裝置(D) 感測裝置
15. 下列何者不為油壓控制系統中壓力控制迴路的一種?(A) 平衡迴路(B) 卸載迴路(C) 調壓基本迴路(D) 差動迴路
16. 一般發電機過熱,其主要原因不包括下列哪一項?(A) 過載(B) 線圈短路(C) 絕緣不良(D) 激磁過大
17. 60Hz、4極感應電動機其轉速為1530rpm,其轉差率為何?(A) 0.05(B) 0.10(C) 0.15(D) 0.20
18. 如圖,流經10kΩ的電流為多少安培?(A) 3.0mA(B) 2.0mA(C) 1.5mA(D) 0.5mA
19. 三相感應電動機轉子方面速度控制的方法中,會嚴重降低效率不適合長時間使用的為以下哪一種?(A) 改變外加電壓(B) 改變轉子外加電阻大小(C) 改變電源的頻率(D) 改變極數
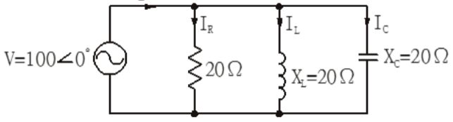
20. 如圖所示,下列敘述何者有誤?
(A) 總阻抗為10Ω(B)IR電流為5A(C)IC電流為5A(D) 總電流I為5A
21. 一個60Hz的交流電壓經全波整流後,負載上之電壓波形頻率為何?(A) 240 Hz(B) 120 Hz(C) 60 Hz(D) 30 Hz
22. 如圖所示為何種電路?
(A)倍壓電路(B)限制電路(C)整流電路(D)濾波電路
23. 有關電動舵機的電力與控制的要求,下列所述何者正確?(A) 應設有專用的柴油發電機以保證其供電之可靠(B) 為使電動機不致於過載燒毀,電動機不應發生堵轉(C) 通常分左右兩舷兩路饋線方式向舵機室供電,並與緊急電源相連(D) 舵機主電源失效時,緊急電源應能在3分鐘內自動供電
24. 下列何者適合用於判斷控制系統的相對穩定性?(A) 上升時間(B) 超越量(C) 穩態誤差(D) 精密度
25. 柴油主機在低速加速過程中,為避免油多氣少而引起燃燒不良,通常主機會設置何種限制的控制系統?(A)最小油量(B)最大油量(C)轉矩(D)增壓空氣壓力
26. 駕駛台與機艙的副俥鐘(Sub-telegraph)有三對的帶燈按鈕,其分別是備俥按鈕(Standby)、定速航行按鈕以及何按鈕?(A) 暖機(Warm-up)(B) 跳脫(Engine trip)(C) 完俥(Finish with engine)(D) 錨泊(Anchorage)
27. 調速器加裝速度下垂(Speed droop)機構之主要功能為何?(A) 提高調速準確度(B) 提高負載分配的穩定性(C) 提高調速靈敏度(D) 提高調速機動性
28. 一般船舶使用的氣泡逸出式液位感測器(Air purge type level detector),因空氣逸出管最終平衡壓力為該液柱高所對應之背壓,因此是屬於:(A)浮力式(B)靜壓式(C)聲波式(D)電磁感應式
29. 螺旋槳的特性曲線,表示出柴油主機的輸出功率和螺旋槳轉速成幾次方的關係?(A) 1次方(B) 2次方(C) 3次方(D) 4次方
30. 主機操控系統安全裝置,當發生自動跳脫(Auto trip)警報後,若故障已排除,除了按復歸(Reset)鈕外,尚需何種動作始能復歸起動主機?(A) 將燃油桿歸零(B) 將俥鐘桿移到停俥位置(C) 將起動桿重新起動(D) 取消自動加俥程序
31. 二台同步發電機並聯運轉後,但發現電路系統之頻率略高於額定頻率,應如何手動調整至額定頻率?(A)調節二台發電機減少負載分配(B)操作二台發電機的調速器伺服器馬達的調整手柄,使之同時向「快」的方向調整(C)操作二台發電機的調速器伺服器馬達的調整手柄,使之同時向「慢」的方向調整(D)調節兩機之激磁電流
32. 二進位數(01101110)2之二的補數為:(A)1010011(B)10011010(C)10010010(D)110011
33. 有一部交流三相感應電動機,跨於電壓440V,頻率60Hz 之三相交流電路上,取用電流為20A,功率因數為0.85,求吸收實功率為多少馬力?(A) 17.37 HP(B) 18.56 HP(C) 20.43 HP(D) 22.58 HP
34. 高電壓如6600V的電路系統,為了消除其開啟或關閉時所發生的大電弧,可採用下列那一個斷電器?(A) 真空斷電器(B) 空氣斷電器(C) 無熔絲斷電器(D) 模組式斷電器
35. 根據蓄電池電解液的濃度判定充、放電之程度為何種蓄電池?(A) 鉛蓄電池(B) 鹼性蓄電池(C) 鋅-銀蓄電池(D) 鎘-鎳蓄電池
36. 空氣斷路器(ACB),一般裝設在主配電盤上何處?(A) 饋電盤(B) 同步控制盤(C) 發電機控制盤(D) 艏推進器箱內
37. 控制系統四個基本單元不包含下列何者?(A) 控制對象(B) 量測單元(C) 控制單元(D) 輸出單元
38. 兩台同容量的同步發電機並聯運轉,若兩者電流相同,功率因數不相等,則兩發電機:(A) 有效功率分配均勻,無效功率分配不均(B) 無效功率分配均勻,有效功率分配不均(C) 有效功率和無效功率分配都不均勻(D) 有效功率和無效功率分配都均勻
39. 在主配電盤的供電盤上不裝有:(A) 絕緣錶及絕緣指示燈(B) 同步錶及同步指示燈(C) 與岸電聯接箱相連的岸電開關及相序指示燈(D) 主配電盤與緊急配電之間的聯絡開關
40. 剛修復的直流並激式發電機,磁極有剩磁,雖然原動機已達額定轉速,但發電機仍不能產生電壓,下列原因何者為錯誤?(A) 場電阻太大(B) 發電機轉向相反(C) 負載電阻太高(D) 電刷斷路或接觸不良