所屬科目:泉勝◆基本電學(下冊)
1.RLC 串聯電路裡,頻率 f 由 0 逐漸調高,=2πfL 將會逐漸變大,=1/(2πfC)將會逐漸變小,將會有一個頻率 f,使得,稱此 f 為諧振頻率,符號是f0。(A)O(B)X
2.RLC 串聯電路裡,諧振時。(A)O(B)X
3.RLC 串聯電路裡,諧振時,,由於兩者相位相反,互相抵銷,所以電路阻抗達最小,Z=R。(A)O(B)X
4.RLC 串聯電路裡,諧振時電路阻抗達最小,電流達最大,I=V/R。(A)O(B)X
5.品質因數(quality factor,Q)之定義為:電路諧振時的電感抗虛功率()與電阻平均功率() 之比值:Q=。(A)O(B)X
6.由 Q=,功率共有 3 種計算方式,分別是 I2R、IV 與 V2/R,因為串聯時,電流都相同,所以。(A)O(B)X
7.由 Q=推得。(A)O(B)X
8.Q 越大,表示電路的損耗愈小,效率愈高。(A)O(B)X
9.RLC 串聯諧振時,=V/Q,V 為電源電壓。(A)O(B)X
10.RLC 串聯諧振時,=V/Q,V 為電源電壓。(A)O(B)X
11.兩支相同震動頻率的音叉放在一起(請留意沒有接觸),只要敲打其中一支,則另一支也跟著震動,發出聲響,此稱為諧振。(A)O(B)X
12.RLC 串聯電路裡,諧振時,電流最大,頻率調高、調小,電流都會變小,由電流最大值下降至最 大值的 0.707 倍,兩者之間對應的頻率範圍稱為頻帶寬度(bandwidth,簡寫為 BW,簡稱頻寬)。(A)O(B)X
13.頻帶寬度大,表示選擇性差。(A)O(B)X
14.RLC 串聯電路裡,諧振時,電流最大,頻率往下調,當電流為 0.707I0時,為下截止頻率,截止 頻率時的平均功率為諧振頻率時平均功率的一半,因此截止頻率又稱為半功率頻率 (half-power frequency)。(A)O(B)X
1.在 RLC 串聯電路中,當接上頻率 1kHz 的正弦波電壓源時,電路中 R = 20Ω,= 4Ω,= 16Ω; 若調整電源的頻率使得線路電流最大,則此時的電源頻率為何?(統測 106) (A) 250Hz (B) 500Hz (C) 2kHz (D) 4kHz
2.有一 RLC 串聯電路接於正弦波電壓源,已知電源頻率為 60Hz、R= 5Ω、= 0.4Ω、= 10Ω。當 此電路發生諧振時,其諧振頻率為何?(統測 110) (A) 100Hz (B) 200Hz (C) 300Hz (D) 400Hz
3. 如下圖所示,可調整頻率之正弦波交流電壓源 V = 110V,當角頻率 ω= 500 rad/sec 時,R = 10Ω、 = 250Ω、= 40Ω。調整電源頻率至諧振時,則下列敘述何者正確?(統測 107) (A) 諧振角頻率ω0= 200 rad/sec (B) 諧振角頻率ω0= 300 rad/sec (C)I0為20A (D)I0為10A
4.如下圖所示之RLC串聯電路,若電流i(t)與電源電壓v(t)同相位,則i(4π)之電流値為何? 統測109(A)-20 (B)20A(C)(D)
5.RLC串聯電路中,若電阻R單位為Q、電感L單位為H、電容C單位為F,則此電路之諧振角頻率,(單位為rad/s)為何? 統測103 (A)(B)(C)(D)
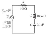
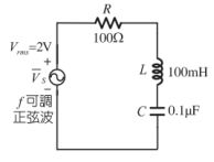
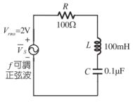
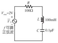
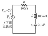
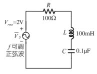
6.串聯諧振電路如圖,電源 =2V(rms),頻率可調整之正弦波。請將電源頻率慢慢調升,當電路諧振 時,諧振頻率=?Hz (A)1591(B)159(C)3k(D)2M
7.串聯諧振電路如圖,電源 =2V(rms),頻率可調整之正弦波。請將電源頻率慢慢調升,當電路諧振 時,I0=?mA (A)20(B)10(C)6(D)4
8.串聯諧振電路如圖,電源 =2V(rms),頻率可調整之正弦波。請將電源頻率慢慢調升,當電路諧振時,Q=? (A)20(B)10(C)6(D)4
9.串聯諧振電路如圖,電源 =2V(rms),頻率可調整之正弦波。請將電源頻率慢慢調升,當電路諧振時,(A)20(B)10(C)6(D)4
10.串聯諧振電路如圖,電源 =2V(rms),頻率可調整之正弦波。請將電源頻率慢慢調升,當電路諧振時,=?V(A)20(B)10(C)6(D)4
11.串聯諧振電路如圖,電源 =2V(rms),頻率可調整之正弦波。請將電源頻率慢慢調升,當電路諧 振時,BW=?Hz (A)1591(B)159(C)3k(D)2M
12.串聯諧振電路如圖,電源 =2V(rms),頻率可調整之正弦波。請將電源頻率慢慢調升,當電路諧振時,上下截止電流=?mA (A)20(B)16(C)14(D)4
13.串聯諧振電路如圖,電源 =2V(rms),頻率可調整之正弦波。請將電源頻率慢慢調升,當電路諧振時,下截止頻率=?Hz (A)1591(B)159(C)1511(D)1671
14.有一 RLC 串聯電路,若電源電壓 V = 100V、R = 10Ω、L = 20mH、C = 200μF,當電路諧振時,則 下列敘述何者正確?(統測 105) (A)功率因數為 1,諧振頻率為 800Hz (B) 品質因數為 1,頻帶寬度為 8Hz (C) 電阻器兩端的電壓大小為 100V,電容器兩端的電壓大小為 100V (D)電源電流為 10A,平均功率為 100W
15.RLC 串聯電路發生諧振時,下列敘述何者正確?(統測 104) (A) 阻抗最小,功率因數 0.707 (B) 阻抗最小,功率因數 1.0 (C) 阻抗最大,功率因數 0.707 (D) 阻抗最大,功率因數 1.0