所屬科目:泉勝◆基本電學(上冊)
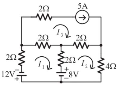
1.如圖所示,I1、I2 及 I3 分別為三個迴圈電路的電流,則下列敘述何者正確?(統測 110)(A) I1 = 2 A (B) I2 = 1 A (C) I1 = – 1 A (D) I2 = – 2 A
2.如圖所示電路,R1 = 2Ω、R2 = R3 = R7 = 12Ω、R4 = 10Ω、R5 = 4Ω、R6 = 6Ω,下列敘述何者正確?(統測 109)(A) I1 + I2 + I3 = 3A(B) R3 所消耗的功率為 9W(C) Vx= 6V(D) 由 a、b 兩端所看入之諾頓 (Norton) 等效電流為 6A
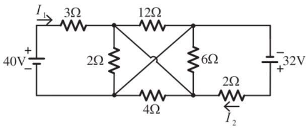
3.如圖所示電路,4 V 電壓源之功率約為何?(統測 113)(A) 供給 3.56W (B) 吸收 3.56W(C) 供給 0.89W (D) 吸收 0.89W
4.如圖所示電路,電流 I 為何?(統測 113)(A) –1 A (B) 0 A (C) 1 A (D) 2 A
5.如圖所示之電路,試求節點電壓 V1 為何?(統測 107)
(A)10V (B)12V (C)16V(D)18V
6.如圖所示之電路,試求電流 I1、I2 各為多少?(統測 107)(A) I1 = 2A,I2= –2A(B) I1 = 4A,I2= 2A(C) I1 = 6A,I2= 5A(D) I1 = 8A,I2= 8A
7.如圖所示之電路,則 a、b 兩端看入之戴維寧等效電阻 Rab 為何?(統測107)(A) 15Ω(B) 18Ω(C) 20Ω(D) 25Ω
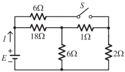
8.如圖所示,若 E= 120V,則開關 S 在開啟與閉合不同狀態下之 I 分別為何?(統測 106)(A) 5A,20A(B) 5A,25A(C) 6A,20A(D) 6A,25A
9.如圖所示,其中圖 B 為圖 A 之等效電路,則 Eth 及 Rth 分別為何?(統測 106)(A) Eth= 120V,Rth= 12Ω(B) Eth= 90V,Rth= 12Ω(C) Eth= 20V,Rth= 2Ω(D) Eth= 10V,Rth= 2Ω
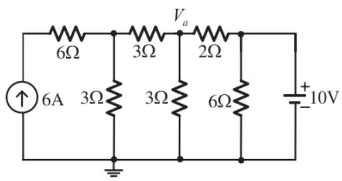
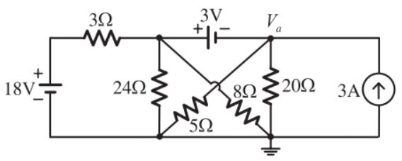
10.如圖所示,Va 為何?(統測 106)(A) 8V(B) 10V(C) 12V(D) 16V
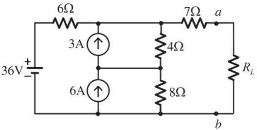
11.如圖所示,RL 可得之最大功率為何?(統測 106)(A) 12W(B) 9W(C) 6W(D) 3W
12.如圖所示,試求 i1、i2、i3 及 i4 的電流為何?(統測 105)(A) i1 = 6A,i2 = –5A, i3 = 3A, i4 = –6A(B) i1 = 6A, i2 = 5A, i3 = –7A, i4 = –4A(C) i1 = 7A, i2 = 5A, i3 = –3A, i4 = –6A(D) i1 = 7A, i2 = –5A, i3 = 3A, i4 = –6A
13.如圖所示之電路,試求節點電壓 Va 為何?(統測 105)(A) 6V(B) 8V(C) 10V(D) 15V
14.如圖所示,試求節點電壓 V1 為何?(統測 105)(A) –9V (B) –6V (C) 1V (D) 11V
15.如圖所示之電路,發生最大功率轉移時,負載 RL 所能獲得之最大功率為何?(統測 105)(A) 33W(B) 44W(C) 121W(D) 196W