阿摩線上測驗
登入
首頁
>
技檢◆鋼筋-丙級
> 114年 - 01800 鋼筋 丙級 工作項目 06:組立與錨錠 1-57(2025/10/14 更新)#132117
114年 - 01800 鋼筋 丙級 工作項目 06:組立與錨錠 1-57(2025/10/14 更新)#132117
科目:
技檢◆鋼筋-丙級 |
年份:
114年 |
選擇題數:
57 |
申論題數:
0
試卷資訊
所屬科目:
技檢◆鋼筋-丙級
選擇題 (57)
1. 梁版之模板組立完成,在綁紮鋼筋時 (A)先紮梁筋 (B)先紮版筋 (C)先紮柱筋(D)先紮預留筋 。
2. 下列何項工程不須與鋼筋工相配合? (A)模板工程 (B)水電工程 (C)粉刷工程(D)放樣工程 。
3. 箍筋是用於 (A)柱 (B)梁 (C)版 (D)牆 。
4. 銹蝕後之鋼筋 (A)混凝土強度會增加 (B)影響美觀 (C)會減少鋼筋有效斷面積(D)會增加握持力 。
5. 主筋直徑為 32 ㎜以下之建築工程,其箍筋直徑不得小於 (A)10 ㎝ (B)16 ㎜(C)10 ㎜ (D)16 ㎝ 。
6. 紮好之樓版鋼筋,儘量不要在上面走動,如須在上面通過時,應踩在 (A)上層副筋之上方 (B)上層主筋之上方 (C)上層鋼筋任何處均可 (D)上層鋼筋交叉點之上方 。
7. 平行鋼筋須分兩層排放時,層間淨距不得少於 (A)55 ㎜ (B)25 ㎜ (C)15 ㎜ (D)5 ㎜ 。
8. 懸臂版如為單層配筋,短向鋼筋應紮於長向鋼筋之 (A)上 (B)下 (C)上下交互配置 (D)隨意配置不限制 。
9. 樓版角隅之補強鋼筋應 (A)六排上層 (B)只排下層 (C)上下層均須排置 (D)不用補強 。
10. 樓版角隅補強鋼筋在版上層時應 (A)與版之對角線垂直 (B)與版之對角線平行 (C)與版短邊垂直 (D)與版短邊平行 。
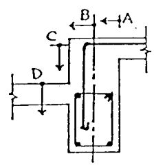
11. 如附圖所示,最上層梁配筋圖,最上面一排之抗拉鋼筋,梁端錨錠長度應指哪一部分?
(A)A (B)B (C)C (D)D 。
12. 版之不連續端應加角隅鋼筋,該角隅鋼筋是加於 (A)版上下層鋼筋之間 (B)版上層之上,下層之下 (C)版上層之上,下層之上 (D)版上層之下,下層之下 。
13. 建築工程上,常用竹節鋼筋主要目的係為增加 (A)握裹力 (B)加工方便 (C)伸長性較佳 (D)展性良好 。
14. 高層建築地下室之地梁深度極大時,肋筋為13
Φ
,如欲防止紮妥之梁鋼筋變形,請問以哪種材料補強較合理? (A)較小號鋼筋支撐 (B)木料角材支撐(C)較大號鋼筋支撐 (D)鐵絲紮緊支撐 。
15. 柱主筋如使用搭接,則在搗灌混凝土之前,柱主筋上端加一箍筋,該箍筋之作用是 (A)美觀 (B)固定柱筋之位置 (C)搗灌時較方便 (D)作為高程標準點 。
16. 基礎版角隅補強鋼筋,應排放於 (A)上層 (B)下層 (C)中央 (D)任意位置皆可 。
17. 矩形柱之主筋不得少於 (A)2 支 (B)4 支 (C)6 支 (D)8 支 。
18. 圓形柱之主筋不得少於 (A)2 支 (B)4 支 (C)6 支 (D)8 支 。
19. 基礎柱鋼筋豎立時 (A)不必另加支撐 (B)應加斜撐或搭立鋼筋架 (C)應派人扶著等待灌置 (D)灌置完後再派人調整 。
20. 紮結柱子箍筋時,每個箍筋應保持 (A)水平 (B)垂直 (C)45° (D)不限制 。
21. 鋼筋表面與混凝土間之附著力稱為 (A)握持力 (B)拉應力 (C)壓應力 (D)剪力 。
22. 組立牆壁鋼筋之時機 (A)先組立鋼筋後再架設模板 (B)先組模完成後再組立鋼筋 (C)先架設牆一側模板再組立鋼筋 (D)無先後之限制 。
23. 一般地面層連續梁之端部上層鋼筋承受 (A)剪應力 (B)拉應力 (C)壓應力 (D)不受力 。
24. 如下圖懸臂版用點表示出來的鋼筋為長向鋼筋又稱
(A)溫度鋼筋 (B)短向鋼筋 (C)抗剪鋼筋 (D)抗壓鋼筋 。
25. 地下室水箱之大梁及基礎版之配筋順序是 (A)先配大梁再紮基礎版鋼筋 (B)先配基礎版上下層筋再紮大梁 (C)先紮基礎版下層筋再紮大梁後,再紮基礎版上層筋 (D)先紮柱鋼筋後,再紮大梁,再紮基礎版 。
26. 懸臂版上層鋼筋主要是承受 (A)壓力 (B)張力 (C)扭力 (D)水平力 。
27. 單向版之溫度鋼筋,其間距較主鋼筋 (A)大 (B)小 (C)相等 (D)任意而定 。
28. 鋼筋混凝土牆開口應排紮角隅鋼筋,如牆採雙層配筋,則角隅鋼筋應排紮在 (A)雙層筋之內側 (B)雙層筋之外側 (C)一在外一在內 (D)任意排置 。
29. 梁之上下側合計至少須有幾支主鋼筋貫通梁之全長 (A)2 (B)3 (C)4 (D)5 。
30. 雙向鋼筋樓版綁紮下層鋼筋時,其順序是 (A)短向先排 (B)長向先排 (C)長短向交互排列 (D)無先後之分不會有所影響 。
31. 牆壁開口部分應加斜方向鋼筋,其斜角與開口邊成 (A)30° (B)45° (C)60° (D)90° 。
32. 牆及版主鋼筋間距不得超過多少㎝? (A)30 (B)45 (C)60 (D)90 。
33. 大梁與小梁相交處,小梁的上層鋼筋應位於大梁上層主筋的 (A)上端 (B)下端 (C)中間 (D)不須限制 。
34. 一般梁中央之下層鋼筋是承受 (A)壓力 (B)張力 (C)剪力 (D)扭力 。
35. 抗拉鋼筋之錨錠長度比抗壓鋼筋之錨錠長度 (A)短 (B)長 (C)一樣 (D)任意而定 。
36. 有關鋼筋保護層之作用,下列敘述何者錯誤? (A)防止鋼筋生銹 (B)確保鋼筋位置 (C)使混凝土與鋼筋充分發揮黏結作用 (D)防止鋼筋遇火軟化 。
37. 下列施工順序何者為佳? (A)牆模一側組立、牆鋼筋組立、水電配管施工、牆模另側組立 (B)牆鋼筋組立、牆模兩側組立、水電配管施工 (C)牆鋼筋組立、水電配管施工、牆模兩側組立 (D)水電配管施工、牆模一側組立、牆鋼筋組立、牆模另側組立 。
38. 柱之截斷面如下圖,何者為非承受應力之組立鋼筋
(A)A (B)B (C)C (D)D 。
39. 梁之截斷面如下圖,何者為非承受應力之組立鋼筋
(A)A,B (B)A,C (C)B,C (D)C,D 。
40. 下面梁斷面圖中,鋼筋 B 可稱為
(A)溫度鋼筋 (B)主鋼筋 (C)安全鋼筋 (D)腹筋 。
41. 組立鋼筋混凝土梁中央之肋筋時,肋筋彎鉤結合處宜在 (A)上側 (B)下側 (C)左側中央 (D)右側中央 。
42. 獨立基礎兩對角線配置之斜向鋼筋不得少於 (A)1 根 (B)2 根 (C)3 根 (D)4根 。
43. π型鐵(鐵馬椅隔墊)其功用為 (A)固定梁主、箍筋 (B)架立柱主筋 (C)確保柱主筋間距 (D)組立腹筋 。
44. 地梁上下層主筋於地梁內錨碇,下列何者為正確錨碇? (A)上層筋向上,下層筋向下 (B)上層筋向下,下層筋向上 (C)上,下層筋皆向上 (D)上,下層筋皆向下 。
45. 螺旋箍筋於端部應加 (A)1 圈 (B)1 圈半 (C)2 圈 (D)2 圈半 作為錨錠之用。
46. 柱主筋於基礎盤內彎曲錨錠時,其彎曲型式為 (A)180 (B)90 (C)60 (D)45 度。
47. 樓版內埋設管路及配件其厚度不得大於版厚之 (A)1/3 (B)1/4 (C)1/5 (D)1/6 。
48. 基礎主筋之彎鉤宜 (A)向上 (B)向下 (C)水平向單側 (D)水平向兩側 紮置。
49.
左圖所示,右側樓版鋼筋之錨錠長度起算點以何者為佳 (A)A (B)B (C)C (D)D 。
50. 鋼筋與混凝土之黏結作用與下列何者無關? (A)保護層厚度 (B)鋼筋間距 (C)鋼筋彎鉤錨錠 (D)鋼筋位置 。
51. 鋼筋末端設置彎鉤 (A)可減少鋼筋用量 (B)防止鋼筋銹蝕 (C)增加握持力 (D)防止混凝土收縮 。
52. 中空樓版主筋之配置方向,通常與旋楞鋼管 (A)垂直 (B)平行 (C)斜傾 (D)縱橫交錯 。
53. 如果梁的鋼筋有兩層時,那麼梁的鋼筋上下、左右之間的距離應該≥d,且d≥ (A)10mm (B)15mm (C)20mm (D)25mm 就可以了。
54. 柱的上下兩個箍筋的開口疊合處 (A)不須錯開 (B)必須錯開 (C)隨意錯開 (D)柱端部錯開即可 。
55. 版的底部鋼筋,短向鋼筋應放 (A)上排 (B)下排 (C)上下排錯開 (D)隨意配置 。
56. 有抗震要求的結構物,柱箍筋端頭應彎成 (A)90 度 (B)135 度 (C)180 度 (D)任意角度 。
57. 承受撓區的構件,若粒料最大粒徑為 19mm,其平行鋼筋之淨距下列何者錯誤? (A)#7 鋼筋(直徑 2.22cm),淨距 2.22cm (B)#8 鋼筋(直徑 2.54cm),淨距 2.54cm (C)#9 鋼筋(直徑 2.87cm),淨距 2.87cm (D)#10 鋼筋(直徑3.22cm),淨距 3.22cm 。
申論題 (0)
相關試卷
114年 - 01800 鋼筋 丙級 工作項目 09:表面處理 1-39(2025/10/14 更新)#132120
114年 · #132120
114年 - 01800 鋼筋 丙級 工作項目 08:安全與維護 1-24(2025/10/14 更新)#132119
114年 · #132119
114年 - 01800 鋼筋 丙級 工作項目 07:紮結與固定 1-50(2025/10/14 更新)#132118
114年 · #132118
114年 - 01800 鋼筋 丙級 工作項目 05:續接 1-51(2025/10/14 更新)#132116
114年 · #132116
114年 - 01800 鋼筋 丙級 工作項目 04:彎曲 1-46(2025/10/14 更新)#132115
114年 · #132115
114年 - 01800 鋼筋 丙級 工作項目 03:鋼筋之人工截切 1-48(2025/10/14 更新)#132114
114年 · #132114
114年 - 01800 鋼筋 丙級 工作項目 02:量具使用 1-41(2025/10/14 更新)#132113
114年 · #132113
114年 - 01800 鋼筋 丙級 工作項目 01:識圖 1-47(2025/10/14 更新)#132112
114年 · #132112
114年 - 114-2 全國技術士技能檢定學科(丹娜絲颱風延期考區)_丙級: 01800 鋼筋#130774
114年 · #130774
114年 - 114-2 全國技術士技能檢定學科_丙級:01800 鋼筋#129401
114年 · #129401