阿摩線上測驗
登入
首頁
>
技檢◆鍋爐操作-甲級
> 114年 - 03100 鍋爐操作 甲級 工作項目 03:升壓操作 1-39(2025/10/16 更新)#132326
114年 - 03100 鍋爐操作 甲級 工作項目 03:升壓操作 1-39(2025/10/16 更新)#132326
科目:
技檢◆鍋爐操作-甲級 |
年份:
114年 |
選擇題數:
39 |
申論題數:
0
試卷資訊
所屬科目:
技檢◆鍋爐操作-甲級
選擇題 (39)
1. 新設鍋爐在蒸汽開始產生時的操作,下列那一項敘述是錯誤的? (A)鍋爐胴體內的空氣完全排出後,將空氣閥關閉 (B)檢查人孔、掃除孔等的接頭處有無洩漏 (C)過熱器出口集管器的排水閥應關閉 (D)以手輕敲壓力表背面以判定壓力表機能正常 。
2. 定期檢查後再度啟動鍋爐,當蒸汽壓力開始上升時,下列何項敘述是正確的? (A)在蒸汽開始產生前應先關閉空氣閥 (B)無論如何都不可使鍋爐急劇燃燒 (C)升壓所需時間與鍋爐型式之大小無關 (D)應測試低水位警報裝置機能正常 。
3. 鍋爐大修後第一次使用,在完成點火動作要開始升壓前,下列各閥或旋塞的開閉情形,那一項是錯誤的? (A)胴體空氣閥:閉 (B)胴體沖放閥:閉 (C)主蒸汽閥:閉 (D)壓力表旋塞:開 。
4. 下列那一項不是鍋爐升壓時的操作項目? (A)水位之監視 (B)低水位警報測試 (C)給水裝置機能確認 (D)沖放裝置機能確認 。
5. 鍋爐在開始點燃時,不可使其急劇燃燒讓壓力快速上升,其最適切的理由是 (A)會使鍋爐水循環惡化 (B)會造成鍋爐本體的損傷 (C)會使鍋爐水異常減少 (D)會造成安全閥、壓力表等的破損 。
6. 鍋爐在運轉中,煙囪冒黑煙,其改善方法為 (A)降低操作壓力 (B)降低操作溫度 (C)降低油溫 (D)增加風量 。
7. 鍋爐在運轉中,煙囪排氣溫度比往常高出很多時,下列那一項不是其發生的原因? (A)爐內蒸汽溫度升高 (B)內部水垢附著量增加 (C)煙道煙灰附著量增加 (D)煙道氣短路 。
8. 燃燒室容積 15m
3
的鍋爐在兩小時投入了 120MJ(百萬焦耳)的熱量,則其燃燒室熱負載為 (A)4MJ/m
3
•h (B)6MJ/m
3
•h (C)8MJ/m
3
•h (D)15MJ/m
3
•h
9. 傳熱面積為 200m
2
,爐篦面積 4m
2
的鍋爐,在 10 小時之內,燃燒煤炭5000kg,則爐篦燃燒率為 (A)125kg/m
2
•h (B)250kg/m
2
•h (C)500kg/m
2
•h(D)1250kg/m
2
•h
10. 鍋爐在升壓後,下列何項不是要檢點有無蒸汽洩漏的地方? (A)水位計(B)沖放閥 (C)軟水槽主閥 (D)人孔蓋接觸處 。
11. 新設鍋爐在壓力上升到約 1.5kgf/cm
2
時應關閉 (A)給水閥 (B)沖放閥 (C)安全閥 (D)空氣閥
12. 下列何項不是鍋爐實施水位計檢測的適當時機? (A)升壓時 (B)停爐時 (C)二個水位計水位不同時 (D)水位計玻璃管更換時 。
13. 鍋爐升壓時,實施水位計水側連接管測試,首先操作項目為 (A)關閉水側旋塞,打開沖放旋塞 (B)關閉蒸汽側旋塞,打開沖放旋塞 (C)關閉沖放旋塞 (D)打開沖放旋塞 。
14. 鍋爐升壓時,有關沖放裝置操作注意事項的說明中,下列何項是錯誤的? (A)沖放應選在負載最輕,蒸汽壓力較低時實施 (B)水牆管壁之沖放不得在鍋爐使用中施行 (C)鑄鐵鍋爐不得在使用中實施沖放 (D)鍋爐沖放時,可不必注意水位 。
15. 鍋爐水的沖放操作方法,下列那一項敘述是錯誤的? (A)沖放時如無法看到水位計水位下降情形,應另有人監視水位 (B)一人不得同時操作兩座鍋爐的沖放工作 (C)為確保不純物排出,應選蒸汽壓力高時沖放 (D)沖放管設有二個沖放閥時,應先開啟靠近鍋爐側者 。
16. 鍋爐沖放裝置設有快開閥及慢開閥者,下列何項操作順序是正確的? (A)快開閥先開後關 (B)慢開閥先開後關 (C)快開閥先開先關 (D)慢開閥先開先關 。
17. 下列那一種鍋爐在使用中不必實施底部沖放? (A)水管式鍋爐 (B)熱媒鍋爐 (C)豎型橫管式鍋爐 (D)機車型鍋爐 。
18. 下列那一項不是鍋爐實施底部沖放的適當時機? (A)升壓時 (B)負載較輕時 (C)水垢沉澱時 (D)到達送汽壓力時 。
19. 下列那一項不是使用鍋爐清罐劑的目的? (A)減少水垢的生成 (B)將水垢軟化 (C)除去鍋爐水中的溶存氧 (D)防止鍋爐水的濃縮 。
20. 下列那一項不是防止鍋爐內水垢附著的方法? (A)經常給水,保持常用水位 (B)適當填加鍋爐清罐劑 (C)適度的沖放鍋爐水 (D)確保給水軟化裝置的機能 。
21. 鍋爐運轉中,填加鍋爐清罐劑是為了: (A)促進鍋爐水的循環 (B)軟化鍋爐水中的不純物,使其沈澱 (C)讓鍋爐內附著的水垢脫落 (D)清除鍋爐水中的不純物 。
22. 有關過熱器安全閥吹洩壓力之調整,下列那一項敘述正確? (A)調整至鍋爐最高使用壓力 (B)調整比鍋爐本體之安全閥先吹洩 (C)調整與鍋爐本體之安全閥同時吹洩 (D)調整比鍋爐本體之安全閥後吹洩 。
23. 鍋爐升壓時安全閥的手動試驗,應在壓力到達安全閥設定壓力之多少%以上時實施? (A)65% (B)70% (C)75% (D)80%
24. 有關安全閥吹洩壓力的調整方法,下列那一項敘述是錯誤的? (A)鍋爐本體安全閥的調整壓力,要高於過熱器的安全閥 (B)兩個以上安全閥應做階梯式的調整 (C)調整安全閥時,應先將壓力調至最高使用壓力以上,再逐步調整至設定壓力 (D)最高使用壓力不同的鍋爐互相連結時,應以最高使用壓力最低的鍋爐為基準,調整安全閥 。
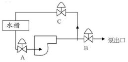
25. 如圖所示,A 閥為泵進口閥,B 閥為泵出口閥,C 閥為再循環閥,於 B閥全關前提下欲起動該離心泵,則 A、C 閥開關位置為
(A)A 閥全開,C閥全關 (B)A、C 兩閥皆在全關位置 (C)A、C 兩閥皆在全開位置 (D)A 閥全關,C 閥全開
26. 自然循環鍋爐爐水之循環率(Circulation Rate)隨壓力之增加而 (A)增加 (B)減低 (C)無關 (D)不變 。
27. 鍋爐在升壓速度一定時,升壓的後階段與前階段相比,汽鼓產生的機械應力是 (A)前階段小 (B)後階段小 (C)前後階段相等 (D)後階段大 。
28. 有關鍋爐升壓操作時之說明中,下列那一項為誤? (A)從常溫水開始的壓力升高,起初時緩慢,然後逐漸升高,因此鍋爐各部分的溫度升高較均勻 (B)為防止空氣在空氣預熱器中洩漏,在燃燒開始時保持低燃燒,並在低燃燒期間監測空氣預熱器的出入口氣體溫度,以防止空氣預熱器異常著火 (C)由於汽鼓水位會隨著鍋爐水溫度的升高而升高,因此,當水位升高時,應排放鍋爐水並保持正常水位 (D)產生足夠的蒸汽並且蒸汽壓力超過 0.1MPa 後,打開排氣閥 。
複選題
29. 下述那些操作會影響主蒸汽溫度? (A)爐內吹灰 (B)過熱器減溫噴水 (C)改變燃燒器仰角 (D)靜電集塵器敲擊 。
複選題
30. 下列那些是鍋爐冷爐起動,水開始沸騰造成汽水鼓水位急升時之對策?(A)降低燃燒率 (B)開啟降水管沖放閥洩放部份爐水 (C)關閉過熱器洩水閥(D)開啟爐底排放閥排放爐水 。
複選題
31. 鍋爐負載變化時,燃料量、送風量、引風量的調節順序為何? (A)當負載增加時,應先增大送風量,再增大燃料量,最後增大引風量 (B)當負載增加時,應先增大引風量,再增大送風量,最後增大燃料量 (C)負載降低時,應首先減小送風量,然後減小燃料量,最後減小引風量,並將爐膛負壓調整到規定值 (D)負載降低時,應首先減小燃料量,然後減小送風量,最後減小引風量,並將爐膛負壓調整到規定值 。
複選題
32. 有關鍋爐升壓操作之敘述下列何項正確? (A)將蒸汽壓力升至所需壓力之時間,不因鍋爐之種類、大小之差異而不同 (B)鍋爐由冷水開始起動時應快速升壓 (C)蒸汽壓力 1.7kgf/cm
2
以上,待空氣完全排除後,再將空氣閥關閉 (D)將過熱器出口集管器之排洩閥充分打開
複選題
33. 下列有關鍋爐開始送汽前,管路中積存凝結水排洩操作方法之敘述何項正確? (A)將管路中低處洩水閥開啟 (B)全開主蒸汽閥暖管 (C)待洩水處全部是蒸汽逸出後,關閉洩水閥進行管路加壓 (D)待兩側壓力相近時徐徐開啟主蒸汽閥至全開 。
複選題
34. 有關鍋爐水沖放操作時應注意事項下列何項正確? (A)應當緩慢地打開和關閉沖放閥或旋塞閥 (B)在同一時間可允許多台鍋爐進行排放 (C)應將鍋爐運行時的排放操作時間表安排在高負荷的時候 (D)如果不能維持鍋爐水位,鍋爐不得繼續運行 。
複選題
35. 有關安全閥試驗之敘述,下列何者正確? (A)於鍋爐運轉壓力正常後,應試驗安全閥 (B)鍋爐壓力低於安全閥最低設定開啟壓力之 75%時,可以舉桿拉開安全閥 (C)當安全閥開到急洩壓力而尚未開啟時,不可敲打閥體使其鬆開,亦不可用舉桿將其開啟再行關閉 (D)安全閥超過設定壓力仍不開啟,則鍋爐應即停用,並修理與清理安全閥 。
複選題
36. 下列有關鍋爐沖放閥之敘述那些正確? (A)鍋爐至少應於底部裝設沖放管與沖放閥或沖放旋塞 (B)貫流鍋爐不在此限 (C)沖放閥之大小應為直徑25mm 以上 65mm 以下,或相當於此規格者 (D)全部沖放閥從關閉狀態至全開必需旋轉五迴轉以上 。
複選題
37. 下列有關鍋爐沖放操作的敘述那些正確? (A)快開閥(沖放旋塞)與慢開閥(沖放閥)串聯在一起時,前者應先開後關,並微開慢開閥以完成沖放工作 (B)需大量沖放時,應全開快開閥,再開慢開閥 (C)沖放時,操作人員無法看見水位計時,可先離開去查看水位再回來操作 (D)操作沖放人員在其沖放閥未關閉前,不得離開工作崗位 。
複選題
38. 下列有關鍋爐操作的敘述,何者為正確? (A)在相同的鍋爐負載,爐膛內吸收的輻射熱量,燒重油時高於燒天然氣 (B)鍋爐排淨(Purge)的目的為降低爐膛溫度 (C)鍋爐的環保設備裝設 SCR 是為降低煙氣中的硫氧化物 (D)燃燒器燃燒時若燃料之噴出速度高於燃燒速度,會造成吹熄(Blow off)現象 。
複選題
39. 有關鍋爐水的沖放,以下敍述何者正確? (A)目的是為排出水中的懸浮物及鹽類 (B)不適度進行沖放將引起汽水共出及水垢生成 (C)可分為間歇沖放及連續沖放 (D)沖放時需注意水位 。
申論題 (0)
相關試卷
114年 - 03100 鍋爐操作 甲級 工作項目 07:安全衛生與環保 51-94(2025/10/16 更新)#132334
114年 · #132334
114年 - 03100 鍋爐操作 甲級 工作項目 07:安全衛生與環保 1-50(2025/10/16 更新)#132333
114年 · #132333
114年 - 03100 鍋爐操作 甲級 工作項目 06:停止運轉操作 1-30(2025/10/16 更新)#132332
114年 · #132332
114年 - 03100 鍋爐操作 甲級 工作項目 05:異狀處理 51-108(2025/10/16 更新)#132330
114年 · #132330
114年 - 03100 鍋爐操作 甲級 工作項目 05:異狀處理 1-50(2025/10/16 更新)#132329
114年 · #132329
114年 - 03100 鍋爐操作 甲級 工作項目 04:正常運轉操作 51-73(2025/10/16 更新)#132328
114年 · #132328
114年 - 03100 鍋爐操作 甲級 工作項目 04:正常運轉操作 1-50(2025/10/16 更新)#132327
114年 · #132327
114年 - 03100 鍋爐操作 甲級 工作項目 02:啟動點火 1-37(2025/10/16 更新)#132325
114年 · #132325
114年 - 03100 鍋爐操作 甲級 工作項目 01:鍋爐啟用前之檢點 201-224(2025/10/16 更新)#132324
114年 · #132324
114年 - 03100 鍋爐操作 甲級 工作項目 01:鍋爐啟用前之檢點 151-200(2025/10/16 更新)#132323
114年 · #132323