阿摩線上測驗
登入
首頁
>
技檢◆變壓器裝修-乙級
> 114年 - 03200 變壓器裝修 乙級 工作項目 01:識圖說 51-71(2025/10/17 更新)#132367
114年 - 03200 變壓器裝修 乙級 工作項目 01:識圖說 51-71(2025/10/17 更新)#132367
科目:
技檢◆變壓器裝修-乙級 |
年份:
114年 |
選擇題數:
21 |
申論題數:
0
試卷資訊
所屬科目:
技檢◆變壓器裝修-乙級
選擇題 (21)
複選題
51. 有關變比器類設計圖符號下列那些是正確的 (A)三相 V 共同點接地
(B)三相 V 線捲中性點接地
(C)三相 Y,中性線經一電抗接地
(D)整套型變比器
。
複選題
52. 下列那些是變壓器單線圖表示方法 (A)
(B)
(C)
(D)
。
複選題
53. 有關保護元件符號下列那些是正確 (A)
包裝保險絲 (B)
系統接地 (C)
設備接地 (D)
開放型保險絲 。
複選題
54. 下列那些是 NO 接點 (A)
(B)
(C)
(D)
。
複選題
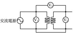
55. 下圖為一只加極性降壓變壓器則
(A)V
3
>V
2
(B)V
3
>V
1
(C)V
1
>V
2
(D)V
1
+V
2
>V
3
。
複選題
56. 如下圖,三具相同單相變壓器,變壓比 a=2,一次側連接於平衡 3φ380V電源,則二次側電壓 V
oo
’可能為
(A)0V (B)110V (C)190V (D)220V 。
複選題
57. 如下圖為一只減極性降壓變壓器則
(A)開關 S ON 瞬間正轉 (B)開關 S ON瞬間反轉 (C)開關 S OFF 瞬間正轉 (D)開關 S OFF 瞬間反轉 。
複選題
58. 如下圖,有兩只 100/5C.T 測量 3φ平衡負載電流,當電流表顯示約為3.8A 時
(A)C.T 線圈電流約為 3.8A (B)C.T 線圈電流約為 2.2A (C)負載電流約為 76A (D)負載電流約為 44A 。
複選題
59. 圖中哪些是代表電阻的製圖符號 (A)
(B)
(C)
(D)
。
複選題
60. 哪些是代表單線系統圖之變壓器符號 (A)
(B)
(C)
(D)
。
複選題
61. 圖中哪些是代表交流電壓與直流電流表 (A)
(B)
(C)
(D)
。
複選題
62. 哪些是代表連續雙面焊接符號 (A)
(B)
(C)
(D)
。
複選題
63. 依中國國家標準規定,三相變壓器的引線符號為 (A)X1、X2、X3 (B)H1、H2、H3 (C)W1、W2、W3 (D)U、V、W 。
複選題
64. 下列何者非表示物體之形狀或輪廓? (A)粗虛線 (B)粗實線 (C)細虛線 (D)細實線 。
複選題
65. 下列何者為是? (A)VCB 表示真空斷路器 (B)ABS 表示空斷開關 (C)OA/FA表示油浸自冷/風冷式變壓器 (D)BCT 表示水冷式變壓器 。
複選題
66. 下列何者為變壓器銘牌上記載內容? (A)額定容量 (B)相數 (C)損失值 (D)製造日期 。
複選題
67. 如圖貫通型 CT,主要是由那二元件組成
(A)一次線圈 (B)二次線圈 (C)鐵心(D)絕緣油 。
複選題
68. 如圖最可能是哪二種單相負載
(A)R 負載 (B)R-L 負載 (C)R-C 負載 (D)R-L-C負載 。
複選題
69. 如圖變壓器極性試驗,開關 on 時瞬間,何者敘述為真
(A)電壓計顯示正時為加極性 (B)電壓計顯示正時為減極性 (C)電壓計顯示負時為加極性 (D)電壓計顯示負時為減極性 。
複選題
70. 如圖自耦變壓器中 A 線圈與 B 線圈各稱為
(A)A 線圈稱為串聯線圈 (B)A 線圈稱為分路線圈 (C)B 線圈稱為串聯線圈 (D)B 線圈稱為分路線圈 。
複選題
71. 下圖最可能是哪兩種單向負載
(A)R 負載 (B)R-L 負載 (C)R-C 負載 (D)R-L-C負載 。
申論題 (0)
相關試卷
114年 - 03200 變壓器裝修 乙級 工作項目 10:分解及處理 1-18(2025/10/17 更新)#132380
114年 · #132380
114年 - 03200 變壓器裝修 乙級 工作項目 09:檢驗 1-69(2025/10/17 更新)#132379
114年 · #132379
114年 - 03200 變壓器裝修 乙級 工作項目 08:裝殼 1-70(2025/10/17 更新)#132377
114年 · #132377
114年 - 03200 變壓器裝修 乙級 工作項目 07:心體烘乾及調整 1-34(2025/10/17 更新)#132376
114年 · #132376
114年 - 03200 變壓器裝修 乙級 工作項目 06:浸漬 1-20(2025/10/17 更新)#132375
114年 · #132375
114年 - 03200 變壓器裝修 乙級 工作項目 05:心體裝配 1-34(2025/10/17 更新)#132374
114年 · #132374
114年 - 03200 變壓器裝修 乙級 工作項目 04:線圈製作 51-106(2025/10/17 更新)#132373
114年 · #132373
114年 - 03200 變壓器裝修 乙級 工作項目 04:線圈製作 1-50(2025/10/17 更新)#132372
114年 · #132372
114年 - 03200 變壓器裝修 乙級 工作項目 03:鐵心製作 1-70(2025/10/17 更新)#132371
114年 · #132371
114年 - 03200 變壓器裝修 乙級 工作項目 02:瞭解變壓器之構造 101-140(2025/10/17 更新)#132370
114年 · #132370