阿摩線上測驗
登入
首頁
>
技檢◆配電線路裝修-乙級
> 114年 - 04000 配電線路裝修 乙級 工作項目 01:電工專業知識 51-100(2025/10/23 更新)#132577
114年 - 04000 配電線路裝修 乙級 工作項目 01:電工專業知識 51-100(2025/10/23 更新)#132577
科目:
技檢◆配電線路裝修-乙級 |
年份:
114年 |
選擇題數:
50 |
申論題數:
0
試卷資訊
所屬科目:
技檢◆配電線路裝修-乙級
選擇題 (50)
51. 絕緣物之絕緣值,除受濕氣之影響外,對溫度之高低亦有影響,若溫度升高,則絕緣電阻值 (A)升高 (B)不變 (C)為零 (D)減低 。
52. 一負載電阻為 10Ω,另一負載電阻為 40Ω,兩負載並聯接線時,其總電阻為 (A)50Ω (B)30Ω (C)8Ω (D)4Ω 。
53. 兩電壓、電流表連結於交流電路中,其所測得之數值為該交流波形之(A)有效值 (B)平均值 (C)瞬間值 (D)最大值 。
54. 變壓器結線中,會產生第三諧波電壓之接法為 (A)Y-△ (B)△-△ (C)△-Y (D)Y-Y 。
55. 如下圖所示 a.b.c 任意兩端之電容為若干?
(A)18μf (B)12μf (C)9μf (D)2μf 。
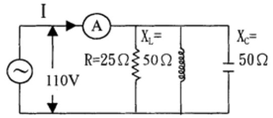
56. 如下圖,電路之總電流(I)為
(A)11 安培 (B)10 安培 (C)9 安培 (D)8 安培 。
57. 若導電體其長度不變,直徑增加一倍時,則其電阻為原來之 (A)1/4 (B)1/2 (C)2 (D)4 倍。
58. 兩只 2 歐姆之電阻並聯後,再與 3 歐姆及 5 歐姆二只電阻串聯,則總電阻為 (A)12 歐姆 (B)9 歐姆 (C)8 歐姆 (D)7 歐姆 。
59. 燈泡標明 120V 60W,則該燈泡之電阻為 (A)50 (B)60 (C)120 (D)240 歐姆。
60. 電爐之電熱線圈電阻為 4Ω,其負載電流為 20A,則該電爐消耗之電力為 (A)80W (B)320W (C)640W (D)1600W 。
61. RLC 串聯電路中,容抗為 100 歐姆、感抗為 200 歐姆、電阻為 100 歐姆,則此電路之總阻抗為 (A)400 歐姆 (B)173 歐姆 (C)141 歐姆 (D)100 歐姆 。
62. RLC 串聯電路中,電壓為 E、電阻為 R、感抗為 X
L
、容抗為 X
C
,當X
L
=X
C
時,此電路電路 I 為 (A)零 (B)最小 (C)(1/2)E/R (D)最大 。
63. 交流正弦波電壓之有效值為 100 伏,則其最大瞬間值為 (A)104.5 伏 (B)110 伏 (C)141.4 伏 (D)173.2 伏 。
64. 60 週波四極感應電動機,其同步轉速為 (A)7200rpm (B)3600rpm (C)2400rpm (D)1800rpm 。
65. 380 伏三相四線式電路之相電壓為 (A)110 伏 (B)190 伏 (C)220 伏 (D)380伏 。
66. 如下圖,變壓器 V 結線,則 C 與 N 間之電壓為
(A)110V (B)110
V (C)110
V (D)170V 。
67. 配電線路由 3.3kV 上升到 6.6kV,同一損失率送電時,送電電力比升壓前增加 (A)3 倍 (B)2 倍 (C)
倍 (D)4 倍 。
68. 下列各因數中,其數值大於或等於 1 者為 (A)需量因數 (B)負載密度因數(C)負載因數 (D)參差因數 。
69. 下圖中,圖 a 之線路損失為圖 b 之
(A)1/4 倍 (B)1/2 倍 (C)2 倍 (D)4 倍 。
70. 三個相同電阻並聯後,其總電阻為原來個別電阻值之 (A)3 倍 (B)2 倍 (C)1/3 倍 (D)1/2 倍 。
71. 配電線路由原 3.3kV 改壓為 6.6/11.4kV 時,若其供電容量不變,則其線路電壓降百分率約為原來之 (A)1/2 (B)1/(2
) (C)1/9 (D)1/12 。
72. 二具額定 100kVA 變壓器作 V-V 結線時,其額定最大輸出容量為 (A)200(B)173.2 (C)150 (D)141.4 kVA。
73. 標稱 100 伏特 100 瓦特的白熾燈,接在 110 伏特的電路上,其所耗電功率為 (A)90.9 瓦特 (B)110 瓦特 (C)121 瓦特 (D)133 瓦特 。
74. 如下圖,X
1
及 X
2
兩感抗並接於交流電路中,則 a、b 間之阻抗為
(A)(X
1
.X
2
)/(X
1
+X
2
) (B)(X
1
+X
2
)/(X
1
.X
2
) (C)j(X
1
.X
2
)/(X
1
+X
2
) (D)(X
1
+X
2
)/j(X
1
.X
2
) 。
75. 下圖單相三線式線路,如每條電線之電阻為 0.5Ω時,其全部線路損失為
(A)78W (B)84W (C)92W (D)96W 。
76. 工廠某日用電負載曲線如下圖,其負載率為
(A)45% (B)60% (C)67% (D)73% 。
77. 三相變壓器 15kVA 變壓比為 11400/220V,其低壓側額定電流約為 (A)30A (B)37.5A (C)39.4A (D)68A 。
78. RLC 並聯電路,若頻率小於共振頻率時,則該電路呈 (A)電阻性 (B)電容性 (C)電感性 (D)不一定 。
79. 下圖中 a.b 間之等值電容為
(A)3μf (B)6μf (C)7.5μf (D)12μf 。
80. 下圖中,伏特計之內阻為 20KΩ,則所測得電壓為
(A)50V (B)66.6V (C)80V (D)110V 。
81. 直徑 2.0 ㎜、長 100M、電阻係數ρ=0.017Ω㎜ 2/M 之軟銅線,其電阻為 (A)0.17Ω (B)0.34Ω (C)0.54Ω (D)0.85Ω 。
82. 有 A、B 兩根同材質之銅線,A 導線直徑 1.6 ㎜、長 100M,B 導線直徑 3.2 ㎜、長 200M,則 A 導線之電阻為 B 導線電阻之 (A)4 倍 (B)2 倍(C)1 倍 (D)0.5 倍 。
83. 有一 2kW 電熱器,連續使用 10 分鐘,則所發生之熱量為 (A)4,800 仟焦耳 (B)2,400 仟焦耳 (C)1,600 仟焦耳 (D)1,200 仟焦耳 。
84. 有一電熱器使用電壓為 110V,使用電流為 3A,若連續使用 2 小時,則其所耗電力為 (A)0.3kWh (B)0.6kWh (C)0.33kWh (D)0.66kWh 。
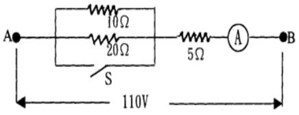
85. 下圖中,如 A、B 兩端接於 110V 電源,當開關 S 投入時,電流計
之電流值約為開關 S 打開時之
(A)1.5 倍 (B)2 倍 (C)2.3 倍 (D)2.5 倍 。
86. 下圖中,其功率因數為
(A)100% (B)80% (C)75% (D)60% 。
87. 下圖所示,係三相平衡電路,R=4Ω,X=3Ω,其所消耗總電力約為
(A)7.7kW (B)13.4kW (C)23.2kW (D)94.2kW 。
88. 下圖所示,三相 Y 接平衡電路,R=8Ω,X=6Ω,其所消耗總電力為
(A)1.61kW (B)3.87kW (C)6.71kW (D)11.62kW 。
89. 下圖所示,1ψ3W 電路中,若在"X"符號處發生斷線,則線路會發生何種狀況
(A)電路之電力損失會顯著減少 (B)電源變壓器有燒損之虞 (C)電源變壓器之接地線有燒損之虞 (D)負載不平衡時,負載端電壓會產生異常現象 。
90. 低壓三相感應電動機並聯電容器,其主要目的為 (A)抑制電動機之起動電流 (B)抑制電動機之轉差速率 (C)用來改善功率因數 (D)用來調整電動機之轉速 。
91. 一具三相感應電動機,由電源頻率 50Hz 改接到 60Hz,其轉速狀況如何 (A)不會轉動 (B)轉速無變化 (C)轉速變快 (D)轉速變慢 。
92. 額定容量 25kVA 單相變壓器三具接成Δ結線供電,因其中一具故障,則改接成 V 結線繼續供給三相負載,在不超載情況下,則三相負載應限制在______以內。 (A)50% (B)57% (C)85% (D)100%
93. 額定容量 10kVA 單相變壓器乙具,若其二次額定電壓為 120V 時,則其二次額定電流為 (A)20.83A (B)41.66A (C)83.33A (D)166.66A 。
94. 3ψ4W 式配電線路,如將電壓提升為原來電壓 2 倍時,則其電力損失為原來 (A)1/4 倍 (B)1/2 倍 (C)2 倍 (D)4 倍 。
95. 下圖所示,有一 1ψ2W 配電線路,在 a 點處電壓為 110V,則 C 點處電壓為
(A)110 (B)107 (C)105 (D)100 V。
96. 一線圈電阻為 0.05MΩ,接到 1.5V 電池上,如電池之內阻為 0.1MΩ時,則流經此線圈之電流為 (A)100µA (B)10µA (C)1µA (D)1,000µA 。
97. 下圖所示,其電流 I 應為多少安培?
(A)E/2R (B)
E/R (C)E/R (D)E/
R 。
98. 單相變壓器,其輸出之效率最大時η=90%,輸出電力為 20kW,則此變壓器之鐵損約為 (A)90 (B)100 (C)110 (D)120 W。
99. 如下圖 RLC 並聯電路中,接於交流電源,流經電流計
之電流為多少?
(A)2.2A (B)4.4A (C)6.6A (D)8.8A 。
100. 下圖所示,Y-△電阻轉換,則 r 為
(A)3R (B)2R (C)1/3R (D)1/2R 。
申論題 (0)
相關試卷
114年 - 04000 配電線路裝修 乙級 工作項目 07:活線作業 101-136(2025/10/23 更新)#132590
114年 · #132590
114年 - 04000 配電線路裝修 乙級 工作項目 07:活線作業 51-100(2025/10/23 更新)#132589
114年 · #132589
114年 - 04000 配電線路裝修 乙級 工作項目 07:活線作業 1-50(2025/10/23 更新)#132588
114年 · #132588
114年 - 04000 配電線路裝修 乙級 工作項目 06:地下配電施工 51-76(2025/10/23 更新)#132587
114年 · #132587
114年 - 04000 配電線路裝修 乙級 工作項目 06:地下配電施工 1-50(2025/10/23 更新)#132586
114年 · #132586
114年 - 04000 配電線路裝修 乙級 工作項目 05:配電設備 51-72(2025/10/23 更新)#132585
114年 · #132585
114年 - 04000 配電線路裝修 乙級 工作項目 05:配電設備 1-50(2025/10/23 更新)#132584
114年 · #132584
114年 - 04000 配電線路裝修 乙級 工作項目 04:架線 51-89(2025/10/23 更新)#132583
114年 · #132583
114年 - 04000 配電線路裝修 乙級 工作項目 04:架線 1-50(2025/10/23 更新)#132582
114年 · #132582
114年 - 04000 配電線路裝修 乙級 工作項目 03:裝桿 1-60(2025/10/23 更新)#132581
114年 · #132581