阿摩線上測驗
登入
首頁
>
技檢◆配電電纜裝修-乙級
> 114年 - 07400 配電電纜裝修 乙級 工作項目 01:電工常識 51-100(2025/12/01 更新)#133980
114年 - 07400 配電電纜裝修 乙級 工作項目 01:電工常識 51-100(2025/12/01 更新)#133980
科目:
技檢◆配電電纜裝修-乙級 |
年份:
114年 |
選擇題數:
50 |
申論題數:
0
試卷資訊
所屬科目:
技檢◆配電電纜裝修-乙級
選擇題 (50)
51. 三相 500kVA 變壓器,其一次電壓為 12kV,則一次電流約為 (A)12A (B)24A (C)34A (D)40A 。
52. 如下圖所示,Y-△電阻轉換,則 R 為
(A)3r (B)2r (C)r (D)r/3 。
53. 額定容量 25kVA 單相變壓器三具接成△結線供電,因其中一具故障,則改接成 V 結線繼續供給三相負載,在不超載情況下,則三相負載不得超過三相總容量之 (A)50% (B)57.7% (C)85% (D)100% 。
54. 有一電熱器電壓為 110 伏特,電流為 3A,若連續使用 2 小時,則消耗電度(kWH)為 (A)0.3 kWH (B)0.6 kWH (C)0.33 kWH (D)0.66 kWH 。
55. 如下圖所示 A、B、C 任意兩端之電阻為
(A)3Ω (B)4Ω (C)6Ω (D)9Ω 。
56. 正弦波最大值與有效值的比值,此值即稱為波峰因數(P.F)約為 (A)0.636 (B)0.707 (C)1.11 (D)1.41 。
57. 一電阻 10Ω、電感抗 8Ω及電容抗 15Ω並聯連接並外加 120V 電壓,則其總電流約為 (A)8A (B)12A (C)14A (D)15A 。
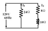
58. 如下圖 Z
1
與 Z
2
並聯,試求 Z
2
約為
(A)13Ω (B)18Ω (C)24Ω (D)42Ω 。
59. 如下圖 Z
1
、Z
2
與 Z
3
並聯,試求 Z
3
約為
(A)13Ω (B)24Ω (C)29Ω (D)42Ω 。
60. 如下圖 Z
1
與 Z
2
並聯,試求 I
1
約為
(A)4A (B)5A (C)12A (D)15A 。
61. 如下圖總電壓 V 為
(A)I R (B)I X
C
(C)I(R-jX
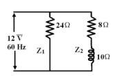
C
) (D)I V 。
62. 如下圖總電壓 V 為
(A)I R (B)I X
C
(C)I X
L
(D)I
。
63. 同容量之電容器 4 個串聯連接時,其總電容量為單一容量多少倍? (A)1/4 (B)1/3 (C)1/2 (D)1 。
64. 平衡三相三線△供電系統,若線電壓為 3.3kV 則其相電壓為 (A)3.3kV (B)3.3×
kV (C)3.3/
kV (D)6.6kV 。
65. 以瓦特計量測某一實際值為 P
1
瓦特之功率,但測得其值為 P
2
瓦特,則該瓦特計之誤差率為多少%? (A)(P
1
-P
2
)/ P
1
(B)(P
2
-P
1
)/P
1
(C)(P
1
-P
2
)/P
2
(D)(P
2
-P
1
)/ P
2
。
66. 單相 220V60Hz,負載電流為 10A,若其有效功率為 1800W 時,其功率因數約為 (A)0.60 (B)0.75 (C)0.82 (D)0.85 。
67. 電熱器其電阻為 10Ω,如接 200V 之電源,連續使用 20 小時,所消耗電度為 (A)80 度 (B)90 度 (C)100 度 (D)150 度 。
68. 功率因數為 0.6 之電路,已知其消耗功率為 60kW,則其相對應之無效功率為 (A)40kVAr (B)60kVAr (C)80kVAr (D)100kVAr 。
69. 功率因數為 0.8 之電路,已知其消耗功率為 80kW,則其相對應之視在功率為 (A)40kVA (B)60kVA (C)80kVA (D)100kVA 。
70. 以 600/5A 比流器附裝安培計測定某線路電流,如安培計讀數為 5A,則實際流經該導線之電流為 (A)240A (B)360A (C)450A (D)600A 。
71. 有一變壓器若一次線圈有 6600 匝,二次線圈有 19800 匝,則此變壓器之匝比為 (A)3:1 (B)1:3 (C)1:2 (D)2:1 。
72. 三相變壓器 167kVA,其二次電壓為 220V,則二次額定電流為 (A)438A(B)538A (C)638A (D)759A 。
73. 額定電壓 100V,容量 2kW 及 1kW 的電熱器,串接於 200V 電源時,1kW 電熱之端電壓為 (A)67V (B)100V (C)133V (D)200V 。
74. 單相變壓器 50kVA 乙具,若其二次額定電壓為 240V 時,則其二次額定電流約為 (A)21A (B)208A (C)227A (D)308A 。
75. 若交流正弦波的電壓最大值為 141 伏特時,則其有效值為 (A)100 伏特 (B)110 伏特 (C)141 伏特 (D)173 伏特 。
76. 單相亭置式變壓器在常溫下之一次線圈與外殼間絕緣電阻應約為 (A)0MΩ (B)5MΩ (C)10MΩ (D)20MΩ 。
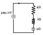
77. 如下圖所示,其總阻抗約為
(A)Z=3.47+j6.56Ω (B)Z=3.47Ω (C)Z=20.87Ω (D)Z=(3.47+6.56)Ω 。
78. 設 R-C 串聯電路,電源頻率 f=500Hz,R=10Ω,C=16μF,則其總阻抗 Z 為 (A)10+j20Ω (B)10-j20Ω (C)10Ω (D)30Ω 。
79. 如下圖所示,其總阻抗
(A)Z=4+j6Ω (B)Z=4+j3Ω (C)Z=4-j3Ω (D)Z=13Ω 。
80. 串聯交流電路,若諧振狀況時,電流與電源電壓是 (A)同相 (B)反相 (C)越前 90 度 (D)滯後 90 度 。
81. 並聯交流電路,若諧振狀況時,電感電壓與電容電壓是 (A)相等而反相(B)不等而反相 (C)相等而同相 (D)不等而同相 。
82. 二次變電所的主變壓器,常用的接法為 (A)△-△ (B)Y-Y (C)Y-△ (D)△-
。
83. 某工廠負載之有效電力為 1600kW,無效電力亦為 1600kVAr,如欲改善功率因數至 0.8,則應加裝之電容器為 (A)200kVAr (B)300kVAr (C)400kVAr (D)800kVAr 。
84. 純電感電路中 (A)電壓滯後電流 (B)電壓越前電流 (C)電壓與電流同相 (D)越前與滯後須視感抗之大小而定 。
85. 純電容電路中 (A)電壓滯後電流 (B)電壓越前電流 (C)電壓與電流同相 (D)越前與滯後須視容抗之大小而定 。
86. 變壓器運轉時,絕緣油的溫度是 (A)上部較高 (B)下部較高 (C)中部較高 (D)不一定 。
87. 複數
=-8+j4,
=5∠90°,則
為 (A)-8+j9 (B)-3+j4 (C)8-j9 (D)3-j4 。
88. 四只 12 歐姆之電阻並聯後,再與二只 3 歐姆電阻串聯,則總電阻為 (A)12 歐姆 (B)9 歐姆 (C)6 歐姆 (D)3 歐姆 。
89. 電容器的容量要增加,則 (A)電極的距離要大 (B)介質常數要低 (C)電極面積要大 (D)電極面積要小 。
90. 60Hz、110 伏特的電壓加於一個電感性線圈如電流為 4.4 安培,電阻予以忽略,則此線圈之電抗約為 (A)50 歐姆 (B)35.35 歐姆 (C)25 歐姆 (D)12.5歐姆 。
91. 五個相同電感並聯後,其總電感為原來單一電感值之 (A)5 倍 (B)3 倍 (C)1/3 倍 (D)1/5 倍 。
92. 三相四線式多重接地系統,使用二具單相變壓器,供燈力併用時,其接線法為 (A)V-V (B)U-V (C)U-U (D)Y-△ 。
93. 變壓器接線中,會產生第三諧波電壓之接法為 (A)Y-△ (B)△-△ (C)△-Y (D)Y-Y 。
94. 某變壓器一次分接頭置於 6300 匝時,二次電壓為 220 伏特,若一次分接頭改置於 6600 匝時,則二次電壓約為 (A)200 伏特 (B)210 伏特 (C)220 伏特 (D)230 伏特 。
95. 單相 7.2kV-120/240V 變壓器,當分接頭放在 6600 伏特位置,測得二次電壓為 110V,則電源電壓為 (A)6000V (B)6050V (C)6300V (D)6900V 。
96. 設負載為一定值 P(kW),欲將功率因數為 cosθ
1
改善至 cosθ
2
所需電容器之容量為多少 kVAr (A)P(cosθ
1
-cosθ
2
) (B)P/(tanθ
1
-tanθ
2
) (C)P(tanθ
1
-tanθ
2
) (D)P(tanθ
1
+tanθ
2
) 。
97. 下圖電容器連接電路之總靜電容量為
(A)2.0μF (B)6.7μF (C)6.9μF (D)9.0μF 。
98. 下圖電路之全部消耗電力為
(A)2.0kW (B)3.0kW (C)3.5kW (D)6.0kW 。
99. 有一變電站須供應設備容量 300kW,需量因數 60%之 A 工廠,以及設備容量 400kW,需量因數 50%之 B 工廠,A 工廠及 B 工廠間之參差率為 1.15,此變電站之供應之最高負載為 (A)330kW (B)380kW (C)437kW (D)700kW 。
100. 如下圖單相三線式配電線路,其 a-b 間之電壓是
(A)100V (B)102V (C)104V(D)106V 。
申論題 (0)
相關試卷
114年 - 07400 配電電纜裝修 乙級 工作項目 08:配電場所 1-50(2025/12/01 更新)#133994
114年 · #133994
114年 - 07400 配電電纜裝修 乙級 工作項目 07:配電設備 51-80(2025/12/01 更新)#133993
114年 · #133993
114年 - 07400 配電電纜裝修 乙級 工作項目 07:配電設備 1-50(2025/12/01 更新)#133992
114年 · #133992
114年 - 07400 配電電纜裝修 乙級 工作項目 06:人、手孔及管路作業 51-87(2025/12/01 更新)#133991
114年 · #133991
114年 - 07400 配電電纜裝修 乙級 工作項目 06:人、手孔及管路作業 1-50(2025/12/01 更新)#133990
114年 · #133990
114年 - 07400 配電電纜裝修 乙級 工作項目 05:電纜敷設作業 51-73(2025/12/01 更新)#133989
114年 · #133989
114年 - 07400 配電電纜裝修 乙級 工作項目 05:電纜敷設作業 1-50(2025/12/01 更新)#133988
114年 · #133988
114年 - 07400 配電電纜裝修 乙級 工作項目 04:高壓電纜接頭處理作業 101-133(2025/12/01 更新)#133987
114年 · #133987
114年 - 07400 配電電纜裝修 乙級 工作項目 04:高壓電纜接頭處理作業 51-100(2025/12/01 更新)#133986
114年 · #133986
114年 - 07400 配電電纜裝修 乙級 工作項目 04:高壓電纜接頭處理作業 1-50(2025/12/01 更新)#133985
114年 · #133985