所屬科目:技檢◆油壓-丙級
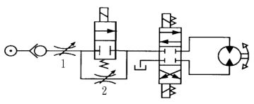
(A)上升速度控制 (B)下降速度控制 (C)上升同步速度控制 (D)下降速度同步控制 。
(A)量入(meter-in) (B)量出(meter-out) (C)旁通 (D)混合 控制。
(A)閥 1 (B)閥 2 (C)閥 1 與閥 2 (D)止回閥 所控制。
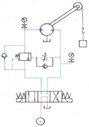
(A)壓力緩衝迴路 (B)短路迴路 (C)增壓迴路 (D)壓力設定迴路 。
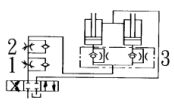
(A)分洩迴路 (B)量入迴路(Meter-in) (C)量出迴路 (D)減壓迴路(Reducing) 。
(A)並聯迴路 (B)串聯迴路 (C)制動迴路 (D)定扭矩迴路 。
(A)配衡迴路 (B)增壓迴路 (C)遙控迴路 (D)卸載迴路 。