所屬科目:技檢◆儀表電子-甲級
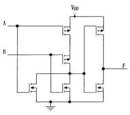
(A)OR (B)AND (C)NOR (D)NAND 。
(A)0V (B)0.72V (C)0.85V (D)5V 。
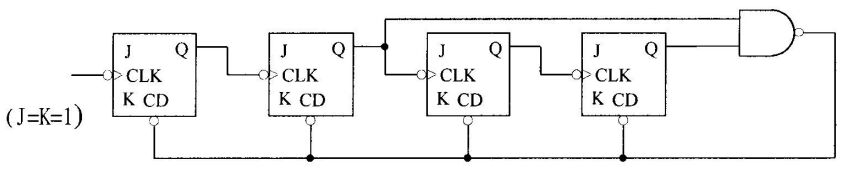
(A)5 (B)6 (C)7 (D)8 。
(A)5V (B)-5V (C)-2.5V (D)-1.25V 。
(A)(AB+BCi+ACi) (B) (C)A⊕B⊕Ci (D) 。
(A)A=0、B=0、C=1、D=1 (B)A=0、B=0、C=1、D=0 (C)A=1、B=0、C=0、D=1 (D)A=1、B=1、C=0、D=0 。
(A) (B) (C)(D) 。
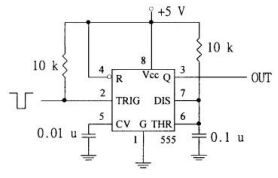
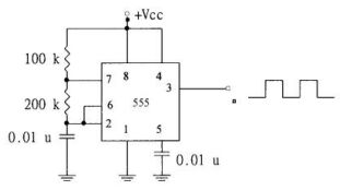
(A)244Hz (B)288Hz (C)460Hz (D)480Hz 。
(A)4.5MHz (B)5MHz(C)10MHz (D)20MHz 。
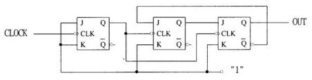
(A)1 (B)3 (C)4 (D)6 。
(A)0.7ms (B)0.8ms(C)1ms (D)1.1ms 。
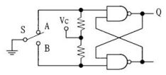
(A)由原來的 low 變為 high 後再變為 low (B)由原來的high 變為 low 後再變為 high (C)由原來的 low 變為永久的 high (D)由原來的high 變為永久的 low 。
(A)5000 歐姆 (B)3000 歐姆 (C)500 歐姆 (D)300 歐姆 。
(A)4 (B)5 (C)7 (D)8 。
(A)(B)(C) (D) 。
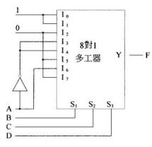
(A)Σ(2,5,6,7,10,11,12,13) (B)Σ(0,1,3,4,10,11,12,13) (C)Σ(0,1,3,4,8,9,14) (D)Σ(2,5,6,7,8,9,14) 。
(A)1→0→0→1 (B)1→1→0→0 (C)0→0→1→1 (D)0→1→0→1 。
(A)AND (B)OR (C)NAND (D)NOR 。