所屬科目:技檢◆儀表電子-甲級
(A) (B) (C) (D) 。
(A)X0=1 (B)X1=Ci(C)X2=Ci(D)X3=0 。
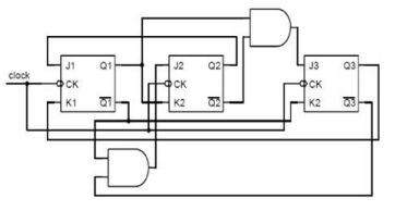
(A)此電路為模 6計數器 (B)計數狀態 2 的下一計數狀態為 3 (C)計數狀態 5 的下一狀態為 4(D)計數狀態 0 的下一狀態為 1 。
(A)為下數計數器(B)為上數計數器 (C)為計數模數 6 的計數器 (D)為計數模數 10 的計數器 。
(A)110 的下一個狀態為 100 (B)001 的下一個狀態為 100 (C)為計數模數 6 的計數器 (D)為計數模數 5 的計數器 。
(A)000(B)001 (C)010 (D)011 。
(A)圖(a)為 T 型正反器 (B)圖(b)為 D 型正反器 (C)圖為 D型正反器 (D)圖(d)為 T 型正反器 。