阿摩線上測驗
登入
首頁
>
技檢◆電力電子-乙級
> 114年 - 11600 電力電子 乙級 工作項目 03:儀表及工具使用 1-42(2025/12/12 更新)#134841
114年 - 11600 電力電子 乙級 工作項目 03:儀表及工具使用 1-42(2025/12/12 更新)#134841
科目:
技檢◆電力電子-乙級 |
年份:
114年 |
選擇題數:
42 |
申論題數:
0
試卷資訊
所屬科目:
技檢◆電力電子-乙級
選擇題 (42)
1. 若一電流表滿刻度電流為 50μA,且表頭內阻為 2kΩ,若用來測量 10V的直流電壓,應串聯的倍率電阻為 (A)2kΩ (B)20kΩ (C)200kΩ (D)198kΩ 。
2. 使用電壓表量測待測電阻上的電壓時,為得到較準確的結果,一般電壓表之內阻為待測電路電阻幾倍? (A)10 倍 (B)5 倍 (C)3 倍 (D)2 倍 。
3. 配合示波器,選用電壓測試棒(probe),不須考慮 (A)阻抗匹配 (B)量測電壓範圍 (C)頻帶寬度 (D)耐流值 。
4. 相序計乃在測量三相電源線間之 (A)電壓大小關係 (B)電流大小關係 (C)時相角關係 (D)空間角度關係 。
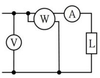
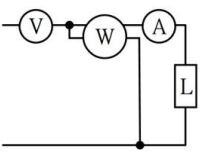
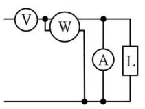
5. 電壓、電流及電功率之測量時,下列何圖正確? (A)
(B)
(C)
(D)
。
6. 一只 1mA 之電流表其內阻為 999Ω,欲改裝成 0 至 1A 之電流表,其分路電阻為 (A)0.1Ω (B)1Ω (C)10Ω (D)100Ω 。
7. 200kHz 之信號波形由數位儲存示波器顯示,以 500MSa/s 速率取樣,每一週期抽樣數為 (A)250 (B)500 (C)1000 (D)2500 。
8. 測量 300A 以上交流電流可以採用的方法,下列何種量測較不適宜? (A)直接串聯法 (B)電流分流器法 (C)比流器交連法 (D)夾線式磁通量測試法 。
9. 標示為 0~100MHz 之示波器,係指此示波器中之哪一個電路的頻率響應? (A)水平放大 (B)垂直放大 (C)掃描電路 (D)視頻放大 。
10. 三用電表之零歐姆調整,一般係在補償 (A)三用電表之探棒電阻 (B)電池的老化 (C)接觸電阻 (D)溫度效應 。
11. 下列何者為萬用計數器(universal counter)所不能測量? (A)週期 (B)頻率(C)脈波振幅 (D)脈波數 。
12. 示波器可用來直接測量 (A)波形振幅及頻率 (B)電壓振幅及電阻 (C)電流振幅及電阻 (D)電壓、電流及電阻 。
13. 高阻計是用來測量 (A)接地電阻 (B)絕緣電阻 (C)電解溶液電阻 (D)接觸電阻 。
14. 某個 4 位半之數位式電壓表,最大顯示為 (A)1999 (B)3999 (C)39999 (D)19999 。
15. 示波器“Level”控制鈕是控制其 (A)頻率 (B)焦距 (C)振幅 (D)觸發準位 。
16. 以交流電壓表量測正弦波信號時,其指示值係為 (A)有效值 (B)平均值 (C)最大值 (D)瞬間值 。
17. 內阻 200Ω之電流表,欲獲得量測電流的倍增率為 20 時,則分流電阻約為 (A)9.5Ω (B)10Ω (C)10.5Ω (D)11Ω 。
18. 比壓器的英文代號是 (A)CT (B)AT (C)PT (D)KW 。
19. 以電壓表和電流表來測量電阻,是一種 (A)間接測量法 (B)比較測量法 (C)直接測量法 (D)絕對測量法 。
20. 游標卡尺 (A)只能測量工作物之外徑 (B)只能測量工作物內徑 (C)內、外徑皆可測量 (D)可測量角度 。
21. 清除銼刀齒上的鐵屑時,應使用 (A)乾淨布 (B)清潔液 (C)鋼刷 (D)毛刷 。
22. 用來鬆動內六角螺絲,正確應使用 (A)六角扳手 (B)螺絲起子 (C)手鉗 (D)活動扳手 。
23. 剝除 OK 線時,應使用 (A)電工刀 (B)剝線鉗 (C)斜口鉗 (D)尖嘴鉗 。
24. 使用示波器測量電路上非接地之兩點電位差,應使用何種探棒? (A)電壓探棒 (B)電流探棒 (C)功率探棒 (D)差動探棒 。
25. 能產生正弦波、方波、斜波或脈波的儀器是哪一種儀器? (A)函數波信號產生器 (B)脈波信號產生器 (C)掃描信號產生器 (D)低頻信號產生器 。
26. 示波器可以直接用來 (A)測量電壓、電流、電阻的大小 (B)測量電壓波形、頻率和振幅 (C)只能測量電壓波形 (D)能測量電壓和電阻大小 。
27. 三用電表不能直接測量 (A)電阻 (B)直流電流 (C)交流功率 (D)交流電壓 。
28. 下列何種線規為公制線規? (A)AWG (B)SWG (C)CWG (D)TWG 。
29. 下列何種儀器可量測週期性信號的頻率? (A)功率表 (B)電度表 (C)電壓表(D)示波器 。
30. 用示波器量測單相交流電壓源之電壓波形,若衰減比為 10 倍,電壓刻度為 5V/DIV,其電壓波形峰對峰值為 6 刻度,此電壓有效值約為 (A)300V(B)200V (C)150V (D)
。
31. 下列何者為直流電源供應器之限制電流的主要目的? (A)防止輸出電流過大而損壞 (B)提高輸出功率 (C)提高輸出電壓 (D)可防止絕緣破壞 。
32. 下列關於示波器的輸入選擇開關位置(AC、GND、DC)之敘述,何者正確? (A)置於 DC 位置時,只能量測直流成分信號,不能量測交流成分信號 (B)置於 AC 位置時,輸入端所串聯電容器可將信號之直流成分濾除 (C)置於 GND 位置時,可量測交流及直流成分之信號 (D)置於 AC 位置時,可量測直流成分的信號 。
33. 示波器量測週期性信號,其時間的刻度為 0.5μs/DIV,若此週期為 4 格(刻度),則此信號頻率為 (A)100kHz (B)200kHz (C)400kHz (D)500kHz 。
複選題
34. 三用電表又稱為伏特-歐姆-毫安培(volt-ohm-milliammeter),為一採用達松發爾轉動裝置,使用選擇開關連接適當的電路,此儀表可測量下列哪些項目? (A)電阻 (B)電流 (C)波形 (D)電壓 。
複選題
35. 靈敏度為 20kΩ/V 之伏特計,將其切換至 50V 檔,來測量下圖所示 a、b兩端之電壓為 50V,所測得之電壓及測量之準確度為
(A)Vab=50V (B)Vab=45.5V (C)91.91% (D)90.91% 。
複選題
36. 某伏特計之靈敏度為 20kΩ/V,試求轉動裝置滿刻度電流 IM及 10V、50V、250V 各測量範圍之總內阻 (A)I
M
=50μA (B)10V 檔:200kΩ (C)50V檔:3MΩ (D)250V 檔:5MΩ 。
複選題
37. 電力分析儀的主要功能在於量測 (A)磁場 (B)電流 (C)電壓 (D)功率 。
複選題
38. 一般示波器可直接觀測出下列哪些信號? (A)波形 (B)週期 (C)功率值 (D)電壓峰到峰值 。
複選題
39. 下列針對示波器的使用敘述,哪些正確? (A)量測交流訊號必須切換到交流耦合(AC)模式,才不會失真 (B)觀察訊號的上升時間,應將邊緣觸發斜率設為正緣 (C)觸發位準須調整於訊號電壓範圍內 (D)數位示波器的取樣率等於示波器的最大量測訊號頻寬 。
複選題
40. 下列針對訊號產生器的使用敘述,哪些正確? (A)直流抵補(offset)設定可調整訊號的直流成分 (B)TTL/CMOS 輸出端的輸出阻抗為 50Ω (C)波幅(amplitude)設定可調整訊號的振幅 (D)頻率(frequency)設定可調整訊號的頻率 。
複選題
41. 下列針對電源供應器的使用敘述,哪些正確? (A)當輸出電流低於設定電流值時,輸出為所設定的固定電壓 (B)當輸出電流等於設定電流值時,電源供應器具有電流源的特性 (C)當雙通道的電源供應器切換於並聯模式時,可輸出兩倍的最高電壓 (D)當電源供應器的固定電流(CC)燈號亮起時,代表所連接的電路一定有短路故障 。
複選題
42. 下列針對直流電子負載的使用敘述,哪些正確? (A)可提供固定電流的負載 (B)可固定負載電壓的上限 (C)可提供固定電阻的負載 (D)具有充放電的能力 。
申論題 (0)
相關試卷
114年 - 11600 電力電子 乙級 工作項目 09:裝備測試與檢修 1-43(2025/12/12 更新)#134852
114年 · #134852
114年 - 11600 電力電子 乙級 工作項目 08:電力電子系統與應用 101-164(2025/12/12 更新)#134851
114年 · #134851
114年 - 11600 電力電子 乙級 工作項目 08:電力電子系統與應用 51-100(2025/12/12 更新)#134850
114年 · #134850
114年 - 11600 電力電子 乙級 工作項目 08:電力電子系統與應用 1-50(2025/12/12 更新)#134849
114年 · #134849
114年 - 11600 電力電子 乙級 工作項目 07:程式設計與微電腦應用 1-31(2025/12/12 更新)#134848
114年 · #134848
114年 - 11600 電力電子 乙級 工作項目 06:邏輯與數位系統 1-61(2025/12/12 更新)#134847
114年 · #134847
114年 - 11600 電力電子 乙級 工作項目 05:電子學 51-85(2025/12/12 更新)#134846
114年 · #134846
114年 - 11600 電力電子 乙級 工作項目 05:電子學 1-50(2025/12/12 更新)#134845
114年 · #134845
114年 - 11600 電力電子 乙級 工作項目 04:電工學 51-117(2025/12/12 更新)#134843
114年 · #134843
114年 - 11600 電力電子 乙級 工作項目 04:電工學 1-50(2025/12/12 更新)#134842
114年 · #134842