所屬科目:技檢◆電力電子-甲級
(A)50Ω (B)314Ω (C)628Ω (D)936Ω 。
(A)74V (B)100V (C)134V (D)180V 。
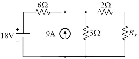
(A)0A (B)5A (C)10A (D)15A 。
(A)4.5V (B)5V (C)5.5V (D)8V 。
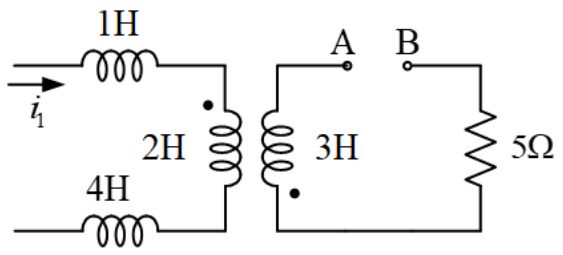
(A)1mH (B)4mH (C)10mH (D)13mH 。
(A)349μF (B)419μF (C)603μF (D)724μF 。
(A)0 安培 (B)1 安培 (C)2 安培 (D)3 安培 。
(A)600W (B)800W (C)1200W (D)1400W 。
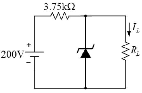
(A)5mA (B)25mA (C)30mA (D)35mA 。
(A)1A (B)2A (C)3A (D)4A 。
(A)22.5V (B)28.3V (C)34.8V (D)43.6V 。
(A)18W (B)24W (C)36W (D)48W 。
(A)3H (B)5H (C)9H (D)15H 。
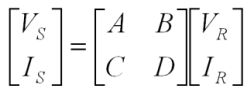
(A)A=1 (B)B=1Ω (C)C=1V (D)D=1A 。
(A)1 (B)2 (C)4 (D)8 。
(A)18 (B)36 (C)56 (D)128 。
(A)0.707A (B)1A (C)1.414A (D)2A 。
(A)100 (B)144 (C)200 (D)250 。