阿摩線上測驗
登入
首頁
>
技檢◆電力電子-甲級
> 114年 - 11600 電力電子 甲級 工作項目 08:電力電子系統與應用 201-224(2025/12/08 更新)#134460
114年 - 11600 電力電子 甲級 工作項目 08:電力電子系統與應用 201-224(2025/12/08 更新)#134460
科目:
技檢◆電力電子-甲級 |
年份:
114年 |
選擇題數:
24 |
申論題數:
0
試卷資訊
所屬科目:
技檢◆電力電子-甲級
選擇題 (24)
複選題
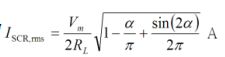
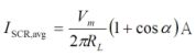
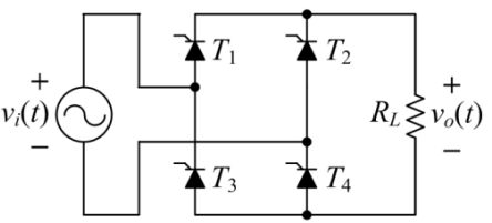
201. 下圖所示之單相受控半波整流電路,純電阻性負載,輸入電源為Vi(t)=V
m
sin(ωt)V,α為激發延遲角(delay angle), V
o
為輸出電壓平均值,下列哪些選項正確?
(A)電源負半周時,SCR 能激發導通 (B)負載上平均電壓為
(C)負載上有效值電壓為
(D)平均功率為
。
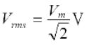
複選題
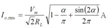
202. 下圖所示單相全波橋式整流電路具有純電阻負載,V
i
(t)=V
m
sin(ωt)V ,下列哪些選項正確?
(A)交流電源的平均電流不為零 (B)負載上平均電壓為
(C)負載上有效值電壓為
(D)功率因數為 1 。
複選題
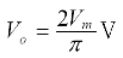
203. 下圖所示之單相受控全波整流電路,純電阻性負載,輸入電源為Vi(t)=Vm sin(ωt)V,α為激發延遲角(delay angle),下列哪些選項正確?
(A)負載上平均電流為
(B)電源之平均電流等於負載平均電流 (C)負載上有效值電流為
(D)α>0°時,功率因數為 1 。
複選題
204. 下圖為三相受控整流電路,加入三相平衡交流電源,線對線電壓最大值為 V
m,L-L
,α為激發延遲角(delay angle),考慮負載電流連續場合,下列哪些選項正確?
(A)任何時間下對 SCR 加激發,SCR 都會導通 (B)負載上平均電壓為
(C)每線之交流電流平均值不等於零 (D)輸出電壓的諧波階次為 6k, k = 1, 2, 3,…,其振幅為α之函數 。
複選題
205. 下圖所示之單相交流電壓控制器(AC voltage controller),輸入電源為V
i
(t)=V
m
sin(ωt)V,純電阻性負載,觸發延遲角為α,下列哪些選項正確?
(A)負載端電流有效值為
(B)流過每個 SCR 電流平均值為
(C)α>0°時,功率因數為 1 (D)流過每個 SCR 之電流有效值為
。
複選題
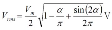
206. 下圖所示之導通-截止(on-off)控制之交流電壓控制器,輸入電源為V
i
(t)=V
m
sin(ωt)V,純電阻性負載。閘流體開關控制導通 m 個週期,截止 n 個週期,重複循環,下列哪些選項正確?
(A)負載端電壓有效值為
(B)負載端電壓平均值為 0 V (C)各閘流體電流平均值為 0 A(D)電源側功率因數為
。
複選題
207. 某升壓型轉換器(boost converter)如下圖所示,其中輸出電壓為 8 V,輸出電流為 1 A,切換頻率為 200 kHz,輸入電壓為 2.7 V 至 4.2 V,採用責任週期(duty cycle)控制方式,使輸出電壓保持固定。若電感器電流之漣波率為 40%,下列敘述何者正確?
(A)電感值選用 13.1 μH (B)電感值選用 7.5 μH (C)此升壓型轉換器操作於連續導通模式(continuousconduction mode, CCM) (D)此升壓型轉換器操作於不連續導通模式(discontinuous conduction mode, DCM) 。
複選題
208. 某降壓型轉換器(buck converter)如下圖所示,其中切換頻率為 500kHz,輸入電壓為 3.3 V,輸出電壓為 1.2 V,輸出電流為 4A 至 6 A,電感器電流的峰對峰值對平均值的比率為 40%。下列敘述何者正確?
(A)此降壓型轉換器操作於不連續導通模式(discontinuous conduction mode,DCM) (B)所需電感值約為 1 μH (C)電感器最大的電流有效值為 6 A (D)為提高轉換效率,此降壓型轉換器應使用同步整流技術(synchronousrectification)。 。
複選題
209. 某邱克轉換器(Ćuk converter)如下圖所示,輸入電壓為 12 V,輸出電壓為 18 V,輸出功率為 40 W,切換頻率為 50 kHz,電感器電流之漣波率為 10%,輸出電壓漣波率低於 1%。下列敘述何者正確?
(A)所需電感值L
1
為 200 μH (B)所需電感值 L
2
為 649 μH (C)電容器 C
1
之平均電壓為 18V (D)所需輸出電容值 C 應大於 3.08 μF 。
複選題
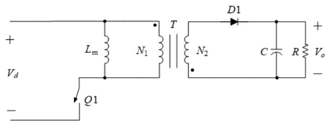
210. 如下圖所示之返馳式轉換器(flyback converter)操作於連續導通模式(continuous conduction mode, CCM),其中輸入電壓 V
d
= 24 V,變壓器匝數比 N
1
/ N
2
=3.0,變壓器激磁電感值 L
m
= 500 μH,輸出負載電阻 R= 5Ω ,輸出端電容值 C = 200 μF,切換頻率 f
s
= 40 kHz,輸出電壓V
o
= 5 V。下列敘述何者正確?
(A)此時責任週期為 0.385 (B)激磁電感器之電流平均值為 540 mA (C)激磁電感器之電流峰值為 770 mA (D)輸出電壓漣波率為 0.96% 。
複選題
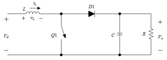
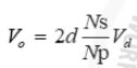
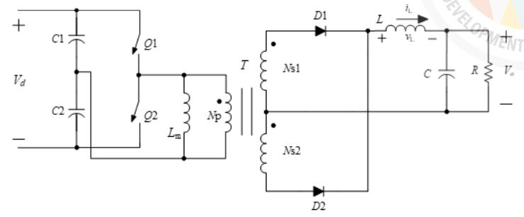
211. 某推挽式轉換器(push-pull converter)如下圖所示,其中輸入電壓 V
d
= 30V,匝數比 Np / Ns = 2(Np = Np1 = Np2 且 Ns = Ns1 = Ns2),責任週期d = 0.3,電感 L = 0.5 mH,輸出負載電阻 R = 6Ω ,輸出端電容 C = 50μF,切換頻率 f
s
= 10 kHz。下列敘述何者正確?
(A)此轉換器操作於連續導通模式(continuous conduction mode) (B)此轉換器操作於不連續導通模式(discontinuous conduction mode) (C)輸出電壓為 9 V (D)此轉換器必需具有死區時間控制(dead-time control),藉以避免輸出端短路 。
複選題
212. 某半橋式轉換器(half-bridge converter)如下圖所示,其中 L
m
為變壓器之激磁電感。下列敘述何者正確?
(A)實際製作此一轉換器時,應在變壓器一次側繞組(含 Np 與 L
m
)串接一電容器,藉以阻隔直流電壓,防止變壓器飽和 (B)考慮變壓器漏感(leakage inductance)時,開關 Q1 與 Q2 皆應並接快速二極體 (C)此轉換器操作於連續導通模式(continuous conductionmode)時,輸出電壓與輸入電壓之關係為
,d 為責任週期比(duty ratio) (D)此轉換器必需具有死區時間制(dead-time control),藉以避免輸入端短路。 。
複選題
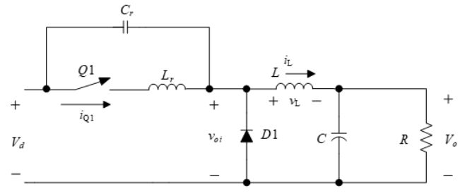
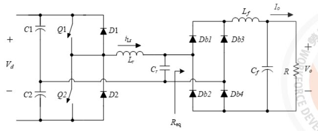
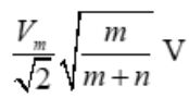
213. 某諧振式轉換器(resonant converter)如下圖所示,下列敘述何者正確?
(A)開關 D1 僅可實現零電流切換(zero current switching),不可實現零電壓切換(zero voltage switching) (B)此轉換器可實現開關 Q1 之零電流切換(zero current switching) (C)為實現開關之柔性切換(soft switching)功能,應調變切換頻率 (D)正常工作時,開關 Q1 之電流峰值等於流經負載 R 之電流 。
複選題
214. 某諧振式轉換器(resonant converter)如下圖所示,下列敘述何者正確?(A)當切換頻率 f
s
低於諧振頻率 f
r
一半時,亦即 f
s
< (f
r
/ 2),則輸出電壓與切換頻率成正比,此時諧振槽呈現電容性阻抗,可實現開關 Q1 與 Q2之零電流切換(zero current switching) (B)當切換頻率 fs與諧振頻率 f
r
之關係為(f
r
/ 2) < f
s
< f
r
,則輸出電壓與切換頻率成正比,此時諧振槽呈現電感性阻抗,可實現開關 Q1 與 Q2 之零電流切換(zero current switching)(C)二極體 Db1 至 Db4 皆不具有柔性切換(soft switching) (D)R
eq
= π
2
R /8 。
複選題
215. DC-DC 轉換器工作模式之英文縮寫,下列哪些正確?
(A)PCM (B)CCM (C)BCM (D)DCM 。
複選題
216. 電動車上所用電力電子轉換器之類型,下列哪些正確? (A)AC-DC (B)DC-DC (C)DC-AC (D)AC-AC 。
複選題
217. 碳化矽(silicon carbide, SiC)與矽(Si)半導體材料製作元件之特性比較,下列敘述哪些正確? (A)禁帶寬度較大 (B)臨界擊穿場強較大 (C)可耐受的溫度較高 (D)頻寬較窄 。
複選題
218. 某 1 kW、85 V 永磁直流電動機由單相全控橋式 SCR 相位控制整流器驅動,電源電壓為 115 V、60 Hz,在額定電壓下運行,直流電動機的無載轉速為 1725 rpm,電樞電阻 R
a
為 0.82 Ω,串聯一個大電感 L 為 580mH、其內電阻為 R
l
為0.28 Ω,電機轉速為 1650 rpm 時,若電樞電流為7.6 A 連續,則下列敘述哪些正確? (A)電機轉速為 1650 rpm 時,電動機產生反電動勢約為 81.3 V (B)控制整流器的觸發延遲角
d
約為 30° (C)電動機電樞輸入功率約為 681.4 W (D)控制整流器的觸發延遲角
d
約為 60° 。
複選題
219. 三相全波橋式 SCR 相位控制整流器,三相電源為 60 Hz、460 V,負載為電磁鐵,其串聯等效電路參數為電感 14.7 H 及電阻 68Ω,若電流為連續,則下列敘述哪些正確? (A)激發延遲角
d
為 0°時,負載上的電壓平均值為最小值 (B)負載上的電壓平均值最大 V
dc,max
約為 621 V (C)負載電流平均值最大 I
dc, max
約為 9.13 A (D)負載電流平均值 Idc為 7.9 A 所需的激發延遲角
d
約為 30° 。
複選題
220. 三相全波橋式 SCR 相位控制整流器,三相電源為 50 Hz、15 V,整流器的輸出連接到超導磁體繞組,其電感為 4.9 H、電阻為 3.6 mΩ,額定工作電流為 80 A。若在 25 秒內以恆定速率“充電”超導磁鐵以達到額定電流,則下列敘述哪些正確? (A)充電速率約為 3.2 A/sec (B)實現充電目標所需的觸發延遲角
d
約為 39.2° (C)保持 80 A 恆定電流所需直流電壓約為 15.7 V (D)保持 80 A 恆定電流所需的觸發延遲角
d
約為 89.2° 。
複選題
221. 某 20 kW 降壓轉換器,運行在連續導通模式(CCM)下,從 500 V 電池要產生 200 V 的直流電壓,開關頻率為 10 kHz,若電感上的電流漣波百分率為 28 %,則下列敘述哪些正確? (A)責任週期比(duty ratio)為 0.6 (B)電感平均電流為 100 A (C)電感漣波電流峰對峰值為 28 A (D)所需要的電感量約為 428.6 μH 。
複選題
222. 降壓轉換器(buck converter)運作於邊界導通模式(boundaryconduction mode, BCM),若要使轉換器進入不連續導通模式(discontinuous conduction mode, DCM),則下列敘述哪些正確? (A)降低負載電流 (B)降低開關頻率 (C)增大電感值 (D)降低切換週期 。
複選題
223. 交錯式電力轉換器(interleaved converter)的優點,下列敘述哪些正確? (A)降低開關元件的電壓及電流應力 (B)減少儲能電感的體積 (C)減少輸出電容的體積 (D)降低輸出及輸入電流之漣波大小 。
複選題
224. 考慮各種調變(調制)方案,若電池電壓為 300 V,變流器(inverter)提供的驅動牽引電動機最大的相電壓有效值,下列敘述哪些正確? (A)正弦波寬調變最大的相電壓有效值約為 106.2 V (B)空間向量調變最大的相電壓有效值約為 122.4 V (C)方波調變最大的相電壓有效值約為 135 V (D)拋物線調變最大的相電壓有效值約為 300 V 。
申論題 (0)
相關試卷
114年 - 11600 電力電子 甲級 工作項目 09:裝備測試與檢修 1-17(2025/12/08 更新)#134461
114年 · #134461
114年 - 11600 電力電子 甲級 工作項目 08:電力電子系統與應用 151-200(2025/12/08 更新)#134459
114年 · #134459
114年 - 11600 電力電子 甲級 工作項目 08:電力電子系統與應用 101-150(2025/12/08 更新)#134458
114年 · #134458
114年 - 11600 電力電子 甲級 工作項目 08:電力電子系統與應用 51-100(2025/12/08 更新)#134457
114年 · #134457
114年 - 11600 電力電子 甲級 工作項目 08:電力電子系統與應用 1-50(2025/12/08 更新)#134456
114年 · #134456
114年 - 11600 電力電子 甲級 工作項目 07:程式設計與微電腦應用 1-33(2025/12/08 更新)#134455
114年 · #134455
114年 - 11600 電力電子 甲級 工作項目 06:邏輯與數位系統 1-37(2025/12/08 更新)#134454
114年 · #134454
114年 - 11600 電力電子 甲級 工作項目 05:電子學 51-96(2025/12/08 更新)#134453
114年 · #134453
114年 - 11600 電力電子 甲級 工作項目 05:電子學 1-50(2025/12/08 更新)#134452
114年 · #134452
114年 - 11600 電力電子 甲級 工作項目 04:電工學 101-135(2025/12/08 更新)#134451
114年 · #134451