阿摩線上測驗
登入
首頁
>
技檢◆電腦硬體裝修-丙級
> 114年 - 12000 電腦硬體裝修 丙級 工作項目 03:儀表、軟體及一般工具使用 101-149(2025/12/16 更新)#134989
114年 - 12000 電腦硬體裝修 丙級 工作項目 03:儀表、軟體及一般工具使用 101-149(2025/12/16 更新)#134989
科目:
技檢◆電腦硬體裝修-丙級 |
年份:
114年 |
選擇題數:
49 |
申論題數:
0
試卷資訊
所屬科目:
技檢◆電腦硬體裝修-丙級
選擇題 (49)
101. 某網路卡的 IP 位址與網路遮罩分別為 172.16.0.24 及 255.255.0.0,下列何者是網路卡的廣播位址? (A)172.16.0.255 (B)172.16.255.255 (C)172.16.0.0(D)172.16.255.0 。
102. 某網路卡的 IP 位址與網路遮罩分別為 172.16.0.24 及 255.255.0.0,下列何者是網路卡的網路位址? (A)127.0.0.1 (B)172.16.0.0 (C)255.255.255.255 (D)255.255.0.24 。
103. 路由器(Router)用來連接什麼設備? (A)橋接器和中繼器 (B)橋接器和集線器(C)兩個或更多個網路 (D)集線器和節點 。
104. IP 位址 225.0.0.255 為哪一類的位址? (A)Class A (B)Class B (C)Class C (D)Class D 。
105. 針對同一待測物,以同一儀表使用相同的方法,經多次的量測後,其個別測量值彼此間的差距程度,稱為下列何者? (A)精確度(Precision) (B)靈敏度(Sensitivity) (C)解析度(Resolution) (D)準確度(Accuracy) 。
106. 在 Windows 7 系統環境中,下列何者不是「事件檢視器」紀錄的日誌?(A)系統日誌 (B)應用程式日誌 (C)安全性日誌 (D)病毒日誌 。
107. IPv6 協定中,使用幾個位元來表示 IP 位址? (A)32 (B)64 (C)128 (D)256 。
108. 在 Windows 7 中,執行 msconfig 無法設定下列何種功能? (A)開機 (B)服務(C)啟動 (D)備份 。
109. 磁碟陣列 RAID(Redundant Array of Independent Disks)技術中,能兼顧存取速度與資料安全的是下列何者? (A)RAID 0 (B)RAID 1 (C)RAID 3 (D)RAID5 。
110. 欲規劃使用 RAID 5 的磁碟陣列,至少需要幾個硬碟? (A)2 (B)3 (C)4 (D)5 。
111. 兩部個人電腦(PC)若不透過 Hub 或 Switch,僅使用網路卡對網路卡的連接,網路線兩端的雙絞線接頭需以下列何種規格製作,連線工作才能正確執行? (A)EIA 568A/EIA 568A (B)EIA 568B/EIA 568B (C)EIA 568A/EIA 568B (D)EIA 568A/EIA 568C 。
112. Windows Server 2008 安裝 AD(Active Directory)服務時,以下何者為非必要的項目? (A)NTFS 的磁碟分割區 (B)TCP/IP 通訊協定 (C)支援 ServiceResource Records 的 DNS 服務 (D)DFS 分散式檔案系統 。
113. 在 Windows 7 中的桌面(Desktop)按滑鼠右鍵,則下列何者為「個人化\螢幕保護裝置」之最小「等候」時間為多少分鐘? (A)1 (B)2 (C)3 (D)4 。
114. 在 Windows 7 中的桌面(Desktop)按滑鼠右鍵,則下列何者為「個人化\關閉顯示器」之最小選項? (A)1 分鐘 (B)30 分鐘 (C)1 小時 (D)5 小時 。
115. 針對同一待測物,以同一儀表使用相同的方法,經多次的量測後,其平均值與標準值之間的差距,稱為下列何者? (A)精確度(Precision) (B)靈敏度(Sensitivity) (C)解析度(Resolution) (D)準確度(Accuracy) 。
116. 針對待測物以儀表量測,其所引起儀表反應的最小輸入變化量,稱為下列何者? (A)精確度(Precision) (B)靈敏度(Sensitivity) (C)解析度(Resolution) (D)準確度(Accuracy) 。
117. 在 Windows 7 中的桌面(Desktop)按滑鼠右鍵,則下列何者不是「個人化\桌面背景」之「圖片位置」的選項? (A)延展 (B)置中 (C)並排 (D)無影像 。
118. 下列何者不是安裝 Windows 7 作業系統的電腦,在磁碟分割區可以使用的檔案系統類型? (A)NTFS (B)FAT (C)CAI (D)FAT32 。
119. 在 Windows 10 作業系統的預設環境中,下列何者是獲得「剪取工具」功能的檔案名稱? (A)osk.exe (B)magnify.exe (C)mspaint.exe (D)SnippingTool.exe 。
120. 在 Windows 10 作業系統的預設環境中,下列何者是執行「清理磁碟」的檔案名稱? (A)ntbackup.exe (B)cleanmgr.exe (C)msinfo32.exe (D)dfrg.msc 。
121. 在 Windows 10 作業系統的預設環境中,下列何者是獲得「系統資訊」功能的檔案名稱? (A)ntbackup.exe (B)cleanmgr.exe (C)msinfo32.exe (D)dfrg.msc 。
122. 在 Windows 10 作業系統的預設環境中,下列何者是獲得「螢幕小鍵盤」功能的檔案名稱? (A)osk.exe (B)magnify.exe (C)mspaint.exe (D)calc.exe 。
123. 在 Windows 7 作業系統的預設環境中,下列何者是獲得「放大鏡」功能的檔案名稱? (A)osk.exe (B)magnify.exe (C)mspaint.exe (D)calc.exe 。
124. 在 Windows 10 作業系統的預設環境中,下列何者是執行「小畫家」的檔案名稱? (A)osk.exe (B)magnify.exe (C)mspaint.exe (D)calc.exe 。
125. 在 Windows 10 作業系統的預設環境中,下列何者是執行「小算盤」的檔案名稱? (A)osk.exe (B)magnify.exe (C)mspaint.exe (D)calc.exe 。
126. 在 Windows 10 作業系統的預設環境中,下列何者是執行「遠端桌面連線」的檔案名稱? (A)osk.exe (B)magnify.exe (C)mstsc.exe (D)calc.exe 。
127. 有關 SCR 的特性描述,下列何者為誤? (A)SCR 是一種 PNPN 的四層半導體 (B)SCR 的中文名稱為雙向二極體 (C)SCR 有 A、K、G 等 3 個接腳 (D)要讓 AK 之間導電,需在 G 腳加入激發脈波信號 。
128. 有關下圖電路的說明,下列哪一個敘述是正確的?
(A)為一個正弦波振盪電路 (B)輸出 Vo1 信號的頻率是由電源電壓的高低決定 (C)正半週的週期與負半週的週期是不對稱的 (D)兩個電晶體的功能是當作開關 。
129. 一種不需外加訊號輸入,就能將直流電轉變為某一定頻率之交流訊號的電路稱為 (A)整流器 (B)振盪器 (C)檢波器 (D)放大器 。
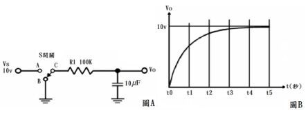
130. 參考下圖( A )的電路,假設 S 開關原本是 C 和 B 相接,若在圖( B )的 t0 時間撥到 C 和 A 相接,則由 t0 到 t5 的充電時間共需多少秒?
(A)10 (B)5 (C)0.5 (D)0.05 。
131. JFET 的通道是介於哪兩極之間? (A)輸入端與輸出端 (B)閘極與汲極 (C)汲極與源極 (D)閘極與源極 。
132. FET 的 I
DSS
是指下列何者? (A)汲極電流的最大值 (B)源極短路時的汲極電流 (C)I
G
截止時的汲極電流 (D)汲極電流的最大中間值 。
133. 一直在線性工作區(Active region)工作的放大器為 (A)A 類 (B)B 類 (C)AB 類(D)C 類 。
134. B 類放大器的電晶體偏壓設定在 (A)負載線的三分之一處 (B)負載線的中點處 (C)飽和區內 (D)截止點 。
135. 運算放大器(OPA)兩個輸入端的電壓均為零時,理論上運算放大器的輸出應該會等於 (A)正電源電壓 (B)負電源電壓 (C)零 (D)CMRR 值 。
136. 運算放大器(OPA)抵補歸零的目的為下列何者? (A)降低電壓增益 (B)等化輸入訊號 (C)將誤差輸出電壓歸零 (D)增加電路的輸入阻抗 。
137. 運算放大器(OPA)放大電路的負回授可以 (A)增加輸入阻抗及輸出阻抗 (B)增加輸入阻抗及頻寬 (C)增加輸出阻抗及頻寬 (D)產生特定頻率的振盪波形 。
138. 低通濾波器通過的最低頻率為 (A)由臨界頻率來決定 (B)1Hz (C)0.707Hz (D)0Hz 。
139. 韋恩電橋振盪器的正回授電路是 (A)RL 電路 (B)LC 電路 (C)分流電路 (D)超前-滯後電路 。
140. 一個振盪器的頻率隨著可調整的直流電壓而改變,為下列何者? (A)壓控振盪器 (B)阿姆斯壯振盪器 (C)多諧振盪器 (D)晶體振盪器 。
141. 數位式三用電表無法測量下列哪一個元件? (A)運算放大器 (B)電阻 (C)電容(D)電晶體 。
142. 一個以n級移位暫存器組成的詹森計數器(Johnson Counter)最多具有多少個計數狀態? (A)n (B)2n (C)2 的 n 次方 (D) n 的 2 次方 。
143. 一個n位元移位暫存器(Shift Register)至少需由多少個正反器所組成? (A)n(B)2n (C)2 的 n 次方 (D)n 的 2 次方 。
144. 下列哪一種正反器相對適宜串接為移位暫存器? (A)T Type (B)J-K Type (C)R-S Type (D)D Type 。
145. 組成一個 3 TO 1 多工器,至少需要多少個 2 TO 1 多工器? (A)2 (B)4 (C)8(D)16 。
146. 在 Windows 作業系統中,下列何者為修改檔案目錄權限之命令? (A)cmd(B)notepad (C)icacls (D)calc 。
147. 下列軟體中,何者不適合用來當虛擬主機軟體? (A)VirtualBox (B)WindowsVirtual PC (C)VMware Workstation Player (D)Virtools 。
148. 下列何者不屬於常見之雲端運算服務平台? (A)Amazon WebServices(AWS) (B)Google Cloud Platform (C)VirtualBox (D)Microsoft AzureService Platform 。
149. 下列何者不屬於 Google Cloud Platform 服務? (A)Compute Engine (B)WordPad (C)App Engine (D)Container Engine 。
申論題 (0)