所屬科目:統測◆04電機與電子群資電類◆(二)數位邏輯、數位邏輯實習、電子學實習、計算機概論
1. 有關微處理機架構中的暫存器,下列敘述何者正確?(A) 堆疊暫存器的內容用來提高數學運算時脈的頻率(B) 記憶體位址暫存器用來暫時儲存整個程式,可以加速程式的執行(C) 指令暫存器用來控制資料的動作和時序(D) 程式計數器用來存放要執行的指令之記憶體位址
2. 有關摩爾定律(Moore 's Law),下列敘述何者正確?(A)指出新一代摩爾電路的發展速度會越來越快(B) 是一項有關半導體製程技術發展的經驗法則(C) 具體的說是指晶片的面積約每隔18個月會增加一倍(D) 應用摩爾定律可以提高半導體的工作電壓
3. 有關微處理機基本結構,下列敘述何者正確?(A) 位址匯流排的寬度決定一個存取時脈週期中可以傳送的資料量(B) 記憶體位址暫存器用來存放運算子(Operator)的類別(C) 控制匯流排是用來傳輸記憶體讀寫時的資料內容(D) 算術邏輯單元可以提供資料的加減法運算
4. 有關微處理機晶片中的記憶體種類、特性與設計,下列敘述何者正確?(A) 暫存器與DDR 記憶體是位於微處理機晶片內部的記憶體(B) 記憶體可用來存放指令與資料(C) 算術邏輯單元對快取記憶體存取速度比暫存器快(D) 區段解碼是利用資料匯流排的高位元來解碼
5. 有關微處理機架構的獨立式IO (Isolated IO)及記憶體映射式IO (Memory Mapped IO),下列敘述何者正確? (A) 獨立式IO只能定址到奇同位位址 (B) 記憶體映射式IO需要專用IO指令 (C) 記憶體映射式IO是將IO裝置的讀寫位址視為主記憶體位址範圍的一部份 (D) 獨立式IO不會占用到主記憶體的空間,但是會降低記憶體的讀寫速度
6. 若要計算3388除以8.0,並將結果四捨五入到整數位,存放在AX,程式碼應為:(A) MOV AX, 8AND AX, #3388SHR AX, 5(B) MOV AX, #3388 MOV BX, #8 ADD AX, BX SHR AX, 3(C) MOV AX, #3388 SHL AX, 3 ADD AX, #5(D) MOV AX, #3388 ADD AX, #4 SHR AX, 3
7. 下列程式片段執行完後,AX和BX內容為何?MOV AX, #443MOV BX, AXAND AX, #0FHSHR BX, 4(A) AX = 3, BX = 44 (B) AX = 443, BX = 27(C) AX = 11, BX = 27 (D) AX = 11, BX = 4
8. 王同學有兩片相同微控制器電路板,分別使用 SPI、IIC、UART 的介面連接此兩片電路板來雙向互傳資料,下列敘述何者正確? (A) 使用IIC來連接兩片電路板,所需要的資料線數量最少 (B) 使用UART來連接兩片電路板,所需要的資料線數量最少 (C) 在相同時脈條件下,使用SPI可以達到的資料傳輸速率比IIC低 (D) SPI、IIC、UART三種電路介面皆利用時脈信號來同步收發兩端
9. 某一筆資料經NRZI(Non-Return-to-Zero Inverted)編碼後的邏輯信號波形如圖(一)所示,下列何者是此波形經NRZI解碼後的資料內容?(A) 10010001 (B) 10100110 (C) 01101110 (D) 01001101
10. 下列何者不是SPI介面技術的特徵? (A) 提供四種信號線分別是SCLK、MOSI、MISO、SS (B) SCLK是同步時脈信號,可用於主機與從機的同步傳輸 (C) 可採用全雙工串列主從式架構 (D) SS 採高電位作動,是主機用來選擇要傳送資料的從機
11. 小明設計一個微處理機系統,並將按鈕接到微處理機的一支接腳 ( Pin ) ,按鈕已考慮上拉 (Pull-high )電路,想要在按鈕按下時控制一顆LED明暗,下列敘述何者正確? (A) 若使用輪詢(Polling )方式設計系統,必須將優先權設定為不可遮罩式(Non-maskable ) (B) 接腳可以向微處理機發出信號,微處理機暫停目前工作改執行另一段程式碼,此法為輪詢 (C) 若使用中斷(Interrupt)實現小明的設計,因為受控於外部按鈕,稱為例外(Exception)中斷 (D) 程式定期去檢查這個外部接腳的輸入值,並做適當反應,此法為輪詢
12. 王同學要改善個人電腦的開機速度,使用下列哪一種裝置開機速度最快?(A) SATA-III匯流排的HDD (B) PCIe匯流排的SSD(C) AGP匯流排的SSD (D) ATA匯流排的HDD
13. 某微處理機系統中斷發生時的動作描述如表(二),下列執行次序何者正確?(A) ②→①→④→③ (B) ①→③→②→④ (C) ②→③→①→④ (D) ①→②→③→④
14. 有關①~⑥記憶體的特性,下列敘述何者正確?①PROM ②NOR Flash ③SRAM ④DRAM ⑤EEPROM ⑥EPROM(A) ①②③⑤⑥屬於非揮發性記憶體,也就是說電源關閉時,資料仍可以保存(B) ②③④屬於揮發性記憶體常用於隨身碟、記憶卡、固態硬碟的主要資料儲存元件(C) ②⑤⑥可以用電壓清除資料(D) ③的讀寫速度比②快
15. 有關雙核心的微處理機架構 ( 例如 Intel Core Duo ),在相同系統時脈頻率下,分別使用雙核心與暫停一顆核心(單核心)來執行同一個人工智慧(AI)程式碼時,下列敘述何者正確? (A) 使用雙核心來執行,其耗電量剛好為單核心的 2 倍 (B) 以雙核心來執行,其所需要的時間小於單核心所需時間的一半 (C) 使用雙核心來執行,其晶片溫度上升速度較單核心快 (D) 以雙核心執行時只需要將程式碼指令交錯分派給兩個核心執行即可
16. 有關圖形處理器(GPU),下列敘述何者錯誤?(A) 可用於加速遊戲軟體的圖像顯示 (B) 為多核心處理器架構(C) 常用於加速人工智慧類神經網路的運算 (D) 為大部分單晶片微控制器採用的架構
17. 王同學想要買一組電腦設備來訓練人工智慧的模型,下列何者可以加速訓練時所需要的運算?(A) 要有30吋的大螢幕 (B) 要有藍芽介面的鍵盤與滑鼠(C) 要有高速的中央處理器與圖形處理器 (D) 要有高速的USB介面
18. 有關邏輯準位的特性,一個 CMOS 反相器的雜訊邊限 ( Noise Margin ) 電壓之間的關係為 VIH > VIL、VOH > VOL,輸入與輸出信號如圖 ( 二 ) ( a ) 與 (b )所示,若將輸入與輸出波形 疊合如圖(二)( c )所示,則V1與V2的敘述下列何者正確? (A) V1為VIH,邏輯閘的輸入高準位電壓 (B) V1為VIL,邏輯閘的輸入低準位電壓 (C) V2為VOH,邏輯閘的輸出低準位電壓 (D) V2為VOL,邏輯閘的輸出高準位電壓
19. 下列哪一個運算結果 S 以 8位元有號二補數表示時會發生溢位(Overflow)?(A) S=– 45(10)– 60(10) (B) S=78(10)+60(10) (C) S=104(8 )– 74(8 ) (D) S=145(8)+24(8)
20. 將數值67.5(10)轉成BCD碼應為下列何者?(A) 01000011.1000( BCD ) (B) 01100111.0101( BCD )(C) 01000011.0101( BCD ) (D) 01100111.1000( BCD )
21. 如圖(三)所示電路,X可以用下列哪一個布林代數式表示?(A)(B)(C)(D)
22. 當B2B1B0=101,A2A1A0=100,則密文C2C1C0為下列何者?(A) 000 (B) 001 (C) 100 (D) 101
23. 設計圖(四)解密(還原)電路的輸出為 F2F1F0,可分別將密文 C2C1C0還原,使F2=A2,F1=A1,F0=A0,下列電路何者正確?(A)(B)(C)(D)
24. 小西利用生活經驗規劃出一個排風系統啟動之真值表如表 ( 三 ) 所示,其中 A , B , C 為三個事件的邏輯輸入,Y 為啟動排風設備的信號,邏輯輸出 Y 為 1 時啟動排風設備,下列哪一個電路符合真值表的動作邏輯? (A)(B)(C)(D)
25. 小南有一顆 3 輸入 1 輸出的 IC。小南利用它的輸入腳 ( A , B , C ) 依序輸入測試波形,並得到輸出腳 Y 的波形如圖 ( 五 ) 所示。則代表此 IC 內邏輯電路的真值表為下列哪一個? (A)(B)(C)(D)
26. 某甲想要設計一個2對4的解碼器電路,其真值表如表(四),則輸出Q0、Q1、Q2、Q3之布林代數式下列何者正確? (A)(B) (C) (D)
27. 有關葛雷碼(Gray Code ),下列敘述何者正確?(A) 二進制碼轉換為葛雷碼是由最低位元開始轉換(B)葛雷碼是由最右邊的位元開始轉換二進制碼(C) 葛雷碼轉換二進制碼是由中間位元開始轉換(D) 不是加權碼(Weighted Code )
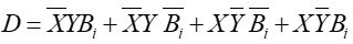
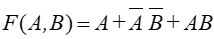
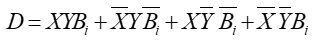
28. 一全減器的被減數為 X,減數為 Y,借位輸入為 Bi,有關相減後輸出 D 的布林代數式,下列何者正確?(A)(B)(C)(D)
29. 如圖(六)所示之4對1多工器電路,此多工器電路所代表的布林函數,下列何者正確? (A) f( x , y ,z)=∑(1, 2,4,5 ) (B) f( x , y ,z)=∑( 1,3, 4,5 ) (C) f( x , y ,z)=∑( 1,2, 3,4 ) (D) f( x , y ,z)=∑(1, 4,6,7 )
30. 如圖 ( 七 ) 所示兩個閂鎖器電路,若初始狀態值 ab = 00(2),cd = 11(2), QX QY = 00(2) , ,則下列敘述何者正確? (A) 當 c=0、d=1 時, =0 (B) 當 c=1、d=0 時, QY =1 (C) 當 a=0、b=1 時, =1 (D) 當 a=1、b=0 時, QX =1
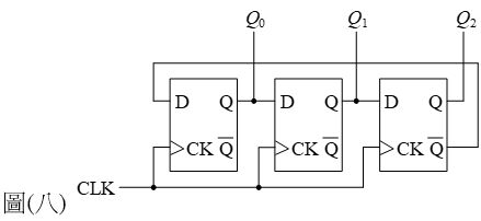
31. 如圖 ( 八 ) 所示同步計數器電路,若初始狀態 Q2 Q1 Q0 = 000,已知第 1 個時脈信號 CLK 正緣觸發後Q2Q1Q0=001,則下列敘述何者正確? (A) 第 3 個時脈信號正緣觸發後Q2Q1Q0=111 (B) 第 4 個時脈信號正緣觸發後Q2Q1Q0=011 (C) 第 5 個時脈信號正緣觸發後Q2Q1Q0=101 (D) 第 6 個時脈信號正緣觸發後Q2Q1Q0=001
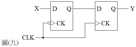
32. 如圖 ( 九 ) 所示兩個 D 型正反器串接電路,若電路開始作動前兩正反器的輸出 Q 均為邏輯0,則其輸入與輸出波形的關係,下列何者正確? (A)(B)(C)(D)
33. 有關數位系統的減法運算,下列敘述何者正確?(A) 以2 's補數執行減法無需端迴進位(End - around Carry )(B) 1 's補數的減法運算需先把負數取反相並加1(C) 二個2 's補數相減之後,其結果為1 's補數(D) 二個1 's補數相減之後,其結果為2 's補數
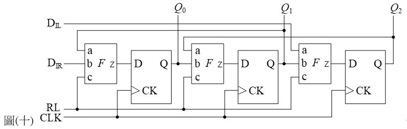
34. 如圖 ( 十 ) 所示左右移暫存器電路,其中 DIL 與 DIR 為資料輸入接腳,若目前狀態Q0Q1Q2=110(2),RL=0且 DIR=1 時 Q0Q1Q2的下一個狀態變為 Q0Q1Q2=111(2)(資料右移),反 之 RL=1 時資料左移,則電路方塊F可用下列何者實現? (A)(B)(C)(D)
35. 在 C 語言程式中可將中文字當成一個字串處理。有一 C 語言程式片段如下,在程式行號13~15裡應置入下列哪一個選項的程式碼,可輸出正確的燒燙傷急救步驟順序?(A) 13 swap(StepName[1], StepName[3]);14 swap(StepName[2], StepName[1]);15 swap(StepName[3], StepName[4]);(B) 13 swap(StepName[0], StepName[3]);14 swap(StepName[3], StepName[1]);15 swap(StepName[2], StepName[4]);(C) 13 swap(StepName[1], StepName[3]);14 swap(StepName[2], StepName[1]);15 swap(StepName[4], StepName[4]);(D) 13 swap(StepName[0], StepName[3]);14 swap(StepName[3], StepName[1]);15 swap(StepName[2], StepName[5]);
36. 曉華寫了一個C語言程式碼如下,想要了解字元、字串和指標的關係,則程式輸出結果為何?(A) Outside (B) Mhis (C) This is a book (D) Tain
37. C程式語言中,32位元整數(int )以及32位元無號整數(unsigned int)的最大值分別是多少 ? (A) 232 , 216 (B) 232- 1, 216- 1 (C) 216 , 232 (D) 231- 1, 232- 1
38. 小明與小玲相約解數學題,二人完成的題目數分別為 x 與 y,若完成題目數總和少於32題,就顯示「Go!繼續努力!」,否則就顯示「Ya!快完成了!」。下列C語言程式應如何修改可以顯示正確的訊息?(A) 行號3的int改為float (B) 行號7 的!flag改為flag = 32(C) 行號6的x+y < 32改為x+y >= 32 (D) 行號3的flag初始值改為1
39. 在 64 位元 x86 電腦上撰寫 C 語言程式時,若有一個整數變數 Y 其數值變化範圍介於 –20000 與 20000之間,則變數Y應採用下列哪一個資料型態? (A) char (B) unsigned float(C) short (D) unsigned short int*
40. 有一 C 語言程式片段如下,其中變數 a、b 與 x 的資料型態為 unsigned short,則此片段可以等價為下列哪一個選項?if((x*x)%2&&a^b==x)x=1;elsex=0;(A) x=((a^b)==x&&x*x%2)?1:0; (B) x=(x*(x%2)&&(a^b)==x)?0:0;(C) x=(x*x%2&&a^(b==x))?1:0; (D) x=((a^b)==x&&x*x%2)?1:1;
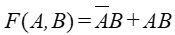
41. 下列 C語言程式可輸出布林代數式F(A, B)之真值表,則F(A, B)為何?(A)(B)(C)(D)
42. 曉明寫了下列 C 語言程式,用來逐字比對字串 str 中是否有字串 query 指定的字串,則程式執行後變數len、ans 和match_count 的值分別為何?(A) 3, 0, 0 (B) 3, 0, 3 (C) 0, 3, 0 (D) 2, 0, 3
43. 在C語言程式中 X定義為浮點數常數,執行敘述(Statement)printf("%d,%o,%x\n",(short int)X,(unsigned int)(X*4),(int)(X*16));所得輸出結果為8,42,8a,接著執行敘述 printf("%6.4f",X);的結果為何?(A) 6.6250 (B) 6.7500 (C) 8.6250 (D) 8.7500
44. 下列C語言程式碼,其執行後輸出結果為何?(A) 12345 (B) 1100345 (C) 1210045 (D) 1234100
45. 下列C語言程式碼,其執行後輸出結果為何?(A) 0 (B) 20 (C) 30 (D) 40
46. 下列C語言程式經過編譯之後,執行時無法輸出字串 Brown,其發生的原因為何?(A) (*class).name沒有指向已配置的記憶體空間(B) 使用strcpy()函式時,應該使用class.name而不是(*class).name(C) 使用printf()函式時,應該使用class.name而不是 class->name(D) 指標變數class應該宣告為區域變數(Local Variable )
47. 某甲寫了一個 C 語言程式,其中 sqrt()為開根號的數學函式,sin()為正弦函式。程式執行後畫面出現錯誤訊息,其造成原因為何?(A) 迴圈中計算sin(x) 結果值為負數,再開根號所導致(B) 迴圈中計算sin(x) 結果值為0,再開根號所導致(C) 迴圈中x值為單精度浮點數,sin(x)無法得到正確值(D) 迴圈中x值有負數的情況,sin(x)無法得到正確值
48. 下列C++語言程式的執行結果為何?(A) 72 (B) 83 (C) 9b (D) a4
49. 程式執行完之後,關於變數m, n, p 數值的大小,下列不等式何者正確?(A) m<n<p (B) m≧n (C) m>n>p (D) p≦n
50. 下列變數何者的數值最大?(A) a (B) b (C) g (D) d