所屬科目:教甄◆電子科/資訊科/電機科/冷凍空調科/控制科/電機空調科
1. 將一個十進位整數轉換成為底數為 r 的數(r 進位),需重複地以 r 做下列何者運算? (A) 乘法 (B) 除法 (C) 乘法與除法 (D) 非乘法也非除法
2. 4 變數布林函數 y = f(a,b,c,d) = ab’ + cd’ + bc’d,如何以極小項(Minterm,或稱全及項)表示此函數?[m0=a’b’c’d’, m1=a’b’c’d] (A) y = Σ(2,5,6,8,9,10,11,13,14) (B) y = Σ(0,1,2,3,4,7,9,12,14,15) (C) y = Σ(1,3,4,10,12,13,14) (D) y = Σ(0,2,9,11,12,15)
3. 填入問號部份的 程式碼? (A) factorial( n - 1 ) (B) factorial( n ) (C) n * factorial( n - 1) (D) n * factorial( n )
4. 承上題,如下圖的主程式執行結果,問號部份為下列何值? (A) 1024 (B) 720 (C) 120 (D) 24
5. 工作電壓 110 V 的 100 W 燈泡與工作電壓 110 V 的 60 W 燈泡相比,下列哪個燈泡的 電阻較高? (A) 60 W 燈泡 (B) 100 W 燈泡 (C) 相等 (D) 不一定
6. 三個 30 Ω串聯的電阻器再與一個 30 Ω電阻器並聯後的總電阻為? (A) 20 Ω (B) 22.5 Ω (C) 40 Ω (D) 60 Ω
7. 在 MCU(Micro Control Unit)中,用來執行計算與邏輯運算的單元為? (A) MMU(Memory Management Unit) (B) ALU (C) DMAC(Direct Memory Access Controller) (D) I/O 處理器
8. 遞廻函式的特點為下列何者? (A) 只能回傳單一數值 (B) 取代迴圈的運算方式 (C) 只能處理數值型別的參數 (D) 函式內部呼叫本身
9. 在下圖電路中,輸入訊號為 A 與 B,其輸出訊號 Q 可等效為下列何種邏輯閘? (A) NOR (B) OR (C) NAND (D) AND
10. 下列何者有助於增加 AI 效能,可做為 AI 加速器引擎? (A) GPU(Graphics Processing Unit) (B) TPU(Tensor Processing Unit) (C) NPU(Neural-network Processing Unit) (D) 以上皆是
11. 下列以符號大小值(Sign Magnitude)表示法的 2 進位數,哪一個值為十進位-47(負 數)? (A) 11010001 (B) 11110001 (C) 10101111 (D) 10101001
12. 假如 a=2,b=3,則表示式(a < b) AND ( a != b)的運算結果為? (A) TRUE (B) FALSE (C) AND (D) OR
13. 在下圖的二極體電路中,輸入訊號為 A 與 B,其輸出訊號 Q 可等效為下列何種邏輯閘? (A) NOR (B) OR (C) NAND (D) AND
14. 下列哪一項是 LIFO(Last In, First Out)結構? (A) 佇列(Queue) (B) 陣列(Array) (C) 堆疊(Stack) (D) 表列(List)
15. 在一個時脈頻率1 GHz的電腦上,執行一個包含10000個指令,指令平均周期數(CPI) 為 5 的程式,所需時間為? (A) 50 μs (B) 50 ns (C) 20 μs (D) 20 ns
16. 在一個有 40 條資料輸入線的多工器上,至少需要幾條資料選擇線? (A) 7 (B) 6 (C) 5 (D) 4
17. 一個放大器電路的輸入電壓為 200 mV,輸出電壓為 2 V,其放大倍率為? (A) 20 dB (B) 10 dB (C) -10 dB (D) -20 dB
18. 在 PID 控制器中,I 代表? (A) 組合邏輯元件 (B) 比例元件 (C) 積分元件 (D) 微分元件
19. 一個堆疊包含資料項目由頂端起依序為 A, B, C, D, E,執行 POP 3 次後,依序 PUSH 資料項 F, G,再 POP 1 次,則堆疊的內容依序為? (A) G, F, D, E (B) F, D, E (C) F, G, D, E (D) G, D, E
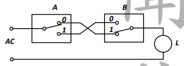
20. 電燈雙切開關電路如下圖,則電燈 L 的布林函數 L = f(A,B) =? (A) L = A • B (B) L = A ⊕ B (C) L = A + B (D) 以上皆非
21. 有一個長度 10 m 且電阻 10 Ω的金屬導體,在維持總體積不變的條件下,假如將其 均勻拉長直到電阻變為 90 Ω,此時其長度為? (A) 30 m (B) 45 m (C) 90 m (D) 810 m
22. PNP 型 BJT 電晶體工作於主動區時,其射極電壓、基極電壓與集極電壓的大小關係為? (A) (B)(C)(D) 不一定
23. 藍芽(Bluetooth)無線通訊技術主要是應用在哪種網路? (A) 短距離無線通訊網路 (B) 衛星無線通訊網路 (C) 有線寬頻網路 (D) 光纖多媒體通訊網路
24. IPV6 中,IP 位址長度為_______bit? (A) 16 (B) 32 (C) 64 (D) 128
25. 將 2 個 110 V 的 100 W 燈泡串接在 110 V 的電源上,消耗的總功率為? (A) 25 W (B) 50 W (C) 100 W (D) 200 W
26. 將布林函數化簡後為? (A)(B)(C)(D)
27. 下圖顯示由 2 個半加法器組成 1 個無號數全加法器(Unsigned Full Adder)的電路, 則方框內問號的為何種運算? (A) OR (B) AND (C) XOR (D) NAND
28. 下圖為一個 4 位元有號數加法器(Signed Adder),A、B 分別為二個有號數(Signed Number)運算元(Operand),S 為運算結果,x 為模式控制輸入訊號,y 為進位輸入 訊號,z 為溢位(Over Flow)輸出訊號,下列敘述何者正確? (A) 當 x=0,y=1,則執行 S=A-B 功能 (B) 當 x=1,y=0,則執行 S=A-B 功能 (C) 當 x=1,y=1,則執行 S=A-B 功能 (D) 當 x=0,y=0,則執行 S=A-B 功能
29. 有一部手機的待機消耗功率為 0.036 W,其配備的電池規格為 3.6 V,5000 mAh。請 問該電池充飽電時,理想狀況下可待機? (A) 500 小時 (B) 100 小時 (C) 50 小時 (D) 10 小時
30. 將電壓增益分別為 5 倍、10 倍、2 倍的放大器,依序串接後的三級放大器電路的電 壓增益為? (A) 0.25 倍 (B) 1.25 倍 (C) 17 倍 (D) 100 倍
31. 學校圖書館已提供有線網路的上網服務,假如要再提供使用者透過無線區域網路的 方式連上網際網路,應加裝何種裝置? (A) 存取點(access point) (B) 路由器(router) (C) 橋接器(bridge) (D) 集線器(hub)
32. 下列何者於其他數值 不 相等? (A) (5C)16 (B) (92)10 (C) (143)8 (D) (1011100)2
33. 下圖為執行氣泡法排序(Bubble Sort)的 Python 函數,若欲結果由小排到大,則問號部份的關係運算子為? (A) < (B) > (C) = (D) !=
34. 計算資料對調(Swap) 的次數,執行結果問號部份數值為何? (A) 9 (B) 10 (C) 11 (D) 12
35. 承上題,若資料表列中的一個元素 26 換成 8:testlist = [43, 28, 4, 8, 15, 17],並重新 測試,則資料對調(Swap)的次數為? (A) 9 (B) 10 (C) 11 (D) 12
36. 假如要將一個八位元資料的中間四個位元設定為 1,可運用的邏輯運算為? (A) AND (B) OR (C) NOT (D) XOR
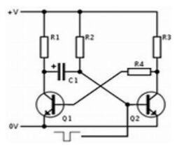
37. 下方電晶體電路為哪種類型的多諧震盪器(Multivibrator)? (A) 無穩態(Ustable) (B) 單穩態(Monostable) (C) 雙穩態(Bistable) (D) 以上皆非
38. 下圖的運算放大器(OP)電路,如果 R1=R2,且 R3=R4,則 vo=? (A) 2(v1-v2) (B) 2(v1+v2) (C) v1-v2 (D) v1+v2
39. 下列何者是用於邏輯電路設計的硬體描述語言? (A) Verilog (B) VHDL (C) AHDL (D) 以上皆是
40. 下列哪種 I/O 介面,為並列傳輸介面? (A) USB BUS (B) I2C BUS (C) SPI BUS (D) GPIB (IEEE 488) BUS
41. 在交流電路中,某一電路的阻抗 Z = 50-j30 (歐姆),則此一電路屬於? (A) 純電阻性 (B) 偏電感性 (C) 偏電容性 (D) 以上皆非
42. 二極體元件的特性為? (A) 在逆向偏壓時,其逆向電阻接近零 (B) 在順向偏壓時,其順向電阻接近無限大 (C) 在順向偏壓時,其順向電阻接近零 (D) 雙向電流導通
43. 在負迴授放大器中,迴授增益 (loop gain) 為βA ,則? (A) 若|βA| = 1,電路穩定,放大倍數 = A / (1-βA) (B) 若|βA| > 1,電路穩定,放大倍數 = A / (1-βA) (C) 若|βA| < 1,電路穩定,放大倍數 = A / (1-βA) (D) 電路穩定性與βA 無關,放大倍數 = A / (1-βA)
44. 下列補數哪一個 錯誤 ? (A) (35612)8,其 7 的補數為(42165)8 (B) ,其 16 的補數為 (C) (100010100)2,其 2 的補數為(011101100)2 (D) ,其 10 的補數為(207)10
45. 有一個交流電路的工作頻率為 110 Hz,假如電路上某一點的電壓與電流間的相位差 為 18 度,此相位差代表時間差為? (A) (B)(C)(D)
46. 有一個 1000 匝線圈的電感量為 16 H,假如使用相同的線圈材質,當電感量降為 4 H 時,其匝數應為? (A) 250 匝 (B) 500 匝 (C) 2000 匝 (D) 4000 匝
47. 已知字母 A 的 ASCII 碼二進位表示為 01000001,字母 Z 的 ASCII 碼的二進位應表 示為? (A) 0111 1010 (B) 0101 0110 (C) 0110 0001 (D) 0101 1010
48. 在撰寫 C 語言程式時,可以儲存 64 位元浮點數的變數宣告為? (A) int (B) float (C) double (D) short
49. 下列哪種資料儲存媒介只提供循序存取? (A) 光碟 (B) 硬碟 (C) 隨身碟 (D) 磁帶
50. 生活日常在捷運使用的悠遊卡與一卡通儲值卡所採用的感應技術為? (A) Bluetooth (B) Wi-Fi (C) Zigbee (D) RFID