所屬科目:捷運◆電子學概要
1. 如圖所示電路,二極體皆為理想二極體,試求輸出電壓 Vo 為何? (A) –4 V (B) –2 V (C) 4 V (D) 8 V。
2. 如圖所示電路,若二極體 D1、D2 之切入電壓皆為 0.7V,試問電流 I 約為何?(A) 8.33 mA (B) 6.33 mA (C) 4.33 mA (D) 2.33 mA。
3. 如圖所示為半波整流濾波電路,二極體為理想二極體,若輸入電源電壓Vi (t )=100sin 314t V。試求電容 C 值應為多少,才能使輸出漣波 電壓峰對峰值為 2V? (A) 300 μF (B) 200 μF (C) 100 μF (D) 50 μF。
4. 如圖所示之理想運算放大器電路,試求輸出電壓 Vo 為何? (A) – 2.5 V (B) –0.75 V (C) 2.75 V (D) 5.5 V。
5. 如圖所示之理想運算放大器電路,試問下列敘述何者錯誤? (A) 若 vi 為 10V 時,綠光 LED 不發亮 (B) 電路中之運算放大器做為比較器使用 (C) 若vi為 4V 時,紅光 LED 發亮 (D) 若vi為 12sinV (ωt ) ,則紅光 LED 及綠光 LED 交互閃爍且綠光 LED 亮的時間較紅光 LED 長。
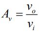
6. 如圖所示之理想運算放大器電路,試問電壓增益之值為何?(A) – 42 (B) – 52 (C) – 62 (D) – 72。
7. 如圖所示為一具高頻補償之實際微分電路,試問低頻截止頻率 fL 約為何值?(A) 1.6 HZ (B) 3.2 HZ (C) 16HZ (D) 32 HZ。
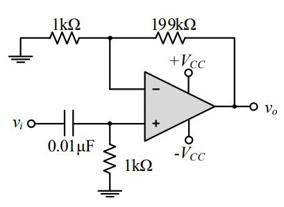
8. 如圖所示之理想運算放大器電路,試求輸出電壓Vo為何?(A) (B) (C)(D)。
9. 如圖所示為電晶體(BJT)直流偏壓電路及其直流負載線。若在不影響直流負載線斜率的情況下,原工作點在 Q1位置,欲修正工作點至 Q2 位置,則應如何調整? (A) 減少 RB (B) 增加 RB (C) 減少 RC (D) 增加 RC。
10. 如圖所示為 MOSFET 元件之結構,若此元件為增強型 N 通道 MOSFET,則圖中甲區與乙區分別為何種型式半導體? 若要形成通道,VGS之條件為何? (其中臨界電壓為 VT )
(A) 甲區為 n +型,乙區為 N 型,VGS > VT (B) 甲區為 p +型,乙區為 N 型,VGS < VT (C) 甲區為 n +型,乙區為 P 型,VGS < VT (D) 甲區為 n +型,乙區為 P 型,VGS > VT。
11. 如圖所示為空乏型 MOSFET,若夾止電壓VP為 +4V,試問下圖中之工作區為何?(A) 截止區 (B) 歐姆區 (C) 飽和區 (D) 以上皆非。
12. 有一差動放大器之共模拒斥比 CMRR 為 40dB,其兩輸入電壓分別為 Vi1 = 65μV,Vi2 = 45μV,若差模增益 Ad為 50。試問該差動放大 器之輸出電壓 Vo 為何? (A) 927.5 μ V (B) 1027.5 μ V (C) 1127.5 μ V (D) 1227.5 μ V。
13. 有關直接耦合串級放大電路,下列何者最具代表之頻率響應曲線?(A)(B)(C)(D)
14. 下列有關影響頻率響應之因素,何者錯誤? (A) 極際電容影響高頻響應 (B) 交連電容影響高頻響應 (C) 旁路電容影響低頻響應 (D) 雜散電容主要影響高頻響應。
15. 如圖所示為 A 類電阻功率放大器,若 VCC =12V、RL 為 50Ω,則此功率放大器最大交流輸出功率 Po(max) 為何? (A) 0.36 W (B) 0.54 W (C) 0.86 W (D) 1W。
16. 如圖所示為某功率放大器之輸入信號vi與輸出信號vo的波形,試問此功率放大器是屬於哪一種類型? (A) A 類 (B) B 類 (C) AB 類 (D) C 類 功率放大器。
17. 如圖所示為一主動濾波器電路,試問該圖為哪一種類型之濾波器?
(A) 帶通濾波器(B) 高通濾波器(C) 帶拒濾波器(D) 低通濾波器。
18. 如圖所示電路,試問低頻截止頻率fL 約為何值? (A) 0.16 HZ (B) 16 HZ (C) 160 HZ (D) 1.6 kHZ。
19. 某一信號分析後得知含有 160 HZ、2350 HZ及 31570 HZ三種頻率,若要使用下圖之電路濾除 31570 HZ之信號且保有較大的頻寬時,下列哪一組 RC 較為適合?(A) R = 100kΩ,C = 0.01μF (B) R = 10kΩ,C = 0.001μF(C) R = 10kΩ,C = 0.01μF (D) R = 1kΩ,C = 0.001μF。
20. 如圖所示為一主動濾波器電路,已知 OPA 具理想特性,當輸入頻率為 1.59 kHZ時,其電壓增益 AvT (dB) 約為何值? ( log 2=0.3 、 log10= 1)(A) 46 dB (B) 26 dB (C) 3 dB (D) 0 dB。
21. 才能使該電路維持振盪? (A) 10kΩ (B) 20kΩ (C) 30kΩ (D) 40kΩ。
22. 續上題電路,試問其振盪頻率約為何?(A) 13 HZ (B) 33 HZ (C) 53 HZ (D) 73HZ。
23. 如圖所示為史密特波形整形電路,若R1 = 5kΩ 、 R2 =10k ,參考電壓 VR =1.5V、遲滯電壓 VH 為 12V,試問下臨界電壓 VL 為何值?
(A) – 12 V (B) – 9 V (C) – 5 V (D) – 2 V。
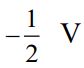
24. 如圖所示之理想運算放大器,若 OPA 的飽和輸出電壓為±12 V,試求輸出電壓Vo為何? (A) – 12 V (B) – 9 V (C) +6 V (D) + 12 V。
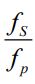
25. 如圖所示為石英晶體等效電路,若串聯諧振頻率為fS、並聯諧振頻率為fP,試問為何?(A)(B)(C)(D)。
26. 如圖所示邏輯閘電路,若 C 輸入恆為 1,則該邏輯電路恆等於哪一種邏輯閘? (A) OR 閘 (B) NAND 閘 (C) NOR 閘 (D) AND 閘。
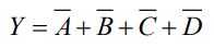
27. 如圖所示之邏輯閘電路,試問此邏輯閘為何種閘?(A) 反閘(NOT GATE) (B) 及閘(AND GATE)(C) 或閘(OR GATE) (D) 互斥或閘(XOR GATE)。
28. 如圖所示之邏輯閘電路,下列何者為該邏輯閘電路之真值表?(A)(B)(C)(D)
29. 如圖所示之邏輯閘電路,下列何者為該邏輯閘電路之真值表?(A)(B)(C)(D)。
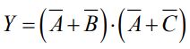
30. 如圖所示之邏輯閘電路,試問輸出 Y 為何?(A) (B)(C)(D)。
31. 如圖所示之邏輯閘電路,試問輸出 Y 為何?(A) (B)(C)(D)A+B 。
32. 如圖所示之邏輯閘電路,若脈波輸入圖中電路後,輸出結果 Y 為何?(A) 00011000 (B) 11111011 (C) 11001100 (D) 00111100。
33. 如表所示為某邏輯閘電路輸入與輸出之真值表,試問輸出 Y 之布林代數最簡式為何?(A)(B)(C)(D)。
34. 如圖所示電路,當輸入 A、B 之值為何,可使紅光 LED 發亮? (A) A = 0 、B = 0 (B) A = 0 、B =1 (C) A =1、B = 0 (D) A =1、 B =1。
35. 如圖所示之邏輯閘電路,試問此邏輯閘為何種閘?(A) OR 閘 (B) XOR 閘 (C) XNOR 閘 (D) NAND 閘。
36. 如圖所示之邏輯閘電路,其功能相當於哪一個邏輯閘?(A) NOR 閘 (B) NAND 閘 (C) OR 閘 (D) AND 閘。
37. 下列哪一種邏輯閘表示圖為正確的? (A) (B) (C)(D)
38. 如圖所示之真值表,若 A 與 B 代表輸入,Y 表示輸出,則下列哪一組為反或閘之真值表?(A)(B)(C)(D)
39. 如圖所示之邏輯閘電路,試問此邏輯閘為何種閘?(A) OR 閘 (B) XOR 閘 (C) XNOR 閘 (D) NAND 閘。
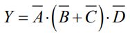
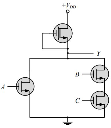
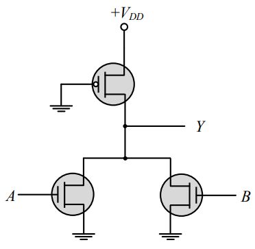
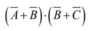
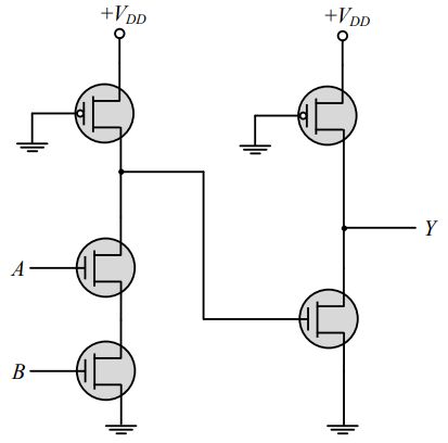
40. 如圖所示為虛擬 NMOS 數位電路,試問該電路的輸出 Y 為何? (A) (B)(C) Y=A+B (D) 。
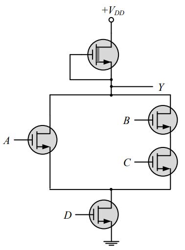
41. 如圖所示為虛擬 NMOS 數位電路,試問該電路的輸出 Y 為何?
(A)Y=A+B (B) (C) (D) Y=A•B 。
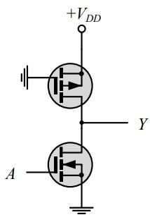
42. 如圖所示為虛擬 NMOS 數位電路,試問此邏輯閘為何種閘?(A) AND 閘 (B) NOR 閘 (C) OR 閘 (D) NAND 閘。
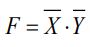
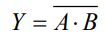
43. 如圖所示之數位電路,試問該電路所實現的邏輯閘功能為何? (A) 及閘 (B) 反或閘 (C) 緩衝閘 (D) 反及閘。
44. 如圖所示為虛擬 NMOS 數位電路,試問該電路所實現的邏輯閘功能為何?(A) 反及閘 (B) 反或閘 (C) 互斥或閘 (D) 互斥反或閘。
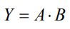
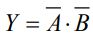
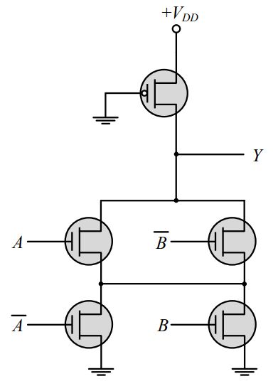
45. 如圖所示之 CMOS 數位電路,試問該電路的輸出 Y 為何? (A)(B) Y=A•B (C) Y= A+B (D)。
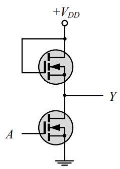
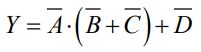
46. 如圖所示為空乏型負載反相器電路,若 VDD = +5V ,假設 MOSFET 的臨界電壓分別為 VT1 =1V、 VT2= −1V , K1 = 0.5mA/V2 、 K2 = 0.5mA/V2。試問當輸入電壓 Vi 為 0.5V 時,其輸出電壓 Vo 為何?
(A) – 5 V (B) 0 V (C) 4 V (D) 5 V。
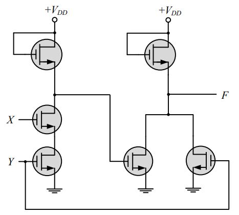
47. 如圖所示之數位電路,試問該電路之輸出 Y 為何? (A) (B) (C) (D) 。
48. 如圖所示之數位電路,試問該電路之輸出Y為何?
(A)(B)(C)(D)。
49. 如圖所示電路,試問下列何者非主動式負載 NMOS 反相器?(A) (B)(C)(D)
50. 如圖所示之數位電路,試問該電路之輸出F為何?(A)(B)(C)F = 0(D)F =1。