所屬科目:技檢◆鋼筋-丙級
1. 台灣年降雨量是世界平均值的 2.6 倍,卻仍屬缺水地區,下列何者不是真正缺水的原因? (A)水庫蓋得太少 (B)台灣由於山坡陡峻,以及颱風豪雨雨勢急促,大部分的降雨量皆迅速流入海洋 (C)台灣自來水水價過於便宜 (D)降雨量在地域、季節分布極不平均。
2. 柱主筋於基礎盤內彎曲錨錠時,其彎曲型式為_____度。 (A)60 (B)180 (C)45 (D)90
3. 在高處吊運鋼筋時,下方作業人員 (A)除了監工以外 (B)全部 (C)除了趕工人員以外 (D)除了戴安全帽者外撤離。
4. 牆及版主鋼筋間距不得超過多少㎝? (A)30 (B)45 (C)60 (D)90。
5. 依據『結構混凝土施工規範』之規定,若柱之插接筋係在澆置混凝土時植入,應如何使鋼筋保持定位? (A)以熔接鋼線網支墊 (B)以塑膠塗布之鐵線紮緊 (C)以定位板 (D)以樹脂塗布 ,但經許可者不受此限。
6. 柱主筋使用瓦斯壓接時,對接部位 (A)只須清除鐵銹不須磨平 (B)兩邊均不須磨平 (C)兩邊均須磨平 (D)一邊磨平。
7. 從事廢棄物清除、處理業務者,應向直轄市、縣(市)主管機關或中央主管機關委託之機關取得何種文件後,始得受託清除、處理廢棄物業務? (A)公司財務證明 (B)運輸車輛購買證明 (C)公民營廢棄物清除處理機構許可文件 (D)運輸車輛駕駛證明。
8. 紮好之樓版鋼筋,儘量不要在上面走動,如須在上面通過時,應踩在 (A)上層副筋之上方 (B)上層主筋之上方 (C)上層鋼筋任何處均可 (D)上層鋼筋交叉點之上方。
9. π 型鐵(鐵馬椅隔墊)其功用為 (A)固定梁主、箍筋 (B)組立腹筋 (C)架立柱主筋 (D)確保柱主筋間距。
10. 若搭接長度為 30d,則#6 與#7 鋼筋搭接時,搭接長度為 (A)18 ㎝ (B)57 ㎝ (C)21 ㎝ (D)66 ㎝。
11. 事業單位僱用勞工多少人以上者,應依勞動基準法規定訂立工作規則? (A)30 人 (B)100 人 (C)50 人(D)200 人。
12. 配筋圖中 B1 是表示 (A)1 號柱 (B)1 號梁 (C)1 號基礎 (D)1 號版。
13. 手動截切機主要優點為 (A)直徑小的鋼筋,施工時較具機動性 (B)損耗較少 (C)省時 (D)省力。
14. 1.5 ㎝長相當於 (A)0.15 ㎜ (B)150 ㎜ (C)15 ㎜ (D)1.5 ㎜。
15. 建築工程上,常用竹節鋼筋主要目的係為增加 (A)握裹力 (B)伸長性較佳 (C)加工方便 (D)展性良好。
16. 下列何種行為對生態環境會造成較大的衝擊? (A)種植原生樹木 (B)設立自然保護區 (C)引進外來物種(D)設立國家公園。
17. 鋼筋因表面的不潔對握裹力的影響 (A)大 (B)小 (C)適度 (D)並無影響。
18. 電動鋼筋彎曲機發生故障時,應先 (A)排除故障 (B)關閉電源 (C)檢查故障原因 (D)加些潤滑油。
19. 瓦斯壓接作業順序是先將鋼筋接頭加壓,再加熱到壓接溫度後則 (A)只加熱 (B)不須再加壓加熱 (C)一面加壓,一面加熱 (D)只加壓 使接合部脹大結成球狀形。
20. 鋼筋混凝土之柱構件中,上下柱主筋搭接位置應位於柱構件何處最適當? (A)上圍束區 (B)梁柱接頭(C)中央區 (D)下圍束區。
21. 螺旋箍筋於端部應加_______ 作為錨錠之用。(A)2 圈 (B)1 圈 (C)2 圈半 (D)1 圈半
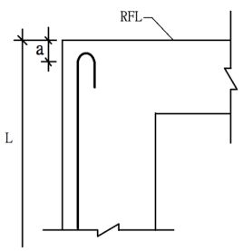
22. 下圖鋼筋長度應為 (A)L+彎鉤長度 (B)L-彎鉤長度 (C)L-a+彎鉤長度 (D)L-a。
23. 梁、柱交接處、箍筋、肋筋之結紮要領為何? (A)柱箍筋、梁肋筋都不用結紮 (B)只結紮柱箍筋,梁肋筋不用結紮 (C)柱箍筋、梁肋筋都要結紮 (D)只結紮梁肋筋,柱箍筋不用結紮。
24. 下圖圖例是表示 (A)1/2B 磚牆 (B)混凝土 (C)1B 磚牆 (D)木材牆。
25. 下列符號組合中,何者為錯誤 (A)L-角鋼 (B)W-寬緣工字鋼 (C)S-小型輕型鋼 (D)PL-鋼板。
26. 以瓦斯截切鋼筋後,其噴嘴 (A)通刷乾淨 (B)加潤滑油保養 (C)應潑水使其冷卻 (D)可以堆積泥垢。
27. H 型鋼 100×100×6 表示厚度 (A)6 ㎝ (B)100 ㎜ (C)100 ㎝ (D)6 ㎜。
28. 屋頂層柱之主筋末端應作 (A)不必作彎鉤 (B)15 度彎鉤 (C)90 度彎鉤 (D)45 度彎鉤。
29. 為了節能與降低電費的需求,應該如何正確選用家電產品? (A)優先選用取得節能標章的產品 (B)選用能效分級數字較高的產品,效率較高,5 級的比 1 級的電器產品更省電 (C)設備沒有壞,還是堪用,繼續用,不會增加支出 (D)選用高功率的產品效率較高。
30. 客貨兩用之施工電梯,安全載重為 1,000 ㎏,如已乘載 60 ㎏重施工人員 5 名時,最多尚可載運材料多重? (A)700 ㎏ (B)800 ㎏ (C)300 ㎏ (D)500 ㎏。
31. 以對角單向法紮結樓版鋼筋,則每相鄰鋼筋交點,鐵絲之紮結方向,以下何者為不佳? (A)(B) (C) (D) 。
32. 鋼筋續接器之檢查,下列何者不屬於應注意項目 (A)孔徑有否偏斜狀 (B)色澤是否鮮艷 (C)尺寸是否符合 (D)內螺牙有否斷裂。
33. 直徑 35 ㎜以上之鋼筋,使用下列哪種工具截切較佳? (A)瓦斯截切 (B)大鐵槌與鐵砧 (C)手動鋼鋸砧(D)鋼鋸片電動截切機。
34. 鋼筋生銹 (A)必須全部清除潔淨 (B)成浮鬆魚鱗狀之浮銹,必須清除 (C)原有製鋼的銹面必須清除 (D)不管其銹況均不必清除。
35. 下列所敘述的,何者不正確: (A)清除鋼筋油污必要時用適溫火焰燒卻之 (B)銹蝕後的鋼筋,會減少鋼筋有效斷面積 (C)鋼筋表面的不潔對握裹力並無影響 (D)鋼筋表面的浮銹物、油污應清除乾淨。
36. 鋼筋放置地點 (A)可在電線上方 (B)避免在電線上方或下方 (C)可在電線下方 (D)與電線位置無關。
37. 鋼筋混凝土構造所用之鋼筋,均須採竹節鋼筋,惟何者例外 (A)螺筋與鋼絲網 (B)鋼絲網與箍筋 (C)螺筋與箍筋 (D)螺筋與溫度鋼筋。
38. 採用機械式鋼筋續接時,其接頭製成品 (A)每根均須檢驗 (B)現場監工檢查即可 (C)依規定抽樣檢驗 (D)不必抽樣檢驗。
39. 下列何者行為會有侵害著作權的問題? (A)以分享網址的方式轉貼資訊分享於社群網站 (B)將報導事件事實的新聞文字轉貼於自己的社群網站 (C)直接轉貼高普考考古題在 FACEBOOK (D)將講師的授課內容錄音,複製多份分贈友人。
40. 下列何者為建築工程常用鋼筋? (A)光面鋼筋 (B)竹節鋼筋 (C)方形鋼筋 (D)菱形鋼筋。
41. 依環境基本法第 3 條規定,基於國家長期利益,經濟、科技及社會發展均應兼顧環境保護。但如果經濟、科技及社會發展對環境有嚴重不良影響或有危害時,應以何者優先? (A)環境 (B)科技 (C)經濟 (D)社會。
42. 鋼筋量度以_____ 為宜。(A)公制 (B)日制 (C)英制 (D)台制
43. 鋼筋紮結不牢固發生鬆動不致影響 (A)保護層厚度 (B)搭接長度 (C)構材( 如梁 )之有效高度 (D)鋼筋間 距。
44. 同等重量的兩支鋼筋,號數大的其長度較號數小 (A)長 (B)無法比較 (C)相同 (D)短。
45. 鋼骨鋼筋混凝土結構,鋼筋部分之組立,紮結應在鋼骨構造鉚接、銲接完成,檢驗合格之 (A)視人員、材料進場時間而定 (B)前 (C)兩者應同時施工 (D)後。
46. 海港工程所用的鋼筋,為免受劇烈腐蝕,多存於倉庫中或加被覆物保護,主要是為了避免 (A)鹽分(B)溫度變化 (C)日晒 (D)灰塵 的侵蝕。
47. 職業安全衛生法所稱有母性健康危害之虞之工作,係指對於具生育能力之女性勞工從事工作,可能會導致的一些影響。下列何者除外? (A)胚胎發育 (B)哺乳期間之幼兒健康 (C)妊娠期間之母體健康 (D) 經期紊亂。
48. 量度鋼筋之量具,以何者為佳 (A)六折尺 (B)直角尺 (C)鋼捲尺 (D)比例尺。
49. 鋼筋之長度無法從下列哪種圖中得知? (A)鋼筋配置圖 (B)構造剖面圖 (C)結構平面圖 (D)建築透視圖。
50. 楣梁構材編號 (A)J (B)L (C)S (D)W。
51. 操作砂輪片截切機應 (A)即以手指迅速取出卡住於截切口的鋼筋 (B)避免站立於砂輪片的正前方 (C)以手遮住截切口之上方 (D)站立於砂輪片的前方。
52. 有關著作權的敘述,下列何者錯誤? (A)將補習班老師的上課內容錄音檔,放到網路上拍賣,會構成 侵害著作權 (B)在網路散布盜版光碟,不管有沒有營利,會構成侵害著作權 (C)撰寫碩博士論文時,在合理範圍內引用他人的著作,只要註明出處,不會構成侵害著作權 (D)在網路的部落格看到一篇文 章很棒,只要註明出處,就可以把文章複製在自己的部落格。
53. 依據『結構混凝土施工規範』之規定,構造物如為耐震結構,其所使用之鋼筋降伏強度 (A)應有下限(B)應無上限 (C)應有上限 (D)應無下限。
54. 除設計圖另有說明外,大於______ 之鋼筋不得採用搭接。(A)#8 (B)#10 (C)#9 (D)#11
55. 安全帽承受巨大外力衝擊後,雖外觀良好,應採下列何種處理方式? (A)油漆保護 (B)送修 (C)廢棄 (D)繼續使用。
56. 鋼筋之彎曲方法最常用的是 (A)熱彎 (B)細鋼筋才用熱彎 (C)冷彎 (D)鋼筋工自行決定。
57. 上下班的交通方式有很多種,其中包括:A.騎腳踏車;B.搭乘大眾交通工具;C.自行開車,請將前述幾種交通方式之單位排碳量由少至多之排列方式為何? (A)ACB (B)BAC (C)ABC (D)CBA。
58. 10Φ如下圖箍筋彎折時,其彎折半徑 r 應為 (A)2 公分 (B)5 公分 (C)2 公厘 (D)5 公厘。
59. 從事鋼筋加工彎紮等工作應戴 (A)安全帽 (B)便帽 (C)太陽眼鏡 (D)斗笠。
60. 操作者與助手截切鋼筋時,何者須作好安全措施? (A)兩者皆不必 (B)僅需操作者 (C)兩者皆要 (D)僅需助手。
61. 有關鋼筋續接,下列何項敘述是錯誤? (A)搭接法為一般工地最常使用之續接方式 (B)續接應集中在同一斷面處 (C)搭接應有足夠的長度 (D)搭接儘可能避免在受拉力處。
62. 鋼筋末端無彎鉤時,其搭接長度應比有彎鉤者為 (A)相等 (B)長 (C)不一定 (D)短。
63. 柱的上下兩個箍筋的開口疊合處 (A)柱端部錯開即可 (B)不須錯開 (C)隨意錯開 (D)必須錯開。
64. 關於個人資料保護法的敘述,下列何者錯誤? (A)我的病歷資料雖然是由醫生所撰寫,但也屬於是我的個人資料範圍 (B)公務機關依法執行公權力,不受個人資料保護法規範 (C)身分證字號、婚姻、指紋都是個人資料 (D)不管是否使用電腦處理的個人資料,都受個人資料保護法保護。
65. 下列何種方法無法減少二氧化碳? (A)選購當地、當季食材,減少運輸碳足跡 (B)想吃多少儘量點,剩下可當廚餘回收 (C)多吃蔬菜,少吃肉 (D)自備杯筷,減少免洗用具垃圾量。
66. 下列何者「違反」個人資料保護法? (A)學校將應屆畢業生之住家地址提供補習班招生使用 (B)公司基於人事管理之特定目的,張貼榮譽榜揭示績優員工姓名 (C)網路購物公司為辦理退貨,將客戶之住家地址提供予宅配公司 (D)縣市政府提供村里長轄區內符合資格之老人名冊供發放敬老金。
67. 除銹後的鋼筋最應注意__________是否在許可範圍內。 (A)斷面積的減少 (B)美觀的程度 (C)長度的減少 (D)表面積的減少
68. 梁之上下側合計至少須有幾支主鋼筋貫通梁之全長 (A)4 (B)2 (C)5 (D)3。
69. 施工圖中,符號「@」係表示 (A)鋼筋長度 (B)鋼筋數量 (C)鋼筋間距 (D)鋼筋尺寸。
70. 雙向版之長向與短向彎折筋之彎折高度,如下圖之 h(A)短向大於長向 (B)不一定 (C)長短向均一樣 (D)長向大於短向。
71. 一旦大氣中的二氧化碳含量增加,會引起那一種後果? (A)臭氧層破洞 (B)海平面下降 (C)冰期來臨 (D)溫室效應惡化。
72. 依勞動基準法規定,雇主延長勞工之工作時間連同正常工作時間,每日不得超過多少小時? (A)10 小時 (B)11 小時 (C)15 小時 (D)12 小時。
73. 鋼筋腐蝕嚴重已影響斷面積甚大時 (A)應以良好鋼筋抽換之 (B)補強小一號鋼筋即可 (C)應以鋼刷清除浮銹 (D)應以水泥漿塗刷填補。
74. 鋼筋標準規格 CNS 560 標示代號#5,對應竹節鋼筋稱號 (A)D19 (B)D16 (C)D10 (D)D13。
75. 圓柱長 6m,採#3 螺旋箍筋,間距為 30cm,則每一支圓柱箍筋之截切次數以______為宜。 (A)20 次 (B)1 次 (C)19 次 (D)21 次
76. 竹節鋼筋比光面鋼筋之搭接長度為 (A)等長 (B)長 (C)不一定 (D)短。
77. 下列之構材符號,何者為錯誤? (A)PP 表鋼管 (B)HS 表筒鋼 (C)C 表槽鋼 (D)PL 表鋼板。
78. 構材編號 B 表示梁,S 表示 (A)基礎版 (B)地中梁 (C)版 (D)柱。
79. 有一梁主筋形狀如下圖所示,若梁斷面為 30 ㎝×50 ㎝肋筋為 D10,保護層為 4 ㎝,則 a 值 (A)20(B)40 (C)25 (D)45 ㎝。
80. RS 在配筋圖中表示 (A)地下室版 (B)屋頂版 (C)基礎版 (D)中空樓版