阿摩線上測驗
登入
首頁
>
技檢◆汽車修護-乙級
> 114年 - 114-1 全國技術士技能檢定學科_乙級:02000汽車修護#128050
114年 - 114-1 全國技術士技能檢定學科_乙級:02000汽車修護#128050
科目:
技檢◆汽車修護-乙級 |
年份:
114年 |
選擇題數:
80 |
申論題數:
0
試卷資訊
所屬科目:
技檢◆汽車修護-乙級
選擇題 (80)
1. 柴油引擎噴射泵至噴油嘴間高壓油管長度不均,直接影響 (A)噴油角度 (B)噴射正時 (C)噴油壓力 (D)噴油霧化。
2. 引擎排氣背壓太大,其原因可能是 (A)排氣管腐爛 (B)消音器阻塞 (C)消音器太大 (D)消音器破裂。
3. 車輛之後懸吊系統採用片狀彈簧時,其兩端為 (A)前端為固定端,後端為吊耳 (B)前端吊耳,後端固定端 (C)前、後端均使用吊耳 (D)前後端均為固定端。
4. 依職業安全衛生設施規則規定,噪音超過多少分貝之工作場所,應標示並公告噪音危害之預防事項,使勞工周知? (A)85 分貝 (B)90 分貝 (C)75 分貝 (D)80 分貝。
5. 關於個人資料保護法的敘述,下列何者錯誤? (A)不管是否使用電腦處理的個人資料,都受個人資料保護法保護 (B)我的病歷資料雖然是由醫生所撰寫,但也屬於是我的個人資料範圍 (C)身分證字號、婚姻、指紋都是個人資料 (D)公務機關依法執行公權力,不受個人資料保護法規範。
6. 碟式煞車其煞車片與碟盤是利用下列何者作用保持適當之間隙? (A)油壓 (B)回拉彈簧 (C)分泵活塞油封 (D)分泵活塞。
7. 汽油引擎怠速運轉不良可能原因中,下列何者影響最大? (A)空氣溫度感知器不良 (B)進氣歧管漏氣 (C)大氣壓力感知器不良 (D)燃燒室積碳。
8. 電腦機房使用時間長、耗電量大,下列何項措施對電腦機房之用電管理較不適當? (A)設置冷熱通道 (B)使用新型高效能電腦設備 (C)使用較高效率之空調設備 (D)機房設定較低之溫度。
9. 任職於某公司的程式設計工程師,因職務所編寫之電腦程式,如果沒有特別以契約約定,則該電腦程式之著作財產權歸屬下列何者? (A)編寫程式之工程師 (B)公司 (C)公司全體股東共有 (D)公司與編寫程式之工程師共有。
10. 下列何種方式沒有辦法降低洗衣機之使用水量,所以不建議採用? (A)使用低水位清洗 (B)選擇快洗行程 (C)選擇有自動調節水量的洗衣機 (D)兩、三件衣服也丟洗衣機洗。
11. 一般車輛之安全帶縮緊器(Seat belt pre -tensioner)位於何處? (A)前座底部 (B)內建於安全帶釦 (C)在肩部固定釦座 (D)內建於安全帶的捲帶器中。
12. 如下圖所示之邏輯閘為哪一類型 gate?
(A)NAND (B)AND (C)OR (D)NOR。
13. 安全帽承受巨大外力衝擊後,雖外觀良好,應採下列何種處理方式? (A)送修 (B)繼續使用 (C)油漆保護 (D)廢棄。
14. 冰箱在廢棄回收時應特別注意哪一項物質,以避免逸散至大氣中造成臭氧層的破壞? (A)汞 (B)甲醛 (C)冷媒 (D)苯。
15. 下列何者非為職業病預防之危害因子? (A)物理性危害 (B)遺傳性疾病 (C)化學性危害 (D)人因工程危害。
16. 前輪驅動車輛低速行駛,方向盤左或右轉到底時,前方底盤叩叩異音主要故障原因是 (A)輪胎氣壓太高 (B)前驅動軸軸承磨耗 (C)變速箱軸承磨耗 (D)齒輪油不足。
17. 測試引擎汽缸壓縮壓力時,除節氣門全開外 (A)冷車時測試,僅拆測試缸之火星塞 (B)溫車時測試,僅拆測試缸之火星塞 (C)溫車狀態測試,火星塞全部拆除 (D)冷車時測試,火星塞全部拆除。
18. 電子控制式自動變速箱管路油壓測試時,若在特定的檔位(例如:R 檔或 1 檔)油壓低,其可能故障為 (A)特定的油壓離合器洩漏 (B)濾網與油壓調整閥間洩漏 (C)濾網堵塞 (D)油壓調整閥卡住。
19. 有關電瓶充電方法之敘述,下列何者不正確? (A)汽車上發電機的充電方式為並聯充電法 (B)通常充電工場均採用串聯充電法,而其充電電流量為最小電瓶電容量的十分之一安培小時,且充電電壓會隨電瓶的電壓上升而增加 (C)快速充電法之最大充電電流量,一般皆以電瓶電容量的一半為準 (D)等壓充電法可將電壓不相同的電瓶作並聯充電。
20. Catalytic converter 是下列哪一項之英文名稱 (A)觸媒轉換器 (B)自動變速箱 (C)扭力變換器 (D)電晶體。
21. 一般車輛前輪後傾角的主要目的是 (A)保持車輛正前行駛 (B)輪胎不易磨耗 (C)胎面全面著地 (D)易轉向。
22. 氣門桿小橡皮護油圈應裝配在 (A)氣門導管裡面 (B)氣門桿任何位置 (C)氣門桿端彈簧座圈裡面 (D)氣門桿靠氣門頭位置。
23. 手排變速箱為避免使二組齒輪同時嚙合導致齒輪受損,故裝有一組 (A)定位機構 (B)等速銅錐體 (C)同步機構 (D)連鎖機構。
24. 下列何者行為會有侵害著作權的問題? (A)直接轉貼高普考考古題在 FACEBOOK (B)將講師的授課內容錄音,複製多份分贈友人 (C)以分享網址的方式轉貼資訊分享於社群網站 (D)將報導事件事實的新聞文字轉貼於自己的社群網站。
25. 臺灣地狹人稠,垃圾處理一直是不易解決的問題,下列何種是較佳的因應對策? (A)向海爭地掩埋
(B)運至國外處理 (C)垃圾分類資源回收 (D)蓋焚化廠。
26. 裝有自動變速箱之 F.F 車輛,拋錨拖吊時應注意 (A)前輪離地 (B)前輪著地 (C)引擎運轉 (D)拖吊速度限制依廠家規定。
27. 手排變速箱使用下列哪種齒輪可以使換檔容易、扭力傳輸平穩,齒輪不易崩損 (A)螺旋齒輪 (B)正齒輪 (C)斜齒輪 (D)內齒輪。
28. 一般來說在做冷氣系統檢修時,抽真空的主要目的為 (A)增加系統中的冷媒量 (B)使冷媒容易充填
(C)方便充填冷凍油 (D)將系統中之水份與空氣排除。
29. 熱中暑時,易發生下列何現象? (A)體溫正常 (B)體溫忽高忽低 (C)體溫上升 (D)體溫下降。
30. 廠家規定液壓動力輔助方向盤左右打到底時間,不可過長是為防止損害 (A)輪胎軸承 (B)方向盤轉向機柱 (C)轉向機及轉向液壓泵 (D)橫拉桿球接頭。
31. 如圖示是檢查何者斷路
(A)吸住線圈 (B)磁場線圈 (C)電樞線圈 (D)吸入線圈。
32. GDI 汽油引擎是指 (A)進氣口汽油噴射引擎 (B)單點汽油噴射引擎 (C)節氣閥體汽油噴射引擎 (D)汽缸內汽油直接噴射引擎。
33. 發火線圈的能供電壓,電子點火系統應在_______以上。 (A)10kV (B)20kV (C)30kV (D)50kV
34. 電鍋剩飯持續保溫至隔天再食用,或剩飯先放冰箱冷藏,隔天用微波爐加熱,就加熱及節能觀點來評比,下列何者是對的? (A)微波爐再加熱比較省電又方便 (B)持續保溫較省電 (C)兩者一樣 (D)優先選電鍋保溫方式,因為馬上就可以吃。
35. 某汽油噴射引擎,有時無法發動,有時發動後隨即熄火,有時發動時回火,下列何者應優先檢查
(A)大氣壓力感知器 (B)凸輪軸位置感知器 (C)進氣溫度感知器 (D)爆震感知器。
36. 汽車冷氣系統在正常的情況下,進入蒸發器的冷媒狀態為 (A)低壓氣態 (B)高壓液態 (C)低壓液態 (D)高壓氣態。
37. 電瓶過度充電的原因是 (A)靜子線圈斷路 (B)風扇皮帶太緊 (C)電壓調整器損壞 (D)轉子線圈搭鐵不良。
38. 因人類活動導致哪些營養物過量排入海洋,造成沿海赤潮頻繁發生,破壞了紅樹林、珊瑚礁、海草,亦使魚蝦銳減,漁業損失慘重? (A)氮及氯 (B)氮及磷 (C)氯及鎂 (D)碳及磷。
39. 有一 12V120AH 的電瓶,若以瓦特小時來表示其電容量,應該為多少瓦特小時? (A)0.1 (B)132
(C)1440 (D)10。
40. 假若將二個 12V 50AH 的電瓶串聯時,則其電壓與電容量會變為多少? (A)24V 100AH (B)24V50AH (C)12V 50AH (D)12V 100AH。
41. 下列何者錯誤? (A)拆卸汽缸蓋螺絲時,應由外往內逐次拆鬆 (B)拆卸螺絲時,應優先選擇套筒扳手 (C)使用扳手時,應由內往身體外方向施力 (D)扭力扳手,製造時非常精密,必須作定期校驗。
42. 車輪定位校正項目中,何者是最後校正項目? (A)後傾角 (B)前束 (C)內傾角 (D)外傾角。
43. Brake light 是下列哪一項之英文名稱 (A)煞車踏板 (B)煞車燈 (C)煞車油管 (D)煞車開關。
44. 有關車輛檢驗中心以滾筒式煞車試驗器測試車輛煞車效能時,其檢驗項目包含 (A)總煞車力、不平衡度與手煞車力 (B)動態煞車力、不平衡度與手煞車力 (C)動態煞車力、平衡度與手煞車力 (D)總煞車力、平衡度與手煞車力。
45. 柴油引擎排出污染較為嚴重的成分是 (A)CO 與 HC (B)PM(粒狀污染物)與 NOx (C)HC 與 NOx (D)CO與 NOx。
46. 某離職同事請求在職員工將離職前所製作之某份文件傳送給他,請問下列回應方式何者正確? (A)視彼此交情決定是否傳送文件 (B)可能構成對於營業秘密之侵害,應予拒絕並請他直接向公司提出請求 (C)若其目的僅為保留檔案備份,便可以傳送文件 (D)由於該項文件係由該離職員工製作,因此可以傳送文件。
47. 若盆形齒輪過度磨損應更換 (A)盆形齒輪、角尺齒輪及差速小齒輪 (B)角尺齒輪 (C)盆形齒輪及角尺齒輪 (D)盆形齒輪。
48. 電動式汽油泵中設有殘壓用單向活門,其目的是 (A)防止輸油時發生逆流 (B)泵停止作用時維持壓送側油管殘壓 (C)調適輸油過程的殘壓 (D)控制流向於一定壓力。
49. 汽油噴射引擎,其噴油嘴噴射量之多寡是控制 (A)壓力 (B)真空 (C)噴油嘴開啟時間 (D)噴油嘴開度大小。
50. 關於汽油引擎低速低負載時污氣排放之敘述,下列何者錯誤? (A)NOx 排放量少 (B)HC 排放量多
(C)CO 及 HC 排放量少 (D)CO 排放量多。
51. 下列何者不會減少溫室氣體的排放? (A)增高燃煤氣體排放的煙囪 (B)減少使用煤、石油等化石燃料 (C)大量植樹造林,禁止亂砍亂伐 (D)開發太陽能、水能等新能源。
52. 如圖示之操作簡圖,是實施差速器何項操作?
(A)檢查盆形齒輪與角尺齒輪之齒隙 (B)檢查差速器軸承之邊間隙 (C)檢查角尺齒輪與盆形形齒輪之後觸面高度 (D)檢查盆形齒輪之偏移。
53. 冷氣壓縮機上"S"端應接往 (A)蒸發器 (B)冷凝器 (C)膨脹閥 (D)貯液筒。
54. 通常柴油引擎在全負載(最大噴油量)狀態下,其空氣過剩率是 (A)120~140 (B)12~14 (C)1.2~1.4
(D)0.2~0.4。
55. 下列有關自動變速箱的敘述何者為非? (A)Electronic Control Automatic Transmission 與Electronic-Continuously Variable Transmission 構造相同 (B)機械液壓式利用調速器油壓與節流油壓來換檔 (C)電子控制式利用 ECU 控制電磁閥來換檔 (D)AT 車的優點是升降檔時換檔平順。
56. 如圖示符號表示
(A)PNP 電晶體 (B)NPN 電晶體 (C)整流粒 (D)定壓轉流粒。
57. 防治蚊蟲最好的方法是 (A)網子捕捉 (B)清除孳生源 (C)使用殺蟲劑 (D)拍打。
58. 動力行程之終止係在 (A)活塞在下死點時 (B)排氣門開啟時 (C)活塞在上死點時 (D)進氣門開啟時。
59. 在冷氣系統中,當液態冷媒的表面壓力減低時,則冷媒 (A)容易變成氣態而放熱 (B)容易變成氣態而吸熱 (C)不容易變成氣態而吸熱 (D)不容易變成氣態而放熱。
60. 手排 FR 車當排入倒檔時,副軸轉動方向為何? (A)視前進檔位而定 (B)與排入前進檔相同 (C)不轉動 (D)與排入前進檔相反。
61. 未配備 ABS 裝置之車輛,行駛時踩煞車踏板呈周期性反彈現象,可能原因? (A)煞車鼓失圓 (B)煞車碟盤變形 (C)回拉彈簧彈力太弱 (D)煞車油過多。
62. 使用一般充電機進行電瓶充電時,下列注意事項何者正確? (A)依手冊之容許電流進行充電 (B)充電電流要高,以確保電瓶充滿電 (C)若電瓶一個以上,則須先將電瓶連接後再接上充電機的正負極線 (D)應保持充電區域的空氣流通。
63. 如圖所示當點火開關 ON,且一、三號噴油嘴停止噴油,二、四號噴油嘴噴油時,下列何者正確?
(A)a
2
和 ECU14 號端子間電壓值為 0 V (B)a
3
和 b
3
間電壓差為 0 V (C)主繼電器金屬接點鏽蝕時,可能造成電壓降低 (D)a
1
和 ECU26 號端子間電壓值為 12 V。
64. 手排變速箱之齒輪油油量超過規定值時,以下何種情況最可能發生? (A)排檔時會產生亂檔 (B)無法排入倒檔 (C)行駛時引擎油耗增加 (D)齒輪油容易洩漏到離合器。
65. 有關電瓶的敘述,下列何者正確? (A)電瓶自放電的速度與電瓶的溫度成正比,溫度越高則放電的
速度越快 (B)當電極板的活性物質剝落時,電瓶的蓄電能力會降低 (C)電瓶液的比重會隨著溫度而
改變,溫度越高,比重越大 (D)當電瓶液的比重下降至 1.200 時,則需將電瓶充電。
66. 有關汽油噴射引擎於起動時期其補助噴油量之決定要素之敘述,下列何者正確? (A)電瓶電壓 (B)冷卻水溫度 (C)吸入空氣量 (D)吸入空氣溫度。
67. 有關超級柴油之敘述,下列何者有誤? (A)加入 5%之生質柴油為主要成份 (B)適用於較高壓縮比之引擎 (C)柴油含硫成分不能高過 10 ppm (D)會增加粒狀污染物之排放。
68. 有關汽車交流發電機,下列敘述何者正確? (A)磁場在線圈中轉動的為交流發電機 (B)若磁場置於水平方向,當線圈位於垂直(0°)位置時,感應電壓與電流為 0 (C)發電原理係利用夫萊銘右手定則(D)交流發電機的靜子線圈內感應出電壓經處理後為交流電。
69. 如圖示為進行引擎試動之前應先調整氣門間隙,此時須搖轉曲軸使皮帶盤正時刻度對正之位置,下列敘述何者錯誤?
(A)10∘aTDC (B)0∘aTDC (C)20∘bTDC (D)10∘bTDC。
70. 有關氙氣頭燈的敘述,下列何者錯誤? (A)有安裝氙氣頭燈必須配有自動頭燈高低調整 (B)有安裝氙氣頭燈下雨天較亮 (C)有安裝氙氣頭燈必須配有凸透鏡 (D)有安裝氙氣頭燈比較省電。
71. 下列有關行星齒輪之敘述何者錯誤? (A)行星架固定時,動力由太陽輪輸入時,齒輪比等於 2.5 (B)動力順時針由太陽輪輸入,行星架固定時,環齒輪逆時針旋轉 (C)太陽輪固定時,動力由行星架輸入,齒輪比等於 0.8 (D)當動力同時以順時針方向,由太陽輪及環齒輪輸入時,齒輪比等於 1。
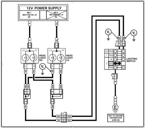
72. 如圖所示某頭燈配線迴路,每個遠/近頭燈為 60W,當燈開關在 LO 位置,電瓶電壓 12V,假設M/B FUSE NO. 27 燒斷時,下列測量值何者正確?
(A)V
1
=12V、V
2
=12V (B)V
2
=12V (C)V
3
≒0V (D)V
1
=0V。
73. 如圖所示為各元件符號,何種元件具有以小電流控制大電流之功能? (A)
(B)
(C)
(D)
。
74. 使用真空錶測試引擎進氣歧管真空時,可以測試下列哪些故障? (A)哪一缸活塞環磨損 (B)排氣系統是否堵塞 (C)汽門正時是否正確 (D)進氣歧管是否漏氣。
75. 汽油噴射引擎當進行燃油壓力測試時,包括下列哪些步驟? (A)relieve the fuel pressure(B)disconnect the quick-connect fitting and attach the fuel pressure gauge (C)open the fuel tank filler cap (D)read the fue l pressure gauge。
76. 有關直列式四缸汽油引擎之曲軸構造之敘述,下列何者正確? (A)有四個曲軸銷,用以組裝連桿總成 (B)一般使用三個或五個曲軸頸,用以安裝在汽缸體上 (C)1、2 缸的曲軸銷與 3、4 缸的曲軸銷各在同一平面上 (D)各曲軸頸及曲軸銷之間均有油道,使軸承能得到充分潤滑。
77. 有關四輪定位目的之敘述,下列何者為正確? (A)提昇駕駛舒適性 (B)提供輪胎轉向後自動回正之力量 (C)提昇轉向所需之力量 (D)提昇行駛穩定性。
78. 輪胎斷面寬度相同,有關輪胎扁平比之敘述下列何者錯誤? (A)扁平比越大,抓地力越好 (B)扁平比越小,高速時穩定性越好 (C)扁平比越大,路面變化反應更為敏感 (D)扁平比 80 的輪胎比扁平比70 的輪胎更扁。
79. 關於充電系統的敘述,下列何者錯誤? (A)當電瓶電壓高於 15.5V 時,電壓調整器會將磁場電流切斷,以避免電瓶過度充電 (B)做輸出電流測試時,若發電機正常,則其輸出電流應高於額定電流值90% (C)車上電器負載越大,則發電機的輸出電流越大 (D)當電瓶逐漸接近充滿電的狀態時,其充電電流會逐漸變小。
80. 進行某前置引擎前輪驅動之 2WD CVT 車輛拖吊時,如圖示 A、B、C、D 四種方法,下列何者為正確拖吊方法?
(A)B (B)C (C)A (D)D。
申論題 (0)