所屬科目:船用電機與自動控制(概要)
1. 一般感應電動機以額定電壓運轉時,其線電流為150安培,如果以Y-Δ切換方式來啟動,其啟動時的線電流為何?(A) 150安培(B) 86.6安培(C) 75安培(D) 50安培
2. 燃油黏度偵測器測定黏度,是在等溫下,讓定量燃油流過一定長度與截面積之毛細管,此黏度偵測器是量測下列何者來代表燃油黏度的變化?(A) 燃油流過毛細管的時間長度(B) 燃油流過毛細管的壓力降(C) 燃油流過毛細管的流率(D) 燃油流過毛細管的溫度變化
3. 同步電機之V形曲線是下列哪兩者的特性關係曲線?(A) 電樞電流與端電壓之關係曲線(B) 磁場電流與感應動勢之關係曲線(C) 磁場電流與電樞電流之關係曲線(D) 電樞電流與反電動勢之關係曲線
4. 中國驗船中心及日本驗船協會均規定在電機(發電機及電動機)過速耐力檢驗中,須能維持多少時間使在規定過速下能無故障運轉?(A) 30秒(B) 1分鐘(C) 2分鐘(D) 3分鐘
5. 主機遙控裝置中,油壓式控制方式之缺點為何?(A) 精密度控制不佳(B) 應答特性遲緩(C) 屬高壓,配管較難(D) 作動部之作用力小
6. 下列何者不為鍋爐自動控制系統的控制量?(A) 燃油流量(B) 蒸氣壓力(C) 水位高低(D) 爐灰累積
7. 在密閉容器中,液體的壓力均等的傳遞到容器內的任何一個表面,此描述為下列哪一個理論?(A) 伯努利定理(B) 能量守恆定理(C) 巴斯卡原理(D) 質量守恆定律
8. 緊急發電機可供電給下列何種裝置?(A) 主海水泵(B) 主滑油泵(C) 舵機(D) 錨機
9. 觀察公式,電動機「最適宜」之啟動特性應為何?(A) 啟動轉矩小,啟動電流小(B) 啟動轉矩小,啟動電流大(C) 啟動轉矩大,啟動電流小(D) 啟動轉矩大,啟動電流大
10. 下列何者能正確的說明磁場的歐姆定律?(A) 磁場強度=磁通量×磁阻(B) 磁場強度=磁通密度×磁阻(C) 磁動勢=磁通量×磁阻(D) 磁動勢=磁通密度×磁阻
11. 三相對稱負載Y形連接,其相電壓為220V,相電流為4A,功率因數為0.6,則其三相總功率為:(A) 1584kW(B) 915kW(C) 1584W(D) 915W
12. 主機於運轉中,當駕駛台俥鐘桿移到停止位置時,俥鐘所發出的信號傳送到何處以作動主機停止?(A) 安全保護裝置(B) 換向機構(C) 負荷傳送器(D) 調速器
13. 因調整發電機激磁電流而獲得穩定電壓與負載電流的關係曲線,稱為何種曲線?(A) 空載特性曲線(B) 外部特性曲線(C) 磁場調整曲線(D) 轉矩特性曲線
14. 下列何項控制之主要目的是在消除穩態誤差?(A) 開關控制(B) 微分控制(C) 積分控制(D) 比例控制
15. 船舶集中監視與警報系統中,連續監視警報系統的特點為?(A) 同一時間可監視所有的監視點,所有監視點共用一個警報控制單元(B) 同一時間只可監視一個監視點,所有監視點共用一個警報控制單元(C) 同一時間只可監視一個監視點,每一監視點都有一個警報控制單元(D) 同一時間可監視所有的監視點,每一監視點都有一個警報控制單元
16. 惠斯登電橋(Wheatstone Bridge)原理可被應用於下列何種計器?(A) 電阻式溫度計(B) 同步指示器(C) 交流功率計(D) 膜片式壓力計
17. 熱敏電阻(Thermistor)是屬於電阻式溫度測量裝置,其所使用的材料為何?(A) 白金(B) 半導體(C) 鎳(D) 銅
18. 當二部同步發電機並聯時,同步器指針逆時鐘旋轉的意義為何?(A) 待並聯的電機頻率低於匯流排(B) 待並聯的電機頻率高於匯流排(C) 待並聯的電機相位落後(D) 待並聯的電機相位超前
19. 當負載增加時,造成並激式直流發電機端電壓下降的原因為何?①電樞反應 ②電樞電阻③激磁減少 ④轉速增加(A) ①②③(B) ①②④(C) ①③④(D) ②③④
20. BJT電晶體工作於其放大區時,集極電流應為何?(A) 0mA(B)(C)(D) 由外接電路決定
21. 理想運算放大器(OPA)作為放大器使用時,若將輸出訊號按比例回授回輸入端,從而達到控制的放大器電路,稱為下列何種電路?(A) 穩壓電路(B) 濾波電路(C) 負回授電路(D) 正回授電路
22. 如圖之輸入Vs = 2V 時,Vo = 10V,則電阻R =?
(A) 10kΩ(B) 15kΩ(C) 20kΩ(D) 25kΩ
23. 如下圖所示之放大器電路的特性敘述,下列何者正確?
(A) 電壓增益為−1(B) 電壓增益為1(C) 輸入電阻非常小(D) 輸出電阻非常大
24. 某船舶主機全速運轉後,操俥系統之紅色指示燈『Emergency shut down』突然亮起並鳴警報,試問主機之自動運作為何?(A) 主機油門緩慢縮減,停留於最慢速並待指令停俥(B) 主機油門立即關閉,隨著船舶慣性空轉終達停俥(C) 主機油門緩慢縮減,隨著船舶慣性空轉終達停俥(D) 主機油門立即關閉,並空氣煞俥以達快速停俥
25. 關於蓄電池的描述何者正確?(A) 酸性電池使用具有鈉離子的液體當作電解液(B) 鹼性蓄電池具有大電流放電、壽命較長等特點。(C) 酸性蓄電池不須經常充電及定期檢查(D) 鎳鎘電池的充電電壓是2V~2.6V之間
26. 下列關於自動控制系統的控制器補償與頻率響應的說明,何者正確?(A) 高頻部分反應了系統的穩態性能(B) 中頻部分反應了系統的暫態性能(C) 低頻部分反應了系統的抗干擾性能(D) 引入補償不會附加產生測量雜訊
27. 一直流電源電壓10V,串聯一開關、10mH的電感器與10kΩ電阻器,開關導通後關於直流暫態描述,何者正確?(A) 導通後經過1µs,電感器上的感應電壓約為3.7V(B) 導通後經過1µs,電感上的感應電壓約為6.3V(C) 導通後經過2.5µs,電感的線圈電流約為0.37mA(D) 導通後經過2.5µs,電感的線圈電流約為0.63mA
28. 有一導線的電阻值為3Ω,在體積不變之條件下將它均勻拉長,使其長度變為原來之2倍,則導線拉長後之電阻值為何?(A) 4Ω(B) 6Ω(C) 9Ω(D) 12Ω
29. 以下關於燃油粘度偵測器、氣動控制閥與控制器的描述,何者錯誤?(A) 粘度偵測器必須在等溫且層流情況下測量(B) 粘度偵測器原理是將燃油流過毛細管產生的壓力降來估算粘度值(C) 氣動控制閥是用來控制燃油流量大小(D) 粘度控制器大部分功能是依賴控制空氣作動
30. 關於空氣斷路器(ACB)與模殼型斷路器(MCCB)的描述,以下何者正確?(A) ACB必須依賴彈簧蓄能進行閉合(B) ACB電流小,不需要滅弧裝置。MCCB電流大,需要滅弧裝置。(C) MCCB是發電機電力輸送到匯流排之間的開關,(D) ACB是匯流排與負載端之間的開關。
31. PT-100電阻式溫度計,其電阻與溫度的關係特性為?(A) 0℃,100kΩ(B) 25℃,100kΩ(C) 0℃,100Ω(D) 25℃,100Ω
32. 關於交流發電機整步功用之描述,下列描述何者錯誤?(A) 整步的目的是並聯時檢測與調整頻率和相位(B) 整步通常包括整步指示器與指示燈兩種(C) 整步的目的是讓待並聯的發電機接上匯流排時避免逆功率(D) 待並聯的發電機的頻率應略低於匯流排的頻率
33. 二進位數轉為何者錯誤?(A)(B)(C)(D)
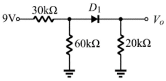
34. 如圖所示電路中之二極體為理想(即導通電壓為零),其電壓Vo =?
(A) 0V(B) 3V(C) 4.5V(D) 9V
35. 關於控制系統的比例控制器對於比例帶PB的描述,以下何者錯誤?(A) 比例帶PB與放大倍數成正比(B) 比例帶大小會影響控制精度(C) 比例帶設定會影響系統靈敏度(D) 比例帶定義調節器增益與驅動器輸出的比例關係
36. 若設計一個交流發電機時,在轉子線圈相同的條件下,轉速固定時,若增加定子磁極的數量,以下何者正確?(A) 增加電壓(B) 增加電流(C) 增加頻率(D) 增加負載電流
37. 關於使用同步指示器進行兩部發電機並聯與退出之過程描述,何者正確?(A) 並聯時,將同步指示器選擇開關連接到待並聯的發電機,只要指針朝FAST方向迴轉時即可並聯。(B) 兩發電機並聯過程中,將同步指示器選擇開關切到待並聯發電機時,FAST表示運轉中發電機頻率較快(C) 退出並聯的過程中,欲退出的發電機往"FAST" 方向表示移除更多負載。(D) 退出並聯的過程中,兩發電機在負載轉移過程中必須維持匯流排頻率不變
38. 負載以Y型連接三相電源,其線電流是相電流的幾倍?
(A)(B) 1(C)(D)
39. 關於同步指示燈與發電機並聯的相關描述,下列何者正確?(A) 三燈皆滅表示相序不同(B) 兩明一暗表示頻率稍異(C) 三燈輪流明滅表示相序不同(D) 三燈輪流明滅表示電壓不同
40. 使用三用電表量測電壓與電流時,其接線方式為何?(A) 量電壓串聯,量電流並聯(B) 量電壓並聯,量電流串聯(C) 都用並聯(D) 都用串聯