所屬科目:專技◆航海◆船舶主機(概要)-柴油機
1. 柴油主機的基石,為下列何者?(A) 曲軸(B) 氣缸缸底(C) 底板(D) 機座
2. 目前大型低速柴油機主要採用下列何種機座?(A) 單壁淺型機座(B) 單壁深型機座(C) 雙壁深型機座(D) 雙壁淺型機座
3. 柴油機燃油在燃燒後將熱能轉換成下列何種能量?(A) 化學能(B) 電動勢能(C) 機械能(D) 輻射能
4. 某柴油機的最大連續出力為8000 BHP,燃油耗油率為120 g/BHP-hr,燃油比重為0.95,試求該柴油機每天的燃油耗油量?(A) 25497 kg/day(B) 26274 kg/day(C) 23040 kg/day(D) 24960 kg/day
5. 下列何者不是避免氣缸套磨粒磨損採取的措施?(A) 應該保證進氣潔淨,重視空氣濾清器的檢查保養,特別是在灰塵較多的場所運作時,更應及時維護保養(B) 供給質高、潔淨的燃油,防止精密零組件的磨損(C) 注意修理、保養場所的潔淨,避免鐵屑和灰塵等雜質進入氣缸套內(D) 提高掃氣效率,定期拆解保養排氣閥
6. 何種故障期又稱設備使用壽命期,是柴油機設備的主要使用期?(A) 早期故障期(B) 偶然故障期(C) 磨損故障期(D) 過荷故障期
7. 柴油機故障之減缸運轉若發生缸套或缸蓋之冷卻水漏入氣缸,操俥需機器變速運轉時,當超過額定80%之轉速,最多只允許運轉幾分鐘?(A) 1分鐘(B) 5分鐘(C) 15分鐘(D) 60分鐘
8. 中間軸(Intermedia to Shaft),其功用為何?(A) 連接推力軸與艉軸,傳遞推動力(B) 減少軸系磨擦阻力(C) 支撐推力軸之軸向負荷(D) 增加軸系撓度
9. 柴油機設備長時間運轉後,將產生各種故障,何種故障在發生前不會產生異常的徵兆顯示?(A) 漸進性故障(B) 突發性故障(C) 波及性故障(D) 斷續性故障
10. 當引擎的最高爆發壓力愈大時,試問下列何者最為正確?(A) 將造成壓縮壓力下降(B) 將造成點火延遲時間變長(C) 引擎機件承受的機械負荷愈大(D) 燃油消耗率愈大
11. 延遲柴油機高壓燃油泵開始噴油之角度,則下列敘述,何者係不正確?(A) 增加引擎的燃油消耗率(B) 減少硫氧化物的產生量(C) 減少最高爆發壓力(D) 減少最高燃燒溫度
12. 四行程柴油機由於活塞上下往復運動直接驅動曲柄軸迴軸運動,因而產生何種情況?(A) 氣缸套左右(P→S)磨耗等於前後向(F→A)磨耗(B) 氣缸套左右(P→S)磨耗大於前後向(F→A)磨耗(C) 氣缸套左右(P→S)磨耗小於前後向(F→A)磨耗(D) 汽缸套全部會產生磨耗
13. 柴油機裝設油霧探測器的目的為何?(A) 探測軸承溫度(B) 檢測活塞環漏氣(C) 檢測曲軸箱門漏氣(D) 檢測曲軸箱內油氣濃度的變化
14. 船上燃油櫃中有關重油之儲存,應避免不同來源的燃油長時間混合在一起,以免因下列何者而產生大量污泥,堵塞過濾器和管路?(A) 黏度不同(B) 親合性不同(C) 燃燒性不同(D) 穩定性不同
15. 一般在氣缸套上部靠近第一道活塞環上死點位置處為何種磨損較嚴重?(A) 顆粒磨損(B) 黏著磨損(C) 腐蝕磨損(D) 撞擊磨損
16. 下列對二衝程柴油機之敘述,何者錯誤?(A) 活塞的兩個行程來完成一個工作循環(B) 有單獨進氣與排氣行程(C) 進氣與排氣過程幾乎重疊在下死點前後約120~150度曲柄角內同時進行(D) 必須具備一個專門的掃氣泵以提高進氣壓力
17. 何謂四衝程柴油機的氣閥重疊角?(A) 下死點前後,進、排氣閥同時開啟的曲軸轉角(B) 下死點前後,進、排氣閥同時開啟的凸輪軸轉角(C) 上死點前後,進、排氣閥同時開啟的曲軸轉角(D) 上死點前後,進、排氣閥同時開啟的凸輪軸轉角
18. 請問柴油機的氣缸套冷卻水溫升高超過正常值,其原因為下列何者?(A) 噴油角度延後(B) 氣缸超負荷(C) 氣缸燃油供應不足(D) 掃氣溫度過高
19. 狄賽爾循環(Diesel cycle)又稱為下列何者?(A) 定壓循環(B) 定容循環(C) 等熵循環(D) 複合循環
20. 理想狀態下柴油機之主軸承潤滑為下列何種類型?(A) 邊界潤滑(B) 薄膜潤滑(C) 厚膜潤滑(D) 自主潤滑
21. 有關柴油機效率之敘述,下列何者有誤?(A) 引擎之指示馬力與單位時間內供給引擎之總熱量比值稱為指示熱效率(B) 制動馬力除以指示馬力為機械效率(C) 制動熱效率為指示熱效率減去機械效率(D) 一般而言引擎之正常負荷越小,機械效率越低
22. 柴油主機氣缸內量得的P-V圖(壓力/容積圖)中可提供下列何者訊息?(A) 可觀測噴油開始點(B) 可觀測噴油結束點(C) 計算指示平均有效壓力(D) 可觀測燃燒結束點
23. 引起二行程柴油主機曲軸室爆炸的決定性因素為下列何者?(A) 氣缸燃燒異常(B) 氣缸出現旁吹(C) 燃油含水量增加(D) 曲軸室出現高溫熱源
24. 油、水、排氣於柴油機運轉中呈現異常的漏油、滴漏等現象,為何種異常的徵兆?(A) 聲音異常(B) 功能異常(C) 壓力異常(D) 外觀異常
25. 主機若出現每一氣缸排氣高溫,引擎油門刻度增加,但引擎轉速卻起不來,其顯示下列何種狀況?(A) 掃氣壓力供應過高(B) 過負荷(C) 燃油之壓力供應過高(D) 曲軸箱油霧過高
26. 以下何者並不會造成柴油機氣缸的壓縮壓力下降?(A) 噴油時間提前(B) 排氣閥洩漏(C) 活塞環磨耗(D) 氣缸套磨耗
27. 柴油主機為了預防曲軸箱爆炸之危害,其在柴油機排氣側之曲軸箱裝有防爆洩壓裝置,其開啟壓力常訂為下列何者?(A) 0.01 MPa(B) 0.02 MPa(C) 0.03 MPa(D) 0.04 MPa
28. 近代船用柴油機在高功率及使用劣質燃油工作情況之條件下,氣缸套過度磨耗時有所聞,請問氣缸套磨耗之最大限度為氣缸直徑的多少(%)?(A) 0.2~0.6(%)(B) 0.3~0.7(%)(C) 0.4~0.8(%)(D) 0.5~0.9(%)
29. 有關氣缸套過度磨耗達臨界值時其所引起之狀況,下列何者有誤?(A) 造成壓縮壓力下降,而導致爆發壓力下降(B) 惡劣時產生燃氣旁吹(Blow by),對具十字頭之二行程主機將加速潤滑油污染(C) 容易使活塞環膠著或折斷(D) 缸套內壁有上、下縱向的燒損痕跡
30. 若柴油主機使用SCR(Selective Catalytic Reduction)技術以降低NOx排放,其採用的方法為下列何者?(A) 使用 為媒介轉化成無害之氮氣(B) 使用排氣再循環以降低NOx排放(C) 在氣缸噴水以降低NOx排放(D) 變更噴油閥/噴油嘴設計以降低NOx排放
31. 發電機引擎不需逆轉,是因爲負載的什麼固定?(A) 頻率(B) 電壓(C) 功率(D) 相序
32. 一般柴油機之連桿軸承潤滑或凸輪潤滑多為下列何種類型潤滑?(A) 邊界潤滑(B) 薄膜潤滑(C) 厚膜潤滑(D) 自主潤滑
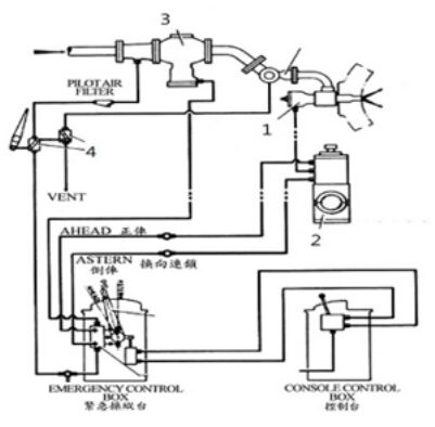
33. 下圖柴油機啟動裝置中何者為啟動空氣分配器?
(A) 1(B) 2(C) 3(D) 4
34. 以下何者並不會造成柴油機緊急停俥?(A) 排氣高溫(B) 主軸承滑油低壓(C) 凸輪軸滑油低壓(D) 超速
35. 主機使用轉俥機之安全注意事項,下列何者有誤?(A) 要進入曲軸室或氣缸檢查前務必將起動空氣供應進機器的閥及起動分配閥關閉(B) 使用轉俥機前氣缸的示功閥需開啟(C) 若柴油機停俥超過30分鐘以上,為了維持主機之起動性,宜將示功閥關閉,再用轉俥機慢速轉動(D) 動俥前,轉俥機應予脫離
36. 低速柴油主機使用重油作為燃料時,需要透過蒸汽將重油加熱以調整其黏度,而燃油進入高壓油泵進口時之適當黏度為下列何者?(A) 5 cSt ~ 9 cSt(B) 10 cSt ~ 15 cSt(C) 21 cSt ~ 25 cSt(D) 26 cSt ~ 30 cSt
37. 以下何者非柴油機暖機之目的?(A) 使柴油機容易起動(B) 減少燃燒生成物對氣缸壁、活塞頂造成的低溫腐蝕(C) 減少燃燒室在起動後之熱應力(D) 減少氣缸油的消耗率
38. 由平均指示壓力(Mean indicated pressure, Pmi)可以得知一個工作循環指示功(Wi)關係,下列敘述何者錯誤?(A) 四衝程機Pmi高於二衝程機(B) 單流掃氣的Pmi高於橫流掃氣(C) 增壓機Pmi高於非增壓機(D) 過量空氣係數α過高時導致Pmi上升
39. VTR式渦輪增壓器的噴嘴環(Nozzle inser)位於透平葉輪(Turbine blade)的何方位置?(A) 內側(B) 外側(C) 前端(D) 後端
40. SIP(Swirl Injection Principle)的汽缸油系統,於何時將汽缸油噴入汽缸內?(A) 活塞於上死點前30˚(B) 活塞於上死點前60˚(C) 活塞於上死點前90˚(D) 活塞於上死點前120˚