所屬科目:機械原理(機械概論、大意)
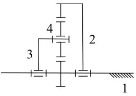
一、下圖為一機械裝置的運動簡圖(Kinematic Sketch),桿 2 為輸入桿,請計算該裝置的自由度,並說明是否可動的理由。(20 分)
二、請繪出瓦特型運動鏈(Watt Chain)與司蒂芬遜型運動鏈(Stephenson Chain),各舉出一個應用實例,並繪出機構簡圖,以及說明該實例為該類 型運動鏈的第幾型機構。(30 分)
三、使用相同的兩個螺旋彈簧,在線性範圍內承受拉力 F,若並聯使用時總伸長量為δ1,且串聯使用時總伸長量為δ2,請計算伸長量比值δ1/δ2。 (20 分)
四、下圖所示行星齒輪系,若桿 2 輸入、桿 3 輸出,且太陽齒輪、行星齒輪及環齒輪的齒數分別為 16、13 及 44 齒,請計算機構的轉速比ω3/ω2。 (30 分)