阿摩線上測驗
登入
首頁
>
技檢◆電腦輔助機械設計製圖-乙級
> 115年 - 20800 電腦輔助機械設計製圖 乙級 工作項目 03:尺度 101-142(2026/01/07 更新)#136475
115年 - 20800 電腦輔助機械設計製圖 乙級 工作項目 03:尺度 101-142(2026/01/07 更新)#136475
科目:
技檢◆電腦輔助機械設計製圖-乙級 |
年份:
115年 |
選擇題數:
42 |
申論題數:
0
試卷資訊
所屬科目:
技檢◆電腦輔助機械設計製圖-乙級
選擇題 (42)
101. 總偏轉度之幾何公差符號為 (A)
(B)
(C)
(D)
。
102. 各種邊緣型態,其值小於等於 0.05 者,無論正負值,稱為 (A)毛頭 (B)避尖 (C)銳邊 (D)讓切 。
103. 外邊緣型態,其值大於等於+0.1 者,稱為 (A)毛頭 (B)避尖 (C)銳邊 (D)讓切 。
104. 內邊緣型態,其值大於等於+0.1 者,稱為 (A)毛頭 (B)避尖 (C)銳邊 (D)讓切 。
105. 各種邊緣型態,其值小於等於-0.1 者,稱為 (A)毛頭 (B)避尖 (C)銳邊 (D)讓切 。
106. 下圖外邊緣型態之毛頭為
(A)可向垂直方向凸出 0.3 (B)可向水平方向凸出 0.3 (C)方向不定向凸出 0.3 (D)讓切可至 0.3 無毛頭 。
107.
左圖屬於 (A)毛頭 (B)銳邊 (C)讓切 (D)避尖 。
複選題
108. 工作圖之尺度依其作用特性,可分為 (A)基本尺度 (B)功能尺度 (C)非功能尺度 (D)參考尺度 。
複選題
109. 依 CNS 規定,下列有關尺度標註的敘述,何者正確? (A)球面直徑為50mm,其標稱方式為 S
Φ
50 (B)中心線及輪廓線皆可作為尺度界線使用(C)錐度符號之尖端恆指向左方 (D)在尺度數字外加一括弧,表示該尺度為參考尺度 。
複選題
110. 尺度標註時,下列敘述正確的為 (A)中心線可以當作尺度線 (B)輪廓線不可以用作尺度線 (C)尺度線為細實線 (D)尺度界線為細實線 。
複選題
111. 有關尺度標註的敘述,下列何者正確? (A)尺度標註的符號高度與數字高度相同 (B)尺度標註的數字內容與圖形比例無關 (C)錐度符號與斜度符號的尖端恆指向右方 (D)中心線與輪廓線可作尺度界線使用 。
複選題
112. 埋頭平行鍵的鍵槽尺度公差,下列何者正確? (A) F9 (B)JS9 (C)N9 (D)P9 。
複選題
113. 埋頭平行鍵的鍵座尺度公差,下列何者正確? (A)F9 (B)JS9 (C)N9 (D)P9 。
複選題
114. 有關 CNS 之尺度標註,下列敘述何者正確? (A)尺度線通常與尺度界線垂直,並距離尺度界線末端約 2mm (B)全圓或大於半圓之圓弧,應標註其直徑 (C)全圓之直徑以標註在非圓形視圖為原則 (D)輪廓線中心線必要時可作為尺度線 。
複選題
115. 下列有關尺度標註之敘述,何者正確? (A)參考尺度必須於尺度數字加上括弧 (B)依據 CNS 國家標準規定,斜度符號之尖端恆朝向左方 (C)標註弧長尺度時,必須於尺度數上方加註弧長符號 (D)指線註解之文字應為水平排列 。
複選題
116. 尺度標註時,下列敘述何者正確? (A)尺度線避免相交叉 (B)小尺度標註於視圖與大尺度之間 (C)尺度必須標註於剖視圖中 (D)連續狹窄部位之尺度可用小圓點代替箭頭 。
複選題
117. 下列有關尺度標註的敘述,何者正確? (A)中心線之延長線可做為尺度界線 (B)工程圖中的尺度數字及符號必要時可以與其他線相交 (C)半徑尺度線通常不宜成水平或垂直 (D)大圓弧標註半徑尺度時,含數字之尺度線不必指向圓心 。
複選題
118. 下列各圖中的尺度標註,何者有誤? (A)
(B)
(C)
(D)
。
複選題
119. 直徑 30mm 時,IT7 級之基本公差為 21μm,下列公差標註方式何者適當? (A)
(B)
(C)
(D)
。
複選題
120. 當有一尺度標註數值為 30 時,可能使用下列何種標註法? (A)R30 (B)C30 (C)M30 (D)N30 。
複選題
121. 下列幾何公差符號敘述何者正確? (A) 最大實體狀況 (B) 包絡圓 (C)延伸公差區域 (D) 理論上正確尺度度 。
複選題
122. 有關於斜度標註之符號,下列何者正確? (A)斜度符號以 表示 (B)符號高度為尺度數字之半,粗細與數字相同 (C)符號水平方向之長度約為高度的 3 倍 (D)符號之尖端恆指向右方 。
複選題
123. 關於尺度標註符號,下列敘述何者正確? (A)未按比例之尺度以
表示 (B)更改尺度記號以
表示 (C)理論上正確尺度以
表示 (D)參考尺度以
表示 。
複選題
124. 圖形比例與尺度標註的關係,下列敘述何者正確? (A)尺度標註的大小與圖形比例無關,均標註足尺(1:1)的數值 (B)圖形若為縮小比例,標示的尺度數字會比繪製的圖形大 (C)圖形比例若有縮放,必須另外於圖形的下方標示比例大小 (D)未按比例繪製之尺度,必須於尺度數字下方標示底線 。
複選題
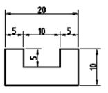
125. 下圖所示之尺度標註中,各代號所表示之標註方式及數字,下列敘述何者正確?
(A)A 為 R75 (B)B 為 6×10°=60° (C)C 為ψ7×6 (D)D 為 15 。
複選題
126.
左圖表面織構符號中,下列敘述何者正確? (A)傳輸波域λs=0.0025-0.1mm (B)16%-規則 (C)未規定加工符號 (D)粗糙度圖形最大深度 0.2μm 。
複選題
127. 尺度標註之元素應包含 (A)尺度數值 (B)尺度線 (C)箭頭 (D)投影線 。
複選題
128.
左圖邊緣型態符號,當指向內邊緣時,下列敘述何者正確? (A)視為銳邊 (B)避尖可至 0.05mm (C)讓切可至 0.05mm (D)毛頭可至 0.05mm 。
複選題
129. 下列何種機件需使用到左螺紋 (A)自行車腳踏板的螺紋 (B)砂輪機主軸的螺紋 (C)電風扇主軸的螺紋 (D)燈泡的螺紋
複選題
130. 有關尺度標註的敘述,下列何者正確? (A)尺度線均與尺度界線成垂直(B)尺度箭頭長為尺度數字字高,開尾夾角為 20 度 (C)尺度符號規定放在尺度數字的左側,公差配合置右側 (D)尺度線均為直線 。
複選題
131. 有關尺度標註之公差配合選用,下列何組錯誤? (A)ψ30CD7/ψ30h6 (B)ψ30H8/ψ30i7 (C)ψ30ZD9/ψ30h8 (D)ψ30H10/ψ30w9 。
複選題
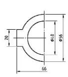
132. 如下圖,斜度為 1:10,L=40,兩端高度為 H 及 h,下列何者正確?
(A)H=40 時,h=36 (B)h=46 時,H=50 (C)H=46 時,h=36 (D)h=40 時,H=46 。
複選題
133. 下列球面標註方式何者正確? (A)R20 (B) 40 (C)SR20 (D)S 40 。
複選題
134. 對於尺度標註之敘述,下列何者正確? (A)為避免累積公差,應採用基準位置標註法 (B)當精度要求不高時,可採用連續尺度標註法 (C)未按比例標註之尺度,其數值應加括弧 (D)參考用之尺度,其數值應加底線 。
複選題
135. 下列符號何者用於尺度標註中? (A) (B)□ (C)○ (D)ψ 。
複選題
136. 有關尺度標註的敘述,下列何者正確? (A)不規則曲線的尺度,可採用座標法或支距法標註 (B)尺度的標註基準,一般使用基準面或基準線 (C)CNC 加工尺度,可採用單一尺度線,以基準面為起點,用小圓點並標註 0 為起點,各尺度以單向箭頭標示,尺度數字沿尺度界線之方向置於末端 (D)多孔的尺度標註,可以採用列表方式 。
複選題
137. 在表面織構符號中,有關輪廓參數的預設評估長度的敘述,下列何者正確? (A)R 輪廓:評估長度為取樣長度的 5 倍 (B)W 輪廓:無預設評估長度 (C)P 輪廓:評估長度為測量之全長 (D)W 輪廓:評估長度為取樣長度的 5 倍 。
複選題
138. 半視圖之直徑標註,下列何者正確? (A)
(B)
(C)
(D)
。
複選題
139. 對於尺度標註 M8x1 之敘述,下列何者正確? (A)M 代表公制 V 形螺紋(B)8 為螺紋節徑 (C)1 為螺紋節距 (D)此為細牙螺紋 。
複選題
140. 關於尺度標註,下列敘述何者正確? (A)必要時可將尺度標註於視圖內(B)應儘量將尺度置於兩視圖之間 (C)未按比例繪製之圖形標註時,應在該尺度數字外加括弧 (D)大尺度應標註於小尺度之外側 。
複選題
141. 有關尺度標註的敘述,下列何者正確? (A)指線僅專用於註解,不得用於標註尺度 (B)註解可自左而右,由上而下寫成多行 (C)尺度若有不同單位,須將該單位置於尺度數字之後 (D)弧長符號置於尺度數字上方 。
複選題
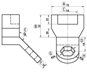
142.
左圖中之尺度標註,分別以 A~H 的符號代表,下列選項的尺度標註何者錯誤? (A)AB (B)CD (C)EF (D)GH 。
申論題 (0)
相關試卷
115年 - 20800 電腦輔助機械設計製圖 乙級 工作項目 07:實物測繪 51-116(2026/01/07 更新)#136487
115年 · #136487
115年 - 20800 電腦輔助機械設計製圖 乙級 工作項目 07:實物測繪 1-50(2026/01/07 更新)#136486
115年 · #136486
115年 - 20800 電腦輔助機械設計製圖 乙級 工作項目 06:3D模型圖 101-121(2026/01/07 更新)#136485
115年 · #136485
115年 - 20800 電腦輔助機械設計製圖 乙級 工作項目 06:3D模型圖 51-100(2026/01/07 更新)#136484
115年 · #136484
115年 - 20800 電腦輔助機械設計製圖 乙級 工作項目 06:3D模型圖 1-50(2026/01/07 更新)#136483
115年 · #136483
115年 - 20800 電腦輔助機械設計製圖 乙級 工作項目 05:工作圖 101-139(2026/01/07 更新)#136482
115年 · #136482
115年 - 20800 電腦輔助機械設計製圖 乙級 工作項目 05:工作圖 51-100(2026/01/07 更新)#136481
115年 · #136481
115年 - 20800 電腦輔助機械設計製圖 乙級 工作項目 05:工作圖 1-50(2026/01/07 更新)#136480
115年 · #136480
115年 - 20800 電腦輔助機械設計製圖 乙級 工作項目 04:機件元件 151-200(2026/01/07 更新)#136479
115年 · #136479
115年 - 20800 電腦輔助機械設計製圖 乙級 工作項目 04:機件元件 101-150(2026/01/07 更新)#136478
115年 · #136478