阿摩線上測驗
登入
首頁
>
電子學
> 95年 - 95 專技高考_電子工程技師:電子學#49540
95年 - 95 專技高考_電子工程技師:電子學#49540
科目:
電子學 |
年份:
95年 |
選擇題數:
0 |
申論題數:
6
試卷資訊
所屬科目:
電子學
選擇題 (0)
申論題 (6)
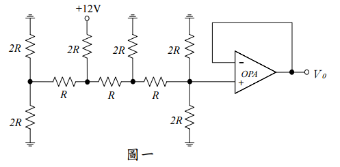
【已刪除】⑴⑴圖一為 R-2R 梯形電阻網路的數位/類比轉換器,其 V
O
應為多少?(10 分))
【已刪除】 ⑵試求下列電路的邏輯功能:(10 分)
【已刪除】二、設圖二電路之 V
D
約為 7V,試求其 I
D
、V
GS
各為多少?(20 分)
【已刪除】三、將相同之方波信號送入 A 及 B 兩放大器,若各放大器所輸出波形如圖三所示, 試問以頻率響應的觀點來看,A及B兩放大器各有什麼問題?(20 分)
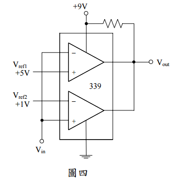
【已刪除】四、圖四為由 339 比較器所組成之電路,若輸入信號為 V
in
=3+4sin(2πt) V,試求其輸出 波形。(20 分)
【已刪除】五、若圖五電路中,R
f
=500kΩ、R
1
=100kΩ、R
2
=100kΩ、R
3
=250kΩ。試求此電路的輸 出電壓 V
o
為何?(20 分)