阿摩線上測驗
登入
首頁
>
電力系統
> 96年 - 096年高等三級暨普通電力工程(高考)#38261
96年 - 096年高等三級暨普通電力工程(高考)#38261
科目:
電力系統 |
年份:
96年 |
選擇題數:
0 |
申論題數:
5
試卷資訊
所屬科目:
電力系統
選擇題 (0)
申論題 (5)
【已刪除】一、某三相電力系統單線圖如下所示,該系統各元件容量額定值分別為發電機 G:90 MVA 、22 kV、X=0.18 pu;變壓器T
1
:50 MVA、22/220 kV、X=0.10 pu;電動機M:60 MVA 、10.78 kV、X=0.18 pu;變壓器 T
2
:50 MVA、220/11 kV、X=0.06 pu;輸電線 Line 之電抗為 40 Ω。設定以發電機端 22 kV、100 MVA 為共同基準值。若電動機 M 以 滿載、功因 0.8 落後運行,且匯流排 4 端電壓為 10.78 kV。試求此時匯流排 1 之線 電壓大小之實際值。(20 分)
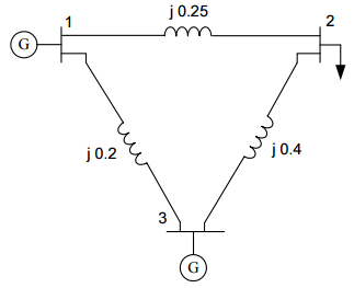
【已刪除】二、下圖所示之電力系統係以匯流排 1 為參考匯流排,其電壓為 1.05 ∠ 0
o
pu,匯流排 3 發電機之電壓為 1.02 pu 且其實功發電量為 0.6 pu。匯流排 2 之負載所需之實功與虛 功率分別為 0.72 與 0.40 pu。若匯流排 2 的電壓初始值設為 1 ∠ 0
o
pu,試以高斯- 塞德(Gauss-Seidel)法進行兩次疊代,計算匯流排 2 電壓的大小與相角,以及匯流 排 3 電壓的相角,以 pu 表示,計算時取到小數點後第 4 位。(20 分)
三、舉出五種改善電力系統暫態穩定度的方法,並說明其原理。(20 分)
四、對三相交流電力系統而言,其電壓之振幅、頻率、波形及對稱性可能會出現那些異 常現象?舉例說明這些異常現象的肇事原因。(20 分)
【已刪除】五、某三相電力系統如下圖所示,同步發電機 A 經由一 Y-Y 接法、等效電抗為 0.12 pu 之 變壓器 T
A
,接到兩條並行輸電線路後,再經由一個 Y-Y 接法、等效電抗為 0.10 pu 之 變壓器 T
B
接到另一部同步電動機 B。 圖中所有參數的 pu 值均已換算到共同基準。當兩部電機均操作在額定電壓,若在 F 端發生雙線直接接地故障,不計負載電流,試求故障點的各相電流,以 pu 值表示。 (20 分)