阿摩線上測驗
登入
首頁
>
電子學
> 96年 - 96 公務、關務升官等考試_薦任_電力工程、電子工程、電信工程、燈塔技術:電子學#50034
96年 - 96 公務、關務升官等考試_薦任_電力工程、電子工程、電信工程、燈塔技術:電子學#50034
科目:
電子學 |
年份:
96年 |
選擇題數:
0 |
申論題數:
5
試卷資訊
所屬科目:
電子學
選擇題 (0)
申論題 (5)
【已刪除】
一、圃㈠為一理想放大器,若 R
1
,=10 kn,R
2
=100 kfl,當 V
1
=0.5 V 時,求 A
v
,v
o
,i
1
,i
2
及輸入電阻R
i
。(20分)
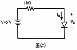
二、圓㈡電路中二極體之電壓V
D
與電流I
D
各為多少?假設二極體於0.7 V時對應之電 流為1mA,每增加10倍電流,對應之電壓降0.1V。(16分)
【已刪除】三.、圖(三)之電路求電晶體直流工作點,並燴出小訊號棋型與計算小訊號電壓增益 (假設電晶β=100,V
BE
(on)=0.7 V • V
A
=80V) (24 分)
【已刪除】四、請分析圖㈣中MOSFET差動放大器之直流特性(I
d1
,I
D2
,I
1
,v
O1
,v
O2
,v
O3
)並決定 •最大共模輸入電壓範園•(假設電晶《參數k
n1
=k
n2
=0.1mA/V
2
,k
n3
=k
n4
=0.3 mA/V
2
, 所有電晶體V
TH
,λ=0) (28分)
【已刪除】五、圖㈤為回授放大器之基本组態,若有一放大器其開路低頻增益A
o=
l0
4
•開路頻寬 f=100Hz,及閉迴路低頻增益Af(0)=50之回授放大器,求此放大器之頻寬•(12分)