阿摩線上測驗
登入
首頁
>
電子學
> 96年 - 96 專技高考_電子工程技師:電子學#49928
96年 - 96 專技高考_電子工程技師:電子學#49928
科目:
電子學 |
年份:
96年 |
選擇題數:
0 |
申論題數:
5
試卷資訊
所屬科目:
電子學
選擇題 (0)
申論題 (5)
【已刪除】一、如圖 1 所示箝位電路,假設二極體在順向偏壓時,其切入電壓可省略不計,若 V
i
為 12V
p-p
之方波,則 V
o
輸出的波形為何?(20 分)
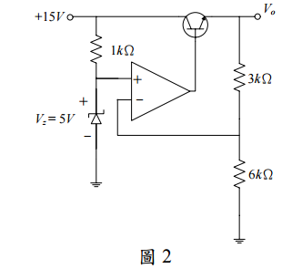
【已刪除】二、如圖 2 電路中,V
o
值為何?(20 分)
【已刪除】三、如圖 3 所示,若電晶體之 V
BE
=0.7 V,V
CE(sat)
=0.2 V,若 A 點輸入 12V 之電壓,則 電晶體工作在什麼區域?(20 分)
【已刪除】四、參考圖 4,若 I
B
≅ 0A,β=100,V
BE
=0.7V 則 V
CB
為多少?(20 分)
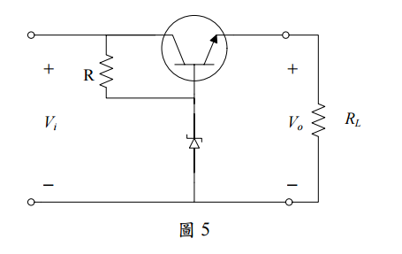
【已刪除】五、如圖 5 之電路,若 V
i
=15V,V
z
=6.2V,V
BE
=0.7V,則輸出電壓 V
o
為多少? (20 分)