阿摩線上測驗
登入
首頁
>
初等/五等/佐級◆基本電學大意
> 97年 - 97 鐵路特種考試_佐級_機檢工程、電力工程、電子工程:基本電學大意#22360
97年 - 97 鐵路特種考試_佐級_機檢工程、電力工程、電子工程:基本電學大意#22360
科目:
初等/五等/佐級◆基本電學大意 |
年份:
97年 |
選擇題數:
40 |
申論題數:
0
試卷資訊
所屬科目:
初等/五等/佐級◆基本電學大意
選擇題 (40)
1 20 歐姆電阻通過 5 安培電流 1 分鐘,將產生多少仟卡的熱量? (A)1 (B)2 (C) 3.6 (D) 7.2
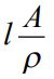
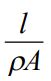
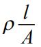
2 某導線長度 l,截面積 A,電阻係數為 ρ,則此電阻大小為多少?(A)
(B)
(C)
(D)
3 某負載以直流 5 伏特供電,若消耗功率為 0.5 瓦,則此負載等效輸入電阻為多少歐姆? (A) 10 (B) 25 (C) 50 (D) 100
4 有一根圓柱型導線其電阻為 5 歐姆,將其長度拉長為原來的兩倍,假設原有體積不變,形狀仍為圓柱型, 求拉長後的電阻為多少歐姆? (A)2.5 (B) 5 (C) 10 (D) 20
5 將 0.5 庫侖之正電荷由 A 點移至 B 點,須做正功 35 焦耳,若 B 點電位為+30V,則 A 點電位應為多少伏特? (A) -40 (B) -5 (C) 70 (D) 100
6 如圖所示,求 3 安培之電流源所供給之總功率為多少瓦特?
(A) 54(B)27 (C)18 (D)9
7 如圖所示,試計算電流 I
1
為若干安培?
(A) 1 (B)10/3 (C)2 (D)4/3
8 某色碼電阻的色環依序為紅、綠、黃、銀,則其電阻值應為多少? (A) 25 kΩ ± 5% (B) 25 kΩ ± 10% (C) 250 kΩ±5% (D) 250 kΩ±10%
9 一台 5 馬力(hp)的電動機,連續以額定負載運轉 8 小時,若電費每度為 2.5 元,則應繳電費多少元? (A) 74.60 (B) 93.25 (C) 29.84 (D) 37.30
10 一度電的能量相當於多少焦耳? (A) 1 (B) 1000 (C) 3600 (D) 3.6× 10
6
11 有一線圈匝數為 50 匝,電感為 5 亨利,已知通過之磁通在 0.2 秒內由 0.75 韋伯直線升高至 1.25 韋伯,則該 線圈兩端之感應電勢為多少伏特? (A)150 (B)125 (C) 100 (D) 50
12 一鐵芯材料構成之磁路,其導磁係數為 4× 10
-4
韋伯/(安匝.米),截面積為 1×10
-2
平方公尺,平均磁路 長度為 4 公尺,若在其上繞 100 匝的線圈,則其電感為多少亨利? (A) 0.01 (B) 0.1 (C) 1 (D) 10
13 某半徑為 20 公分之獨立實心金屬球,已知球面之電位為 200 伏特,則距球心 10 公分處之電場強度為多少 伏特/公尺? (A) 2000 (B) 1000 (C) 500 (D) 0
14 一平行板電容器,若將電極板之邊長各增加一倍,同時也將電極板之距離縮短一半,則其電容量變為原來 電容量之幾倍? (A) 4 (B) 8 (C) 0.25 (D) 0.125
15 一平行板電容器,若電極板之面積為 0.1 平方公尺,距離為 0.01 公尺,電極板間之介質係數為 8× 10
-12
法拉/公尺,若兩電極板之電位差為 1000 伏特,則該電容器每一電極板之電荷量為多少微庫倫? (A) 0.08 (B) 0.8 (C) 0.04 (D) 0.4
16 一長 30 公分之直導體,以 1 公尺/秒之速率垂直橫切通過磁通密度為 1× 10
-2
韋伯/平方公尺之磁場,則該導 體兩端之感應電勢為多少伏特? (A) 0.3 (B) 0.03 (C) 0.003 (D) 0.0003
17 若兩線圈之自感分別為 20 毫亨利及 5 毫亨利,而互感為 8 毫亨利,則兩線圈之耦合係數為多少? (A) 1 (B) 0.8 (C) 0.6 (D) 0.5
18 如圖所示,流經 R
1
之電流 I 為:
19 茲有四個電阻並聯,其電阻值分別為 4Ω 、8Ω 、12Ω 、16Ω ,若流經 4Ω 之電流為 24 安培,則總電流為多少 安培? (A) 30 (B) 40 (C) 50 (D) 60
20 茲有六個電阻,分別為 R
1
= 1Ω 、R
2
= 2Ω 、R
3
= 3Ω 、R
4
= 4Ω 、R
5
= 5Ω 、R
6
= 6Ω ,將此六個電阻予以並聯後, 其總電阻值應為何? (A)等於21Ω (B) 等於 1/21 Ω (C) 小於 1Ω (D) 介於 1Ω 與 6Ω 之間
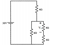
21 如圖所示,試求 V
1
之電壓降為若干伏特?
(A) 20 (B) 30 (C) 15 (D) 10
22 如圖所示,試求 AB 兩點間之總電阻為多少?
(A) R (B) 0.5R (C) 2R (D) 3R
23 有 6V 之直流電壓源,供應未儲能之電感及電阻串聯電路,當接通電壓源之瞬間,電感之電流上升率大小為 20A/sec,且到達穩態時流經電感之電流為 6A,則此電路之時間常數為多少秒? (A) 0.3 (B) 1 (C) 3.33 (D) 120
24 如圖所示含有直流電壓源及直流電流源之電路,其中 A 為理想安培計,則流經 A 之電流大小為多少安培?
(A) 1 (B) 4 (C) 5 (D) 6
25 如圖所示含有二具直流電流源之電路,則 6Ω 電阻上之電壓大小為多少伏特?
(A) 3 (B) 4 (C) 5 (D) 6
26 如圖所示之電路,6Ω 電阻上之電壓大小為多少伏特?
(A) 2 (B) 4 (C) 6 (D) 8
27 如圖所示含有二具直流電壓源之電路,則 V
1
之值為多少伏特?
(A) 1 (B) 6 (C) 11 (D) 21
28 如圖所示含有直流電壓源及直流電流源之電路,則流經 6Ω 電阻之電流大小為多少安培?
(A) 0 (B) 2 (C) 4 (D) 6
29 如圖所示之電路中,電阻負載 R 所能獲取之最大功率為多少瓦特?
(A) 1.5 (B) 3 (C) 4.5 (D) 6
30 如圖所示的電路中,電壓 V
ac
為多少伏特?
(A) 6 (B) 24 (C) 14 (D) 10
31 某一交流電路系統之負載兩端的電壓降為 v(t) = 100 cos(ω t)伏特(V),而流過此負載的電流為 i(t) = 5 cos(ω t-53.13°)安培(A),則由此負載所吸收的平均虛功率(Reactive Power)為多少乏(Var)? (A) 400 (B) 300 (C) 200 (D) 150
32 在一個交流之電阻-電感-電容並聯電路中,若此三個電路元件之阻抗大小均為 50 歐姆(Ω ),則此電路 並聯後之整體等效阻抗為多少歐姆? (A) 50 (B) j50 (C) -j50 (D) 16.67
33 若將一個原為串聯之諧振電路的外加電源頻率增加,使其大於電路原有的諧振頻率的話,則此時此串聯電 路將呈現何種特性? (A) 電阻性 (B) 電容性 (C) 電感性 (D) 與外加頻率無關
34 某交流負載其端電壓V =100∠0°V (有效值),電流為 I =10∠- 45°A(有效值),其吸收之平均功率 P 及虛 功率 Q 為: (A) P = 707 W,Q = 707 VAR (B) P = 500 W,Q = 500 VAR (C) P = 800 W,Q = 600 VAR (D) P = 600 W,Q = 800 VAR
35 如圖所示之交流電路,其電源電壓為 E = 200∠0° 伏特,則此電流 I
1
為多少安培?
(A) 10 + j10 (B) 10 - j10 (C) 10 + j5 (D) 10 - j5
36 如圖所示之交流穩態電路;若電源電壓 E =100∠0°伏特,則此電阻端電壓 V
R
為多少伏特?
(A) 36 - j48 (B) 42.8 + j0 (C) 48 - j36 (D) 48 + j36
37 如圖所示之交流電路,其 I
1
=10∠0° 安培,則流經電阻之電流 I
R
的絕對值為多少安培?
(A) 10 (B) 10√ 2 (C)
(D) 5
38 如圖所示,已知 I
in
= 6 安培,試計算 I
1
+ I
2
+ I
3
等於多少安培?
(A) 1 (B) 2 (C) 3 (D) 6
39 某負載消耗之平均功率為 80W,虛功率為 60VAR(電感性),則此負載之功率因數為: (A) 0.8 (B) 0.6 (C) 0.5 (D) 0.1
40 某交流負載其端電壓為 100 伏特(有效值),電流為 4 - j3 安培(有效值),其負載阻抗為多少歐姆? (A) 12 + j16 (B) 12 - j16 (C) 16 + j12 (D) 16 - j12
申論題 (0)