所屬科目:A.電工原理、B.電子概論
1. 對RLC串聯電路而言,若阻抗XL>XC,則下列敘述何者正確?(A)該電路為電容性電路 (B)電流超前電壓 (C)功率因數滯後 (D)該電路為電阻性電路
2. 電動機並聯電容器,其目的為:(A)提高功率因數,並可減少線路之功率損耗 (B)提高功率因數,但線路之功率損耗增加(C)提高功率因數,並加大電流 (D)提高功率,並使負載端電壓降低
3. 家裡裝有一台交流單相2HP馬力之抽水馬達,效率為0.8,功率因數為0.85,當使用電壓為220V,則馬達使用之電流量約多少安培?(A)1A (B)5A (C)10A (D)20A
4. 使用一個功率 800W、效率85%之電熱器,在一大氣壓下,將2.0公升之水由 20℃ 加熱升到沸點(100℃)約需幾分鐘?(A)8.5分 (B)16.5分 (C)26.5分 (D)36.5分
5. RLC並聯,繪相量圖時均以何者為基準?(A)V(B)IR(C)IL(D)IC
6. 以二瓦特表法量測平衡三相負載之功率,其中一瓦特表讀值為0,則負載之功率因數為多少?(A)0 (B)0.5 (C)0.866 (D)1
7. RLC 串聯諧振電路中,下列敘述何者錯誤?(A)諧振頻率(B)電壓超前電流一角度 (C)電路呈純電阻性質 (D)功率因數為1
8. RLC串聯電路發生諧振時,則將產生:(A)最大電流 (B)最高端電壓 (C)最大阻抗 (D)最大無效功率
9. 關於103W 供電系統,下列敘述何者錯誤?(A)具有雙電源使用 (B)中性線應接地且應加裝過載保護器(C)兩電源必須電壓大小相同,相位相同 (D)除了中性線以外,其他AB兩非接地線應加裝過載保護器
10. 三相發電機正相序,Y連接,已知A相電壓Vao=100∠0°,則B相電壓Vbo= ?(A)100∠0° (B)100∠30° (C)100∠-120° (D)100∠120°
11. 半導體之原子結構中,最外層軌道上的電子數為何?(A)多於4個 (B)等於4個 (C)少於4個 (D)不一定
12. 下列何者不屬於熱量單位?(A) BTU(B) 焦耳(C) 卡(D) 瓦特
13. 絕緣電阻的大小隨溫度而變化,當溫度升高時絕緣電阻值有何變化?(A)升高 (B)降低 (C)不變 (D)視材料而定
14. 有一蓄電池原有5安時,經連續放電20分鐘後,減為3安時,則此蓄電池平均放電電流為何?(A)3安培 (B)6安培 (C)10安培 (D)12 安培
15. R1與R2並聯後接一電源,若兩者所消耗的功率分別為P1=200W、P2=100W,已知R1=12Ω,則R2為多少?(A)3Ω (B)6Ω (C)24Ω (D)48Ω
16. 對於串聯電路之敘述,下列何者錯誤?(A)各負載兩端之電壓均相等 (B)有一負載斷路,則其它負載均不動作(C)串聯負載前後位置對換其結果相同 (D)串聯負載愈多,電流愈小
17. 重疊定理分析直流迴路,每次單獨使用一個電源,其他的電源應如何處理?(A)電壓源及電流源均短路 (B)電壓源及電流源均斷路(C)電壓源斷路,電流源短路 (D)電壓源短路,電流源斷路
18. 某生家內有一部效率為80%,8KW之抽水馬達,每天運轉8小時,一個月平均運轉25工作天,若每度電費為1.5元,則每個月浪費電費幾元?(A)600元 (B)1200元 (C)1920元 (D)2400元
19. 滿刻度為1mA,內電阻為100Ω,電壓表欲改為0~100V時,需串聯電阻多少?(A)9.9KΩ (B)99.9KΩ (C)150KΩ (D)1000KΩ
20. 某生實習時拿起一只五環色碼電阻,但不知哪邊為第一色環,只見其色環(由左而右)依次為棕、金、綠、橙、棕,則此色碼電阻值為何?(A)13.5Ω±1% (B)135Ω±1% (C)1.35KΩ±1% (D)13.5KΩ±1%
21. 指針式三用電表中,零歐姆調整旋鈕可用於補償下列哪種狀況?(A)溫度變化 (B)濕度變化 (C)電池老化 (D)指針硬化
22. 光敏電阻器(CDS)可以做下列何種轉換?(A)光能轉換成電壓輸出 (B)光能轉換成電流輸出(C)光能轉換成電阻值輸出 (D)光能轉換成功率輸出
23. 有一交流電壓v(t) = 100 sin(377t)V,則此電壓的頻率及正半週平均值分別為何?(A)50Hz及63.6V (B)50Hz及70.7V (C)60Hz及63.6V (D)60Hz及70.7V
24. 在積體電路中如需串接放大器,通常會採用下列何種耦合方式?(A)電阻電容耦合 (B)直接耦合 (C)變壓器耦合 (D)電感耦合
25. 在裝置機電元件時,下列何者可以不必使用熱縮套管?(A)電源指示燈 (B)電源變壓器 (C)輸出測試端子 (D)電源開關
26. 在一般陶瓷電容器或積層電容器上標示474K,其電容量為何?(A)0.47 μF (B)4.7 μF (C)47.4 μF (D)474 μF
27. 一般邏輯測試棒除了可以顯示HI、LO外,還有下列何種狀態?(A)短路 (B)開路 (C)脈波 (D)浮接
28. 已知電晶體直流偏壓電流ICQ= 2.5mA、β=100、VT = 25mV,則基極交流電阻rπ = ?(A)100KΩ (B)1KΩ (C)2.5KΩ (D)250KΩ
29. 如右圖所示電路,若VCC=10V, VBE = 0.7V,則IC約為何?(A)2.4mA (B)4.0mA (C)5.3mA (D)8.5mA
30. 稽納二極體(Zener Diode)使用在穩壓時,其工作區域為何?(A)負電阻區 (B)截止區 (C)崩潰區 (D)順向區
31. 若PNP 電晶體要工作在作用區,則外加電壓應如何?(A) VBE>0, VBC>0(B) VBE>0, VBC<0(C) VBE<0,VBC>0(D) VBE<0, VBC<0
32. 已知某都市傳統交通號誌燈每一盞燈耗電量為150瓦,欲將全市500盞傳統交通號誌燈全部更換為每盞耗電15瓦的LED交通號誌燈,已知交通號誌燈每天工作24小時,每度電2.5元,預計一個月平均30天將可省下多少錢?(A)135000元 (B)121500元 (C)13500元 (D)12150元
33. 倘5KΩ/5W與5KΩ/2W之兩電阻器串聯,則其等值電阻為若干?(A)2.5KΩ/2W (B)2.5KΩ/4W (C)10KΩ/2W (D)10KΩ/4W
34. 有關 CMOS 與TTL IC族系比較,下列敘述何者錯誤?(A)CMOS 較 TTL 省電 (B)CMOS 驅動電流較 TTL 小(C)CMOS 操作速度較 TTL 慢 (D)CMOS 操作電壓範圍較 TTL 小
35. 有關電晶體達靈頓電路之特性,下列敘述何者正確?(A)小電流增益及低輸入阻抗 (B)小電流增益及高輸入阻抗(C)大電流增益及低輸入阻抗 (D)大電流增益及高輸入阻抗
36. 下列何因素會造成電晶體放大電路的高頻響應不良?(A)電晶體的極間雜散電容 (B)集極交連電容 (C)基極交連電容 (D)射極旁路電容
37. 有關半波整流電路與全波整流電路的比較,下列敘述何者錯誤?(A)前者變壓器的整流效率低 (B)前者電路簡單,成本較低(C)前者漣波變化較小 (D)前者輸出直流平均值低
38. 有一三級串接放大器,各級之電壓增益分為50、100及200,試問其總電壓增益為多少分貝?(A)80dB (B)100dB (C)120dB (D)150dB
39. 有一電晶體電路,在給予適當偏壓後,測得IB=0.02mA,IC=1.4mA;若經調整偏壓後再測得IB=0.1mA,IC=5mA,時電晶體工作於哪一區域?(A)夾止區 (B)飽和區 (C)作用區 (D)截止區
40. 有一場效應電晶體,若其µ=45,gm=300μA/V,則rd值為何?(A)15KΩ (B)67KΩ (C)135KΩ (D)150KΩ
41.如右圖所示電路,電路中依電流標示回路R2之電阻值應為多少歐姆?
(A) 6Ω(B) 10Ω(C) 16Ω(D) 20Ω
42.一個球形金屬導體半徑為9公分,該球形金屬導體其上之帶電量為2×10-9庫侖,試求距離球心6公分處之電位及電場強度為何?(A)1V、100 V/m(B) 100 V、1 V/m(C)200 V、0V/m(D)0V、200 V/m
43.將正弦波單頻率電源接至一RC並聯電路,當電源電壓有效值為110V,電源頻率角速度為200 rad/sec, rad/sec,線路總電流之有效值為10A,流經電阻器之電流有效值為6A,則流經電容器之電流有效值為多少安培?(A)4A(B)A(C)8A(D)A
44.矽半導體材料電阻與溫度之變化關係為何?(A)電阻與溫度成正比變化(B)電阻與溫度之平方成正比變化(C)電阻與溫度成反比變化(D)兩者間完全無關係
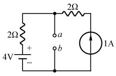
45.兩電阻器 R₁及R₂,當接成串聯時之消耗電功率與改接成並聯時之消耗電功率的比值為何?(A)(B)(C)(D)
46.如右圖所示之電路,其a、b兩端之戴維寧等效電路為:(A)(B)(C)(D)
47.如右圖,E=24V,R₁=60Ω, R2=40Ω,L=0.05H,當S未閉合而電路已穩定,則S閉合瞬間電感器端電壓為何?
(A)4.8V(B)-9.6V(C) 24V(D)-24V
48.欲使四極交流發電機產生60Hz的頻率,試求其轉速應為多少rpm?(A) 900(B) 1800(C) 2400(D) 3600
49.欲將交流大電流降低轉換小電流後才進行電流測量,應使用何種器材轉換?(A)比壓器(B)變壓器(C)比流器(D)分流器
50. A和B兩線圈交互纏繞於同一鐵心中,其匝數分別為800匝及400匝,當A線圈通以0.2A 電流時,產生6x105線之磁通,若其中有3x105線之磁通與B線圈相互交鏈,則兩線圈之間互感應為多少?(A)1H(B) 6H(C)16H(D)20H
51.如右圖所示為一簡單的直流電路,電池之電動勢E=3伏特,電阻R=30歐姆,a點接地,則下列敘述何者錯誤?(A)a點電位為零(B)b點電位為3伏特(C)電阻兩端的電位差為3伏特(D)電池每秒輸出電能0.3焦耳
52. RLC 串聯電路中,若電源頻率大於諧振頻率,則電阻器兩端的電壓相位變化如何?(A)超前電流相位 90°(B)滯後電流相位 90°(C)與電流同相(D)不一定
53.三相電壓為220V的配電系統,當接上負載時有效功率表顯示為60KW,無效功率表顯示為80KVAR,則此負載之功率因數值為何?(A)0.6(B) 0.8(C) 0.9(D) 1.0
54.如右圖所示電路,若R₁ = 10ΚΩ, R2 = 100ΚΩ,則該電路名稱與電壓增益(AV)為何?(A)反向放大器,AV= -11(B)非反向放大器,AV = 11(C)反向放大器,AV= -10(D)非反向放大器,AV = 10
55.如右圖所示電路,VZ =10V,稽納二極體的穩壓工作區電流範圍為2mA~50mA,則RL在哪一範圍時,可使R₁上電壓不致發生變化?(A) 51Ω~180Ω(B) 68Ω~114Ω(C) 102Ω ~ 200Ω(D) 120Ω ~ 220Ω
56.下列敘述何者正確? A.代表十億分之一的符號是『n』 B.將「銻」元素摻雜加入純矽半導體中,則可形成P型材料 C.積體電路SSI內部所包含的邏輯閘數目 12~100個 D.目前台灣電力公司在台灣的電力系統,其電源電壓為110V/220V F.一般二極體有記號或標註的那一端,通常為陽極端(P極)(A)A、C(B)B、F(C)A、D(D)C、F
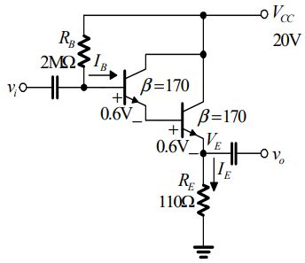
57.如右圖所示電路,下列敘述何者錯誤?
(A) ΙB = 3.6μΑ(B)IE = 0.105A(C)VE = 11.6V(D)由信號源所看到的輸入阻抗=1.6MΩ
58.有關雙極性接面電晶體(BJT)特性之敘述,下列敘述何者錯誤?(A) BJT 為電壓控制元件(B) NPN型BJT正常工作時,流通之多數載子為電子(C)不可以二個頭或尾對接之二極體來代替BJT元件使用(D) BJT 用於線性放大時,基射極需接順偏,基集極接逆偏
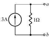
59.有一電阻器,其色碼依次為綠、藍、黃、金,則其電阻值最大可能為何?(A) 58.8ΚΩ(B) 61.6 ΚΩ(C) 588ΚΩ(D) 616ΚΩ
60.有關電晶體基本放大電路組態特性之敘述,下列何者錯誤?(A)CE 組態的輸入與輸出信號同相位(B) CC 組態又稱為射極隨耦器(C)CB 組態的高頻響應最佳(D)CE 組態兼具電壓放大與電流放大
61.有一電容器之電容量為600μ法拉,接於400伏特電源上,經常保持0.12 安培的充電電流,則此電容器充電充滿的時間為何?(A)2秒(B)20秒(C)2分(D)20分
62.如右圖所示電路,則a、b兩端等效電阻為何?
(A)Ω(B)Ω(C)Ω(D)Ω
63.使用日規指針式三用電錶轉至x10Ω檔,測量電晶體腳位時,將第1腳接紅棒,再以黑色棒接觸其它2、3腳,此時電錶的指針都會產生很大的偏移,而其他接法皆不偏轉,則下列敘述何者正確?(A)為NPN 電晶體且第1腳為集極(B)為NPN 電晶體且第1腳為基極(C)為PNP 電晶體且第1腳為集極(D)為PNP 電晶體且第1腳為基極
64.如右圖所示為DC12V 繼電器的驅動電路,下列敘述何者錯誤?
(A)繼電器動作時,電晶體必須工作於飽和區(B)繼電器未動作時,NC與COM 相通(C)二極體D為吸收反電動勢,以保護繼電器線圈用(D)繼電器動作時,NO將與COM 相通
65.如右圖所示,D為理想二極體時,則流過D之電流値與電阻3KΩ兩端間的電壓值分別為何?(A)2.15mA,0.7V(B)2.5mA,0V(C)0mA, 5V(D)1mA,3V