阿摩線上測驗
登入
首頁
>
電子學
> 98年 - 98 專技高考_電子工程技師:電子學#47606
98年 - 98 專技高考_電子工程技師:電子學#47606
科目:
電子學 |
年份:
98年 |
選擇題數:
0 |
申論題數:
9
試卷資訊
所屬科目:
電子學
選擇題 (0)
申論題 (9)
一、若圖一(a)之電路皆採用理想二極體,其電路功能為何?請說明其操作原理;若將其 中所有二極體之方向顛倒,如圖一(b)所示,則其電路功能有何改變?亦請說明其原 理。(10 分)
⑴請求出電 晶體之直流集極電流;
⑵求出g
m
與r
π
;
⑶在忽略r
o
與R
B
的影響下,求出基極至集極 之中頻(midband)電壓增益;
⑷求出輸入阻抗R
in
;
⑸求出中頻總電壓增益V
o
/V
sig
。( 20 分)
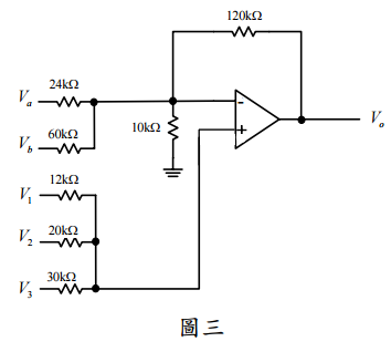
三、圖三中V
a
、V
b
、V
1
、V
2
、V
3
皆為輸入,且使用理想運算放大器,則輸出電壓V
o
為何?(30 分)
四、圖四中,稽納(Zener)二極體之崩潰電壓分別為V
z1
與V
z2
,而二者的順偏導通電壓 則同樣為 0.7 V,請畫出V
o
對V
i
的轉換特性曲線。(10 分)
五、在圖五(a)、圖五(b)中,A、B、C、D 為邏輯輸入,請分別求出邏輯輸出Y=?(30 分)