阿摩線上測驗
登入
首頁
>
初等/五等/佐級◆電子學大意
> 98年 - 98 鐵路特種考試_佐級_電子工程:電子學大意#22364
98年 - 98 鐵路特種考試_佐級_電子工程:電子學大意#22364
科目:
初等/五等/佐級◆電子學大意 |
年份:
98年 |
選擇題數:
40 |
申論題數:
0
試卷資訊
所屬科目:
初等/五等/佐級◆電子學大意
選擇題 (40)
1 今對純矽(Si)晶體材料均勻摻雜磷(P)元素,則此矽半導體應屬於那一類的半導體? (A)外質(Extrinsic)半導體 (B)P型半導體 (C)本質(Intrinsic)半導體 (D)二元化合物(Binary compound)半導體
2 電荷耦合元件(Charge Couple Device, CCD)由何種基本結構所組成? (A)金屬-氧化物-半導體(Metal-Oxide-Semiconductor) (B)pn接面 (C)pnp結構 (D)pnpn結構
3 對於雙極性接面電晶體工作在截止時,下列有關其接面偏壓狀況之敘述,何者正確? (A)集基極接面順向偏壓而且射基極接面順向偏壓 (B)集基極接面逆向偏壓而且射基極接面順向偏壓 (C)集基極接面逆向偏壓而且射基極接面逆向偏壓 (D)集基極接面順向偏壓而且射基極接面逆向偏壓
4 運算放大器電路之串並負回授(Series-Shunt Negative Feedback)對輸入阻抗R
i
及輸出阻抗R
o
之影響為何? (A)R
i
減少,R
o
減少 (B)R
i
減少,R
o
增加 (C)R
i
增加,R
o
減少 (D)R
i
增加,R
o
增加
5 如圖示之電路,當輸出電流為零時,下列敘述何者正確?(二極體導通時之電壓降為0.7 V)
(A)當V
I
< 3.7 V, V
O
=V
I
,當V
I
≥ 3.7 V,V
O
=3.7 V (B)當V
I
< 3.7 V, V
O
=V
I
,當V
I
≥ 3.7 V, V
O
=0 V (C)當VI < 3.7 V, V
O
=3.7 V,當V
I
≥ 3.7 V, V
O
=V
I
(D)當-3.7 V < V
I
< 3.7 V, V
O
=V
I
,當| V
I
| ≥ 3.7 V, VO=3.7 V
複選題
6 下列關於下圖反相器電路中,電晶體操作區之敘述何者正確?
(A)A=0時,PMOS在飽和區 (B)A=1時,PMOS在截止區(Cut-off Region)或三極區(Triode Region) (C)A=1時,NMOS關閉 (D)A=0時,NMOS在線性區
7 一般的雙極性接面電晶體(Bipolar Junction Transistor),其射極(Emitter),基極(Base),集極(Collector)之雜質摻雜濃度以何者最高? (A)射極 (B)基極 (C)集極 (D)都一樣高
8 下圖所示之電路,pnp雙極性接面電晶體(Bipolar Junction Transistor)係工作於何種區域(Region)?
(A)截止區(Cut-off Region) (B)順向作用區(Forward Active Region) (C)逆向作用區(Reverse Active Region) (D)飽和區(Saturation Region)
9 有一放大器的-3 dB頻率為100 Hz和18 kHz,若其工作於標準測試頻率2 kHz且為0 dB時的輸出功率為60 W,則其工作於100 Hz和18 kHz時的輸出功率為: (A)30 W (B)15 W (C)42.42 W (D)60 W
10 下圖所示為一個n通道增強型(Enhancement Mode)MOSFET共源極電路,其參數值為:V
DD
=5 V,I
D
=0.1 mA,R
1
=30 kΩ,R
2
=20 kΩ,R
D
=20 kΩ,V
Tn
(臨限電壓)=1.5 V,此電晶體被偏壓在下列何種工作區?
(A)截止區 (B)飽和區 (C)三極區(Triode Region) (D)次臨限區(Sub-threshold Region)
複選題
11 關於液晶顯示(LCD)的敘述,下列何者錯誤? (A)相同解析度之LCD電視機所需功率較LED電視機為低 (B)LCD係靠液晶配向性來控制顯示 (C)LCD需要一個外加或內部的光源 (D)LCD不會因化學作用而退化
12 下列何者非主動濾波器之優點? (A)輸入阻抗高 (B)輸出阻抗低 (C)不需要消耗電力 (D)對抗外界干擾能力佳
13 下列何種振盪器,可以產生正弦波的振盪輸出電壓? (A)柯匹子振盪器(Colpitts Oscillator) (B)電壓控制振盪器(Voltage-Controlled Oscillator) (C)不穩複振器(Astable Multivibrator) (D)雙穩複振器(Bistable Multivibrator)
14 如圖所示的電路方塊圖若是理想振盪器,則其必須符合的條件為何?(註:| A(s)β(s) |及∠ A(s)β(s)分別為A(s)β(s)的大小及相角)
(A)| A(s)β(s) |=1,∠ A(s)β(s)=90度 (B)| A(s)β(s) | < 1,∠ A(s)β(s)=0度 (C)| A(s)β(s) |=1及∠ A(s)β(s)=0度 (D)| A(s)β(s) |=1及∠ A(s)β(s)=180度
複選題
15 邏輯函數
可用下列何閘完成?(A)及(AND) (B)反及(NAND) (C)或(OR) (D)反或(NOR)
16 變容二極體(Varactor)主要是藉由下列何者來改變其電容的大小? (A)電壓 (B)電流 (C)溫度 (D)頻率
17 如圖所示之頻率響應的放大器,則此放大器為何種濾波器?
(A)低通 (B)高通 (C)帶通 (D)帶拒
18 如圖所示電路,若C=100 μF,R=10 kΩ,V
i
=5 costV,當電路已達到穩態後,則輸出電壓V
o
為:
(A)5 sintV (B)5 costV (C)-5 sintV (D)-5 costV
19 一放大器低頻響應的轉移函數為
,則此放大器低頻3 dB頻率近似於多少rad/s? (A)0 (B)10 (C)25 (D)100
20 下圖中A為理想運算放大器,若R
1
=1 kΩ,R
2
=R4=10 kΩ,R
3
=200 Ω,則V
o
/V
i
為:
(A)-520 (B)-620 (C)-720 (D)-820
21 下列何種元件可將光能轉變為電能? (A)發光二極體(Light Emitting Diode) (B)雷射二極體(Laser Diode) (C)變容二極體(Varactor) (D)太陽能電池(Solar Cell)
22 如圖所示,利用二極體及電阻組成數位正邏輯電路,則此為何種邏輯閘?
(A)NAND閘 (B)AND閘 (C)NOR閘 (D)OR閘
23 當雙極性接面電晶體(Bipolar Junction Transistor)工作於順向作用區(Forward Active Region)時,集極電流仍會隨著集-射電壓VCE的增加而稍微的增加,其原因為何? (A)射-基接面空乏區(Depletion Region)寬度增加,造成基極有效寬度變窄 (B)射-基接面空乏區(Depletion Region)寬度減少,造成基極有效寬度變窄 (C)集-基接面空乏區(Depletion Region)寬度增加,造成基極有效寬度變窄 (D)集-基接面空乏區(Depletion Region)寬度減少,造成基極有效寬度變窄
24 某一型態之正反器的特性函數(Characteristic Function)為Q (t+1)=A⊕ Q(t),其中A為輸入端信號,則此正反器為下述何種型態? (A)R-S (B)D (C)J-K (D)T
25 當一個放大器要用來放大一個輸入電壓訊號,則該放大器宜具有下列何種特性? (A)大的輸入電阻 (B)小的輸入電阻 (C)大的輸出電阻 (D)小的輸出電阻
26 下列有關雙極性接面電晶體(BJT)的敘述,何者錯誤? (A)電晶體作為開關時,是在它的截止(Cut-off)與飽和(Saturation)兩個區工作 (B)電晶體在飽和區時,B-E和B-C兩個接面都是逆偏(Reverse-bias) (C)電晶體在作用(Active)區時,B-E接面順偏(Forward-bias),B-C接面逆偏 (D)電晶體作為放大器使用時,是在作用(Active)區
27 如圖所示電路,電晶體Q
1
與Q
2
有相同特性,若V
CC
=15 V,V
EE
=-20 V,電阻R
1
=R
2
=6 kΩ,R
3
=R
4
=8 kΩ,R
5
=5 kΩ,當電晶體Q
1
與Q
2
皆為導通時,則輸出之電壓V
o
約為何值?
(A)12.42 V (B)9.42 V (C)6.42 V (D)3.42 V
28 下圖所示為一主動濾波器,若R
i
=20 kΩ,R
f
=200 kΩ,R
1
=1.5 kΩ,C
1
=0.02 μF,則其半功率點的頻率為:
(A)5.3 kHz (B)10 kHz (C)15.1 kHz (D)20.3 kHz
29 如圖所示電路,假設R
1
=5 kΩ,R
2
=20 kΩ,V
o
=0.2 V,則其輸入抵補電壓(Input Offset Voltage)為多少mV?
(A)50 (B)20 (C)30 (D)40
30 理想運算放大電路如下圖所示,其輸出電壓Vo應為:
(A)-6 V (B)-8 V (C)-10 V (D)-12 V
31 在I
B
保持固定情況下,ΔV
BE
/ΔV
CE
代表雙極性接面電晶體之: (A)hie (B)hfe (C)hre (D)hoe
32 當五個反相器(Inverters)接成一個環振盪器(Ring Oscillator),若各反相器具有相同之傳播延遲(Propagation Delay)t
p
,則該環振盪器之振盪頻率為: (A)5 t
p
(B)10 t
p
(C)1/(5 t
p
) (D)1/(10t
p
)
33 下列對理想放大器特性之敘述,何者錯誤? (A)無限大的輸出阻抗 (B)無限大的電壓增益 (C)無限大的頻寬 (D)無限大的輸入阻抗
34 在不影響正常的電路運作下,輸出所能連接之相似電路的最多值,稱之為: (A)最大輸出 (B)最大扇出 (C)最小輸出 (D)最小扇出
35 某一電晶體有200 MHz的單位增益頻寬(unity gain bandwidth),當此電晶體被設計成電壓增益為100的放大器時,其頻寬約為多少MHz? (A)200 (B)10 (C)5 (D)2
36 下圖關於功率(Power)電晶體電路的最大集極電壓為何?
(A)0伏特(V) (B)3伏特(V) (C)8伏特(V) (D)24伏特(V)
複選題
37 齊納二極體(Zener Diode)在整流操作時,最主要是利用何種物理機制? (A)厄利效應(Early Effect) (B)短通道效應(Short-channel Effect) (C)崩潰效應 (D)光伏打效應
38 一個MOSFET完整的小信號等效電路模型可以如下之等效電路表示,其中gmb是基體調變效應(Body Effect)所產生的互導(Transconductance)。
今若將接腳S(Source)與接腳B(Body)二者短路,則最正確的等效電路模型為:
39 某一放大器的電壓增益與電流增益皆為10,則此放大器功率增益為多少分貝(dB)? (A)10 (B)20 (C)40 (D)50
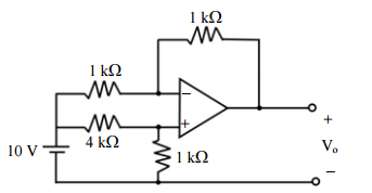
40 下圖之反相加法電路中,輸出電壓V
o
等於:
(A)15 V (B)20 V (C)25 V (D)30 V
申論題 (0)