阿摩線上測驗
登入
首頁
>
初等/五等/佐級◆基本電學大意
> 99年 - 99 初等考試_電子工程:基本電學大意#46950
99年 - 99 初等考試_電子工程:基本電學大意#46950
科目:
初等/五等/佐級◆基本電學大意 |
年份:
99年 |
選擇題數:
40 |
申論題數:
0
試卷資訊
所屬科目:
初等/五等/佐級◆基本電學大意
選擇題 (40)
1 下列何者為電風扇之能量轉換方式? (A)電能→機械能 (B)機械能→電能 (C)電能→光能 (D)電能→化學能
2 1 mA 電流流經 1 kΩ電阻將消耗多少功率? (A)1W (B) 1 mW (C) 1 µW (D) 1 nW
3 有一燈泡額定電壓為 120 伏特,額定功率為 600 瓦特,求其電阻為多少歐姆? (A)6 (B) 12 (C) 24 (D) 36
4 某直流電動機由 80 伏特電源輸入 12 安培電流,電動機效率為 85%,則電動機輸出功率為多少瓦特? (A) 768 (B) 816 (C) 960 (D) 1129
5 三相交流正弦電壓源,若頻率為 60 Hz,電壓為 100 V,正相序,若 A 相電壓相角為 0° ,則 B 相電壓 之瞬間值表示式為何?
(A) v(t ) = 100 sin(377t − 240°)
(B) v(t ) = 100 √2 sin(377t − 240°)
(C) v(t ) = 100 sin(377t − 120°)
(D) v(t ) = 100 √2 sin(377t − 120°)
6 一交流電路,若電源供應 8 kVA 之電力,當負載消耗 6 kW 功率時,求此電路之功率因數為何? (A) 0.5 (B) 0.6 (C) 0.75 (D) 0.8
7 一般交流電表所指示之值均為: (A)平均值 (B)有效值 (C)最大值 (D)瞬時值
8 電阻 4Ω與電感抗 j4Ω並聯,等效阻抗 Z 為多少? (A) 8 +j 8 Ω (B) 2 +j 2 Ω (C) 4+j4 Ω (D) j64 Ω
9 某交流電壓 v(t ) = 10 sin(60π t + 30°) 伏特,則其有效值及頻率分別為:
10 電容值為 10 µF 之電容器與 20Ω之電阻器串聯,若此時投入端電壓為 100 V 之直流電壓源,則在此 瞬間其充電電流為多少安培? (A)1 (B)2 (C)5 (D) 10
11 有一只 20 微法拉的電容器以定電流 10 毫安培連續充電 2 秒,求此電容器儲存的能量為多少焦耳? (A) 10 (B) 20 (C) 25 (D) 40
12 一個 5 歐姆之電阻器,若通過電流由 10 安培升至 100 安培,則功率變為原本幾倍? (A) 10 (B) 50 (C) 100 (D) 1000
13 有一磁路繞有 200 匝線圈,其磁阻為 5 × 10
5
安匝/韋伯,該線圈若通以 5 安培的電流,求磁路中之磁 通量為多少韋伯? (A) 1 × 10
-3
(B) 2 × 10
-3
(C) 4 × 10
-3
(D) 5 × 10
-3
14 有一電器每天使用 5 小時,若 30 日的電費為 120 元,電費每度 2.5 元,則此電器的消耗功率為多少 瓦特? (A) 320 (B) 240 (C) 160 (D) 120
15 有一蓄電池內部原有 60 庫侖的電量,今充電 3 分鐘後,蓄電量增加到 510 庫侖的電量,則其平均充 電電流為多少安培? (A)1 (B) 1.5 (C)2 (D) 2.5
16 一平行板電容器,其兩端之電位差為 3.6 伏特,電場強度為 240 伏特/公尺,則其兩極板間之距離為 多少公尺? (A) 0.015 (B) 0.030 (C) 0.150 (D) 0.300
17 有一系統由 2 個子系統串接組成,其子系統效率分別為 75%及 80%,若輸出能量為 1200 焦耳,則輸 入能量為多少焦耳? (A) 720 (B) 1548 (C) 1600 (D) 2000
複選題
18 有一部單相電動機接於 110 伏特電源,在 5 秒鐘內將 200 牛頓之重物等速提高 10 公尺,假設電動機 之效率為 80%且功率因數為 1.0,則電動機之輸入電流為多少安培? (A)2 (B)4 (C)5 (D) 10
19 一電池的電動勢為ε,內電阻為 r,連接一外電阻 R,在什麼情況下電阻 R 獲得的功率最大? (A) R=r (B) R=2 r (C) R=1.5 r (D) R=2.5 r
20 並聯之二個電阻分別為 R
1
及 R
2
,且 R
1
為 150Ω。通電後,R
1
消耗之功率為 150 W,R
2
消耗之功率 為 50 W,則電阻 R
2
為多少歐姆? (A) 50 (B) 150 (C) 330 (D) 450
21 有一電池電動勢為 10 伏特,內部電阻為 0.5 歐姆,若接一負載 10 歐姆,求負載之端電壓約為多少伏 特? (A) 8.74 (B) 9.52 (C) 9.84 (D) 10
22 如圖之交流電路其阻抗為多少Ω?
(A)7 (B) 5∠30° (C) 5∠ tan
(D) 5∠45° 4
23 如圖所示之電路,其電位差 Vad 為多少伏特?
(A)8 (B) 10 (C) 22 (D) 26
24 某電路如圖所示,已知總電流 I 為 3 安培,R2Ω電阻器上之電流為 1 安培,R3Ω電阻器上之電流為 1.5 安培,則以下何者正確?
(A) R
1
>R
2
>R
3
(B) R
2
>R
1
>R
3
(C) R
2
>R
3
>R
1
(D) R
3
>R
2
>R
1
25 某電路如圖所示,五個電阻器之電阻值均相同,各為 RΩ,今比較 V
1
與 V
2
兩電位降大小關係,則:
(A) V
1
>V
2
(B) V
2
>V
1
(C) V
1
=V
2
(D)無法判斷
26 如圖所示,已知 R
T
=100kΩ,則 R 為多少 kΩ?
(A) 25 (B) 75 (C) 200 (D) 300
27 如圖所示之交流電路,其功率因數為:
(A) 0.866 (B) 0.707 (C) 0.5 (D)0
28 有一蓄電池的電動勢為 12 伏特,若假設其內電阻為 R
i
Ω,今接上一負載 R
L
=0.1Ω時,負載之端電 壓 V
L
=10 V,則蓄電池之內電阻 R
i
為多少Ω?
(A) 0.01 (B) 0.02 (C) 0.12 (D) 0.2
29 某電路如圖所示,50Ω電阻器之電壓降 V
X
為多少伏特?
(A)-1.5 (B)-1 (C)1 (D)3
30 四個電阻器電阻值均相同,各為 RΩ,今將其三個並聯後,再與第四個串聯接於 12 伏特電源上,如 圖所示測知 I 電流為 1 安培,則 R 為多少Ω?
(A)1 (B)
(C)2 (D)3
31 如圖所示,其迴路電流 I
1
及 I
2
各為多少?
(A) I
1
=5A,I
2
=0A (B) I
1
=7.5A,I
2
=5A (C) I
1
=10A,I
2
=5A (D) I
1
=7.5A,I
2
=10A
32 如圖所示,試求 AB 兩點間之諾頓等效電流值:
(A) 2 安培 (B) 8 安培 (C) 10 安培 (D) 12 安培
33 試求如圖所示 AB 兩點之戴維寧等效電壓值:
(A) 2 伏特 (B) 4 伏特 (C) 6 伏特 (D) 8 伏特
34 如圖所示,試求 AB 兩點間之戴維寧等效電阻:
(A)
歐姆 (B)
歐姆 (C) 3 歐姆 (D) 2 歐姆
35 如圖所示,5Ω電阻之端電壓 V
1
為多少伏特?
(A) 60 (B) 30 (C) 20 (D) 10
36 某電路如圖所示,已知電流 I=3 安培及 1Ω電阻上所消耗之功率為 4 W,則 R(Ω)電阻上所消耗之功 率為多少 W?
(A)1 (B)2 (C)4 (D)6
37 試計算如圖所示電路之時間常數:
(A) 2 ms (B) 0.5 ms (C) 1.33 ms (D) 0.67 ms
38 如圖所示之電路,若已知電流 I 為 0.1 安培,則 R
1
+R
2
+R
3
為多少Ω?
(A) 15 (B) 90 (C) 120 (D) 150
39 某電路如圖所示,則電位差 V
ab
為多少伏特?
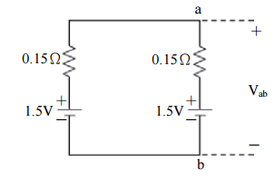
(A)0 (B) 0.75 (C) 1.5 (D)3
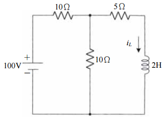
40 如圖所示,穩態時之電感電流 i
L
為多少安培?
(A) 50 (B) 25 (C) 7.5 (D)5
申論題 (0)