阿摩線上測驗
登入
首頁
>
初等/五等/佐級◆基本電學大意
> 99年 - 99 原住民族特種考試_五等_電子工程:基本電學大意#46826
99年 - 99 原住民族特種考試_五等_電子工程:基本電學大意#46826
科目:
初等/五等/佐級◆基本電學大意 |
年份:
99年 |
選擇題數:
40 |
申論題數:
0
試卷資訊
所屬科目:
初等/五等/佐級◆基本電學大意
選擇題 (40)
1 在交流純電容電路上的電壓 v(t)與電流 i(t)的相位關係為: (A) i(t)超前 v(t)90° (B) i(t)落後 v(t)90° (C) i(t)超前 v(t)180° (D) i(t)落後 v(t)180°
2 如圖所示,其諧振頻率為 159 Hz,求電容值 C 為多少微法拉?
(A) 10 (B) 20 (C) 50 (D) 100
3 如圖所示RLC串聯電路,其諧振頻率f0及諧振時之功率因數P.F.依序分別為:
4 如圖所示之電路,試求V
1
之值:
(A) 18 伏特 (B) 36 伏特 (C) 54 伏特 (D) 72伏特
5 如圖所示,試求 AB 兩點間之諾頓等效電阻:
(A) 3 歐姆 (B) 6 歐姆 (C) 9 歐姆 (D) 18 歐姆
6 如圖所示,當R
L
等於多少歐姆時,可得最大功率?
(A)3 (B)6 (C)9 (D) 12
7 一串聯電路如圖所示,若電流I=0.24 毫安培,則電源E
2
為多少伏特?
(A)3 (B)4 (C)6 (D)9
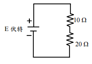
8 某電路如圖所示,已知 20 Ω 電阻上所消耗之功率為 5 W,則電源 E 為多少伏特?
(A)5 (B) 7.5 (C) 12 (D) 15
9 某電容器之電容值為 10 μF,已知其端電壓為 100 V,則其所儲存之電量為多少 μC?(A) 10 (B) 90 (C) 900 (D) 1000
10 任何存在兩個導體間具有儲存電荷能力的裝置,其名稱為何? (A)電阻器 (B)電容器 (C)電感器 (D)避電器
11 100 W 的燈泡使用 2 個小時所消耗的能量為: (A) 360 kJ (B) 200 J (C) 200 W.h (D) 180 W.h
12 某陶瓷電容器上之標示為 105 K,則其電容值為多少 μF? (A)1 (B) 10 (C) 10.5 (D) 105
13 一個 120 Ω 的電阻器,其最大散熱能力為 1 W,則其可使用的最大電流為: (A) 120 A (B)1A (C) 0.5 A (D) 91.3 mA
14 對一般家庭用的電器而言,下列敘述何者正確? (A)使用的電線愈細愈安全 (B)家庭電器一般使用電力公司供應的直流電 (C)兩個電爐並聯使用的電力比串聯使用時小 (D)並聯的電爐過多且同時使用會將保險絲燒斷
15 某設備的輸出功率為 7460 W,其效率為 90%,則輸入功率為多少 kW? (A) 7.46 (B) 8.289 (C) 10 (D) 16.578
16 一度電的電費假設為 2.1 元,若一盞 100 W 的燈連續亮了 10 天,則需付多少元的電費? (A) 21 (B) 36 (C) 42 (D) 50.4
17 額定為 120 V、500 W 的電熱器,若接於 100 V 的電源時,其所消耗的功率為多少瓦特? (A) 120.0 (B) 347.2 (C) 416.7 (D) 500.0
18 下列四種物質中,何者的電阻會隨溫度上升而明顯下降? (A)銀 (B)鋁 (C)銅 (D)矽
19 供給電爐之電源的電壓若提高 5%時,則電爐的輸出功率變化為:(以最接近之數值為準) (A)增加 25% (B)增加 10% (C)增加 5% (D)減少 5%
20 某 220 V,5 Hp 之電動機,效率為 85%,工作 5 小時,則所作的功是多少瓦-小時? (A) 1100 (B) 5500 (C) 18650 (D) 37300
21 相同的電容器 n 個,並聯時其等效電容量為串聯時之等效電容量的倍數為:
22 兩個耦合電感之磁耦合係數為 k,則 k 值可能為: (A) 1.5 (B)2 (C)3 (D) 0.8
23 有一無窮長之直導線,通以 3 安培之電流,則距離導線 1.5 cm 處之磁場強度為:
24 有 Q 庫侖電荷之金屬帶電球體,其半徑為 r 公尺,則距球心 x 公尺,x<r 處之電位為:(以最接近之數 值為準)
25 線圈感應電勢的極性,可用下列那一個定律來判定? (A)庫侖定律 (B)楞次定律 (C)安培定律 (D)法拉第定律
26 有五個電阻器,電阻值各為RΩ,今接成如圖所示之電路,已知V
A
=2 伏特,則電源E為多少伏特?
(A)3 (B) 5(C) 6(D)8
27 某電路如圖所示,已知I
1
為 1 安培,I
2
為 0.5 安培,則R為多少Ω?
(A)3 (B)7 (C)10 (D)17
28 有三個電阻器,電阻值分別為R
1
Ω、R
2
Ω、R
3
Ω,且R
1
>R
2
>R
3
,今將此三個電阻器並聯後,總電阻值為 R
T
Ω,則下列何者正確? (A)R
1
>R
T
>R
2
(B)R
2
>R
T
>R
3
(C)R
3
>R
T
(D)R
T
>R
1
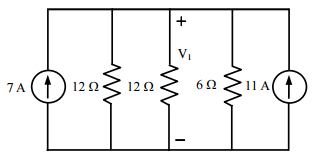
29 某電路如圖所示,若電流I=1 安培,則電流I
1
及I
2
依序分別各為多少安培?
(A) 1.5 與-2.5 (B) 0.5 與 0.5 (C)-0.5 與-0.5 (D)-1.5 與 0.5
30 利用迴路電流法分析如圖所示含有直流電壓源及直流電流源之電路,則下列何者正確?
(A)I
1
=2A(B)I
1
=-4A (C) 3I
2
+I1=6V (D) 2I
2
-I1=6V
31 利用重疊定理求解僅具獨立電源之直流電路時,一次只考慮一個電源,對於其餘電源之處理,則下列何 者正確? (A)電壓源短路、電流源短路 (B)電壓源斷路、電流源短路 (C)電壓源短路、電流源斷路 (D)電壓源斷路、電流源斷路
32 有一電感及電阻之串聯直流電路,已知電感值為 2 mH、電阻值為 1000 Ω,則其時間常數為多少微秒? (A)2 (B)5 (C) 20 (D) 50
33 將Δ接電路轉換成 Y 接電路時,已知Δ接電路上各分支之電阻分別為 3 Ω、4 Ω 及 5 Ω,則下列何者為 Y 接電路上之分支電阻值? (A) 0.5 歐姆 (B) 1 歐姆 (C) 1.5 歐姆 (D) 2 歐姆
34 如圖所示之電路,串加電容將功率因數改善成為 1.0,求此電容值:
35 有一負載之電源電壓為 200 V/60 Hz,平均功率為 2000 W,功率因數為 0.8 落後,則其虛功率為: (A) 1200 VAR (B) 1500 VAR (C) 1600 VAR (D) 2000 VAR
36 如圖所示,試計算電流 I 之值:
37 某電路如圖所示,當開關 S
1
閉合時,電流表 A之讀值 I= 1.5 安培,當開關 S
2
閉合時,電流表 A之讀值 I = 2 安培,當開關 S
3
閉合時,電流表 A之讀值 I= 4.5 安培,則 R
1
、 R
2
、 R
3
之電阻值為:
(A)R
1
= 3 Ω,R
2
= 4 Ω,R
3
= 5 Ω (B)R
1
= 3 Ω,R
2
= 5 Ω,R
3
= 4 Ω (C)R
1
= 5 Ω,R
2
= 3 Ω,R
3
= 4 Ω (D)R
1
= 4 Ω,R
2
= 5 Ω,R
3
= 3 Ω
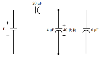
38 某電路如圖所示,已知 4 μF 電容器之充電電壓為 40 伏特,則 20 μF 電容器所儲存之電量為多少 μC?
(A) 160 (B) 240 (C) 400 (D) 800
39 有一電熱器加入 110 伏特電壓時,在 8 秒內消耗 2640 焦耳的能量,則此電熱器輸入電流為多少安培? (A) 24 (B) 12 (C)6 (D)3
40 假設電費每度 2.5 元,一台 400 瓦特的電視機每天使用 5 小時及一台 600 瓦特的洗衣機每天使用 3 小時, 若一個月以 30 天計,則每月應繳電費多少元? (A) 135 (B) 150 (C) 285 (D) 325
申論題 (0)