阿摩線上測驗
登入
首頁
>
電子學
> 99年 - 99 地方政府特種考試_四等_電力工程、電子工程、電信工程:電子學概要#46384
99年 - 99 地方政府特種考試_四等_電力工程、電子工程、電信工程:電子學概要#46384
科目:
電子學 |
年份:
99年 |
選擇題數:
0 |
申論題數:
5
試卷資訊
所屬科目:
電子學
選擇題 (0)
申論題 (5)
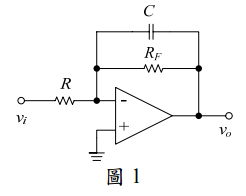
一、如 圖 1 所 示 之 米 勒 積 分 器 ( Miller integrator ) , 試 求 此 電 路 之 頻 率 響 應 函 數 v
o
(jω)/vi(jω)。(10 分)若R
F
= 1 MΩ,則R與C的值必須選擇為何?才能使此電路,具 有 20 dB之直流增益,且 3-dB截止頻率(Cutoff frequency)在 100 Hz。(10 分)
二、如圖 2(a)-(d)所示的電路,假設二極體導通時的順向壓降為 0.7 V,輸入信號v
i
為一 峯值為 10 V之正弦波,試畫出每個電路的輸出波形v
o
,並標示出其最大與最小的電 壓值。(20 分)
三、有一放大器具有開路電壓增益 10 V/V,輸入阻抗R
i
= 4 kΩ,輸出阻抗R
o
= 1 kΩ,當串接 二個這樣的放大器,並用來驅動 1 kΩ的負載時,求此電路之電壓增益v
o
/v
i
(5 分),電 流增益i
o
/i
i
(5 分),以及功率增益p
o
/p
i
。(5 分)若此電路的輸入端接上一內阻為 1 kΩ之電壓源v
s
,則此電路之整體電壓增益v
o
/v
s
為何?(5 分)
【已刪除】四、如圖 3 所示為一動態邏輯閘,其中φ為控制信號,A、B 與 C 為輸入接腳,Y 為輸出 接腳,試寫出其布林函數(5 分),並說明控制信號φ在高電位與低電位時的功能為 何?(5 分)請分別畫出一布林函數為
與一布林函數為
的動態 邏輯閘。(10 分)
五、畫出一個直流電源供應器(從交流電到直流電)的方塊圖,標示每個方塊圖的輸入 與輸出波形,並且說明每個方塊圖的功能。(20 分)