阿摩線上測驗
登入
首頁
>
機械製圖
>
112年 - 112 全國高級中等學校學生技藝競賽考試_工業類:機械製圖#138263
> 試題詳解
複選題
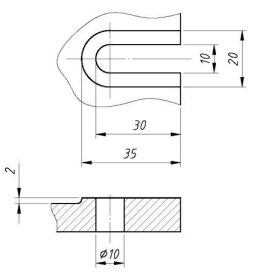
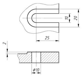
6.CNS 標準中,下圖半徑與直線相連部分之標註,何者為佳?
(A)
(B)
(C)
(D)
答案:
登入後查看
統計:
尚無統計資料
相關試題
複選題7. 工程圖中須標註理論上正確尺度,如 ,下列公差何者須標註? (A)位置度公差 (B)輪廓度公差 (C)傾斜度公差 (D)圓偏轉度
#3849472
1. 在尺度分類中,機械裝置為了表示機件間之相互關係,與他件組合有 關者稱為? (A)設計尺度 (B)公差尺度 (C)功能尺度 (D)重要尺度
#3849457
2. 有一孔軸配合,公差符號設計為 H8/g7,應屬於? (A)留隙(餘隙)配合 (B)過度配合 (C)過盈(干涉)配合 (D)無此配合
#3849458
3. 如左圖所示表面織構符號之位置 e,代表為何? (A)表面紋理方向 (B)下限界之限界值 (C)加工裕度 (D)對兩個或更 多表面織構之要求事項
#3849459
4. 銲接符號副基線之線條式樣為? (A)細實線 (B)一點細鏈線 (C)兩點細鏈線 (D)虛線
#3849460
5. 如左圖所示,直線 ab 在那一象限內? (A)第 I (B)第 II (C)第 III (D)第 IV 象限
#3849461
6. 尺度標註之符號”□”,其高度約為字高之? (A)1 倍 (B)3/4 倍 (C)2/3 倍 (D)1/2 倍
#3849462
7. 如左圖所示,直線 ab 為何? (A)平行水平投影面 (B)平行直立投影面 (C)垂直水平投影面 (D)垂 直直立投影面
#3849463
8. A0 圖紙不裝訂者的圖框與紙邊的距離為?_______ mm(A)10 (B)15 (C)20 (D)25
#3849464
9. 立體圖中最具真實感的是? (A)等角投影圖 (B)透視投影圖 (C)不等角投影圖 (D)等斜圖
#3849465
相關試卷
114年 - 114 全國高級中等學校學生技藝競賽考試_工業類:機械製圖#137980
2025 年 · #137980
113年 - 113 全國高級中等學校學生技藝競賽考試_工業類:機械製圖#138094
2024 年 · #138094
112年 - 112 全國高級中等學校學生技藝競賽考試_工業類:機械製圖#138263
2023 年 · #138263
111年 - 111 全國高級中等學校學生技藝競賽考試_工業類:機械製圖#138312
2022 年 · #138312
111年 - 111 臺北市市立高級中等學校正式教師聯合甄選:機械/製圖科#107361
2022 年 · #107361
無年度 - 東海高中汽車科 機械製圖 第六章正投影201-250#24733
-999 年 · #24733
無年度 - 東海高中汽車科 機械製圖 第六章正投影151-200#24732
-999 年 · #24732
無年度 - 東海高中汽車科 機械製圖 第六章正投影101-150#24645
-999 年 · #24645
無年度 - 東海高中汽車科 機械製圖 第四章應用幾何#24603
-999 年 · #24603
無年度 - 東海高中汽車科 機械製圖 第五章徒手畫與立體圖51-104#24601
-999 年 · #24601