1. 以精餾法進行 A 與 B 二成分的分離,已知精餾塔的進料質量流率為 100 kg · h – 1 ,其中 A 的質量分率為 0.6;若進料所含的 A 有 95 % 可在塔頂餾出,而 A 在塔底餾餘物的質量分率 為 0.1,且自塔頂進入冷凝器的蒸汽流率為 90 kg · h – 1 ,則回流比與 A 在塔頂餾出物的質 量分率分別為多少?
(A) 0.222、0.633
(B) 0.222、0.814
(C) 0.286、0.633
(D) 0.286、0.814
答案:登入後查看
統計: A(8), B(13), C(9), D(57), E(0) #2523396
統計: A(8), B(13), C(9), D(57), E(0) #2523396
詳解 (共 1 筆)
#4394799

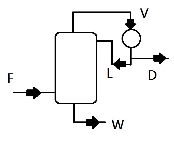
(1)全塔物料 F = D+W
(2)塔頂餾出 V=L+D
(3)回流率 = L / D
1.今由題目可知, 進料 100Kg 其中 A佔 60 kg , B佔 40 kg
2.餾出物中, 含進料A總量的 95% , 即有 57kg 的A 在塔頂餾出
3.剩餘的 3 kg 在塔底的質量分率佔 0.1 , 可得塔底 W = 3/0.1 = 30 kg
4. 由式子(1) F=D+W, 可知 100 = D + 30 -> D = 70
5. 由題目得知由塔頂進入冷凝器的流率為 90 kg/h
代回式子(2) V=L+D , 可知 90 = L +70 -> L = 20
可得 L / D = 20/70 = 0.286
6.餾出物總重 70kg 其中 A佔 57kg , 故A的質量分率 = 57/70 = 0.814
6
0