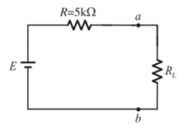
1. 有一電路如下圖,若負載要得最大功率,負載應該取多少?
(A)1kΩ
(B)2kΩ
(C)4kΩ
(D)5kΩ
答案:登入後查看
統計: A(2), B(0), C(0), D(3), E(0) #3746290
統計: A(2), B(0), C(0), D(3), E(0) #3746290