阿摩線上測驗
登入
首頁
>
工地主任-第二類科
>
111年 - 111-1 內政部營建署_營造業工地主任評定考試試題_第二類科(B)#106623
> 試題詳解
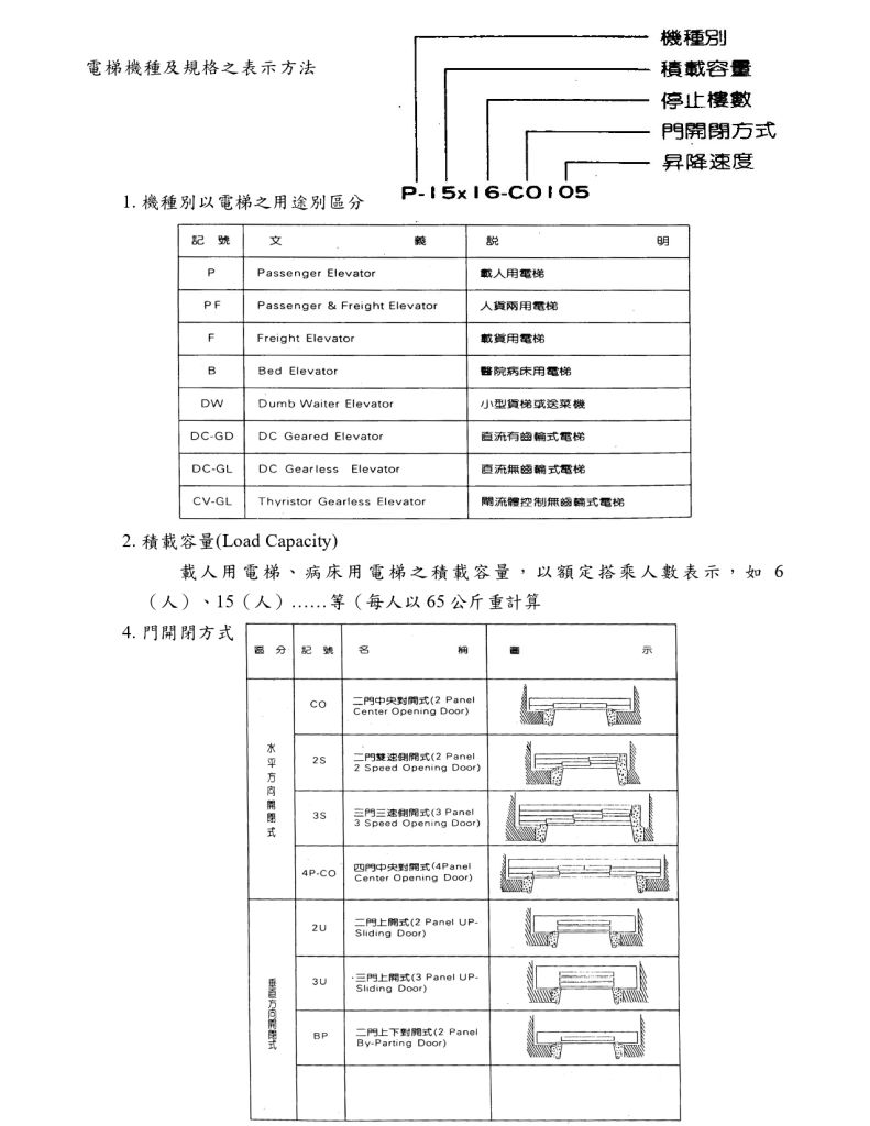
11 電梯的規格標示為「PF-15-8-3S-60」, 下列關於此標示的說明何者有誤?
(A) 為人貨兩用升降機。
(B) 額定搭乘人數 15 人。
(C) 為三速對開門。
(D) 升降速度 60 m/min.。
答案:
登入後查看
統計:
A(330), B(249), C(1503), D(191), E(0) #2880673
詳解 (共 2 筆)
xxx xxx
B1 · 2022/04/14
#5417046
43
0
大飛
B3 · 2022/05/07
#5447932
水平 CO-二門中央對開式 2S...
(共 93 字,隱藏中)
前往觀看
13
0
相關試題
1 輻射為一種能量傳遞方式,人類須藉助 科學儀器實施偵測鋼筋的輻射量,下列 那一種不屬於充氣式偵檢器? (A) 游離腔偵檢器。 (B) 閃爍偵測器。 (C) 比例計數器。 (D) 蓋革計數器。
#2880663
複選題2 請問下列那一種瓷磚的瓷化度是屬於 半瓷化? (A) 瓷質瓷磚。 (B) 石質瓷磚。 (C) 陶質瓷磚。 (D) 缸質瓷磚。
#2880664
3 瀝青黏度試驗係以真空毛細管黏度計 測定瀝青材料之絕對黏度,請問絕對黏 度選用的溫度是攝氏幾度? (A) 30。 (B) 60。 (C) 100。 (D) 135。
#2880665
4 內政部營建署「結構混凝土施工規範」 規定,不做支撐之牆側模的最少拆模時 間為何? (A) 4 小時。 (B) 8 小時。 (C) 12 小時。 (D) 24 小時。
#2880666
5 依內政部營建署之結構混凝土施工規 範,若為 A 級表面,則相鄰模面襯板 突出之誤差為? (A) ± 1 mm。 (B) ± 3 mm。 (C) ± 5 mm。 (D) ± 10 mm。
#2880667
6 有關鋼筋加工的敘述,下列何者錯誤? (A) 鋼筋有裂痕、魚尾叉、毛邊等不得使用。 (B) 鋼筋於加工前要先清潔除鏽。 (C) 所有鋼筋必須冷彎。 (D) 鋼筋整直時,有彎頭之鋼筋應先將彎頭切 斷,不得逕將變頭彎曲再整直 。
#2880668
7 下列何者不是預拌混凝土供應商向訂 購方提出交貨證明憑單之必要內容? (A) 交貨證明憑單之次序號數。 (B) 裝車時刻或水泥與粒料之開始拌和時刻。 (C) 預拌混凝土車之運送路線。 (D) 預拌混凝土車之車輛號碼。
#2880669
8 為避免造成工地之鋼構件重複吊卸作 業,工地堆放鋼構件時應採用何種吊用 順序? (A) 工廠製造完成之鋼構件,必須先吊者應後 運至工地。 (B) 工廠製造完成之鋼構件,必須先吊者應先 運至工地。 (C) 工地先吊用之鋼構件應先堆置在下面。 (D) 工地後吊用之鋼構件應先堆置在上面。
#2880670
9 下列何者不是存水彎失去水封的可能 原因? (A) 毛細現象。 (B) 虹吸現象。 (C) 水槌現象。 (D) 水份蒸發。
#2880671
10 銅板作接地極,其厚度應在 0.7 mm 以 上,且與土地接觸之總面積不得小於900 cm2 ,並應埋入地下多深? (A) 0.5 m 以上。(B) 1.0 m 以上。(C) 1.5 m 以上。(D) 2.0 m 以上。
#2880672
相關試卷
115年 - 115-1 內政部國土管理署_營造業工地主任評定考試試題_第二類科(A)#136716
2026 年 · #136716
115年 - 115-1 內政部國土管理署_營造業工地主任評定考試試題_第二類科(B)#136715
2026 年 · #136715
114年 - 114-3 內政部國土管理署_營造業工地主任評定考試試題_第二類科(B)#131161
2025 年 · #131161
114年 - 114-3 內政部國土管理署_營造業工地主任評定考試試題_第二類科(A)#131160
2025 年 · #131160
114年 - 114-2 內政部國土管理署_營造業工地主任評定考試試題_第二類科(A)#127120
2025 年 · #127120
114年 - 114-2 內政部國土管理署_營造業工地主任評定考試試題_第二類科(B)#127116
2025 年 · #127116
114年 - 114-1 內政部國土管理署_營造業工地主任評定考試試題_第二類科(B)#124989
2025 年 · #124989
114年 - 114-1 內政部國土管理署_營造業工地主任評定考試試題_第二類科(A)#124988
2025 年 · #124988
113年 - 113-3 內政部營建署_營造業工地主任評定考試試題_第二類科(A)#122739
2024 年 · #122739
113年 - 113-3 內政部國土管理署_營造業工地主任評定考試試題_第二類科(B)#122693
2024 年 · #122693