阿摩線上測驗
登入
首頁
>
高中技藝◆電腦輔助機械製圖
>
111年 - 111 全國高級中等學校學生技藝競賽考試_工業類:電腦輔助機械製圖#138290
> 試題詳解
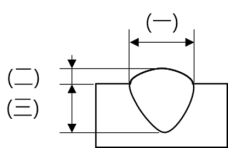
17. 如下圖所示為銲道剖面示意圖及各尺寸之名詞定義,請問(三)為何?
(A)銲冠高度
(B)溶池寬度
(C)溶池厚度
(D)滲透深度
答案:
登入後查看
統計:
尚無統計資料
相關試題
12. 目前汽車的制動器中,除了鼓式制動器外,最常用的制動器為(A)帶式制動器 (B)碟式制動器(C)流體制動器 (D)塊狀制動器
#3850496
13. 關於量具與量測之敘述,下列何者錯誤?(A)正弦桿測量錐度常配合塊規、平台與量錶一起使用(B)光學投影機不適合盲孔深度量測(C)配合符號 H8/f7,代表孔與軸為餘隙配合(D)幾何公差符號”◎”表示真圓度
#3850497
14. 下列有關錐坑鑽頭與柱坑鑽頭的敘述何者錯誤?(A)錐坑鑽頭可把已加工孔的端部製成 120 度圓錐形(B)鑽錐坑孔後可埋入平頭螺釘(C)鑽柱坑可用於沉頭孔之鑽削(D)規格以沉頭螺絲的標稱直徑來表示
#3850498
15. 一般公制斜銷(taper pin)之標稱尺寸,是以銷端的哪一個部位決定?(A)中間的直徑 (B)小端的直徑(C)大端的直徑 (D)斜銷的長度
#3850499
16. 電弧銲所用的特性氣體,主要是在防止下列何種物質侵入到銲接處(A)油汙 (B)雜物 (C)碳化物 (D)氧化物
#3850500
18. 在尺度標註時,下列敘述何者錯誤?(A)尺度線為細實線 (B) 尺度界線為細實線(C)輪廓線不可以用作尺度線 (D)中心線可以用作尺度線
#3850502
19. 已知孔的尺度為∅ 30±0.016,軸的尺度為∅ 30±0.026,關於兩者的配合情況,下列敘述何者正確?(A)最大干涉量為 0.020 mm (B)最大餘隙量為 0.032 mm(C)最大干涉量為 0.042 mm (D)最大餘隙量為 0.052 mm
#3850503
20. 兩機件公差配合為 H9/f8,表示下列何種意義?(A)基軸制,餘隙配合 (B)基孔制,干涉配合(C)基軸制,干涉配合 (D)基孔制,餘隙配合
#3850504
1. 下列有關碳鋼加工性的敘述,何項正確?(A)碳鋼的鑄造性比鑄鐵差(B)碳鋼的鍛造性與含碳量成正比(C)碳鋼的切削性與含碳量無關(D)碳鋼的銲接性與含碳量成正比
#3850485
2. 白鑄鐵其斷面組織細密,且呈白色,性質非常硬,加工困難,是因含有大量的(A)石墨(B)硫化鐵(C)碳化鐵(D)游離碳
#3850486
相關試卷
114年 - 114 全國高級中等學校學生技藝競賽考試_工業類:電腦輔助機械製圖#137974
2025 年 · #137974
113年 - 113 全國高級中等學校學生技藝競賽考試_工業類:電腦輔助機械製圖#138095
2024 年 · #138095
112年 - 112 全國高級中等學校學生技藝競賽考試_工業類:電腦輔助機械製圖#138264
2023 年 · #138264
111年 - 111 全國高級中等學校學生技藝競賽考試_工業類:電腦輔助機械製圖#138290
2022 年 · #138290
110年 - 110 全國高級中等學校學生技藝競賽考試_工業類:電腦輔助機械製圖#139155
2021 年 · #139155
109年 - [無官方正解]109 全國高級中等學校學生技藝競賽考試_工業類:電腦補助機械製圖#139141
2020 年 · #139141
107年 - 107 全國高級中等學校學生技藝競賽考試_工業類:電腦輔助機械製圖#139395
2018 年 · #139395
107年 - 107 全國高級中等學校學生技藝競賽考試_工業類:電腦輔助機械製圖#139300
2018 年 · #139300
105年 - 105 全國高級中等學校學生技藝競賽考試_工業類:電腦輔助機械製圖#139386
2016 年 · #139386
101年 - 101 全國高級中等學校學生技藝競賽考試_工業類:電腦輔助機械製圖#139583
2012 年 · #139583