阿摩線上測驗 登入

試題詳解

試卷:114年 - 114 臺北市松山工農_正式教師甄選﹕電子科與資訊科#126907 | 科目:教甄◆電子科/資訊科/電機科/冷凍空調科/控制科/電機空調科

試卷資訊

試卷名稱:114年 - 114 臺北市松山工農_正式教師甄選﹕電子科與資訊科#126907

年份:114年

科目:教甄◆電子科/資訊科/電機科/冷凍空調科/控制科/電機空調科

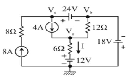
19.如下圖所示電路,試求 4A    電流源提供或消耗多少功率   ?

(A) 提供 48W。
(B) 消耗 48W。
(C) 提供 96W。
(D) 消耗 96W。

正確答案:登入後查看

詳解 (共 1 筆)

推薦的詳解#6758316
未解鎖
1. 題目解析 本題要求計算一個4A電流...
(共 830 字,隱藏中)
前往觀看
0
0

私人筆記 (共 1 筆)

私人筆記#6974567
未解鎖
求Rth, 將4A電流源拔掉, 電壓源短...



(共 378 字,隱藏中)
前往觀看
0
0